iBLD60W-T - Драйверы IE для двигателей с внешним ротором
Техническое описание в формате .pdf
Заказ товара
Для того, чтобы сделать заказ, вы можете:
Прислать заявку по почте ring@upel.ru
Позвонить по тел./отправить факс на +7 (499) 490-03-65
Написать в Whatsapp
Мы работаем только с юридическими лицами. Соответственно, при оплате наших товаров используется только безналичный расчет. По предоплате и с НДС. Минимальная сумма заказа составляет пять тысяч рублей. Счет действителен в течение 3 рабочих дней.
Сроки отгрузки также указываются и в коммерческом предложении, и в счете. Мы делаем все возможные скидки крупным и постоянным клиентам. Если у вас есть достаточно крупный заказ или вы готовы заказывать регулярно — вам стоит обратиться к менеджеру и обсудить свою ПЕРСОНАЛЬНУЮ скидку.
Технические характеристики
| Характеристика | Значение |
|---|---|
| Производитель | Fulling Motor |
Общее описание
Модель iBLD60W-T - драйвер IE для двигателей с внешним ротором, построенный на 32-битном специализированном чипе управления с высокой степенью интеграции. Работает в широком диапазоне входного напряжения 9 - 30 В. Обеспечивает высокоточное двойное замкнутое управление скоростью и током без использования датчиков Холла, применяя индуктивный метод с высокочастотной импульсной инжекцией для определения положения ротора. Поддерживает несколько режимов регулирования скорости (ШИМ/аналоговый). Встроены функции управления: старт/стоп, реверс, торможение. Защита от перенапряжения, пониженного напряжения, перегрузки по току, перегрева и блокировки ротора. Управление через 8-контактный порт (B08B-PASK) с сигналами задания скорости, направления, торможения и питания. Применяется в малом и среднем автоматизированном оборудовании: лазерных станках, намоточных машинах, упаковочных системах и робототехнике.
Характеристики
1. Использование специализированного 32-битного чипа управления двигателем
2. Входное напряжение 9 ~ 30 В постоянного тока, широкий диапазон входного напряжения
3. Поддерживает несколько режимов регулирования скорости (ШИМ/аналоговый)
4. Оснащен функциями управления, такими как старт-стоп, вращение вперед и назад, торможение и т. д.
5. Высокоточное двойное замкнутое управление скоростью и током
6. Отсутствие датчика Холла, индуктивный метод (высокочастотная импульсная инжекция)
7. Имеет функции защиты от перенапряжения, пониженного напряжения, перегрузки по току, перегрева и блокировки ротора.
8. Сверхвысокая рентабельность, экономическая эффективность
9. Допустимая кастомизация
Типичные области применения
Широко используется в различных малых и средних автоматизированных устройствах и приборах, таких как электронное обрабатывающее оборудование, нестандартное автоматизированное оборудование 3C, машины для фиксации винтов, машины для зачистки проводов, намоточные машины, терминальные станки, лазерные станки, маркировочные машины, машины для окраски распылением, небольшие и средние резьбовые станки, автоматическое захватное оборудование, специализированные станки с ЧПУ, упаковочное оборудование и роботы.
Обзор продукта
В нём используется 32-битный специализированный чип управления двигателем с высокой степенью интеграции, компактными размерами и комплексными мерами защиты. В двигателе используется новая технология ШИМ-управления, которая обеспечивает такие преимущества бесщёточного двигателя, как высокая скорость вращения, низкий уровень вибрации, низкий уровень шума и высокая стабильность.
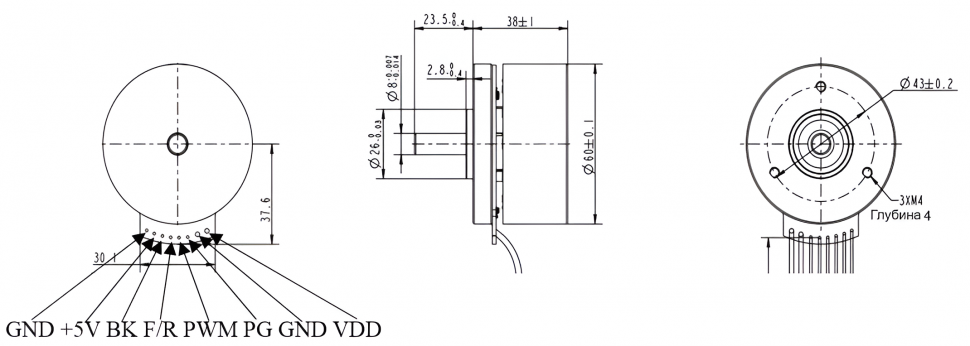
Порт управления (B08B-PASK-1(LF)(SN) 8-битный контакт)
| Номер пин-кода | Сигнал | Функция | Объяснение |
|---|---|---|---|
| 1 | Земля | Питание датчика Земля | Заземление источника питания датчика, общее с заземлением основного источника питания |
| 2 | +5В | Питание датчика +5 В | Питание датчика +5 В, выходной ток <= 30 мА |
| 3 | BK | Сигнал тормоза | Недействительно при подвешенном состоянии или подключении к высокому уровню (2.6 - 24 В) Подключено к низкоуровневому тормозному сигналу (0 ~ 0.7 В) |
| 4 | F/R | Направленный сигнал | CW\CCW Полярность высокого и низкого уровня можно настроить с помощью программного обеспечения Высокий уровень (2.6 ~ 24 В) Низкий уровень (0 ~ 0.7 В) |
| 5 | SV/PWM | Сигнал регулирования скорости | Аналоговое управление скоростью: 0.5 ~ 5 В, Поддержка частоты ШИМ 1 ~ 20 кГц, Регулировка скорости ШИМ: настраиваемая полярность рабочего цикла 0 ~ 5%, Полная скорость 5 ~ 95%, Линейное регулирование скорости 95 ~ 100% прекращается |
| 6 | PG | Сигнал скорости | Уровень TTL-5 В, 1 импульс / 1 антиполярный / поворот |
| 7 | Земля | Отрицательная клемма входного питания | Отрицательный полюс входной мощности |
| 8 | VDD | Положительный полюс источника питания | Вход питания положительный, входное напряжение 9 ~ 30 В постоянного тока |
Остались вопросы?
Не нашли нужную модель или нужна консультация по продукции? Наши менеджеры будут рады Вам помочь разобраться во всем. Просто заполните форму, и мы свяжемся с Вами как можно скорее.