FL80BLE - Экономичные двигатели BLDC
Техническое описание в формате .pdf
Заказ товара
Для того, чтобы сделать заказ, вы можете:
Прислать заявку по почте ring@upel.ru
Позвонить по тел./отправить факс на +7 (499) 490-03-65
Написать в Whatsapp
Мы работаем только с юридическими лицами. Соответственно, при оплате наших товаров используется только безналичный расчет. По предоплате и с НДС. Минимальная сумма заказа составляет пять тысяч рублей. Счет действителен в течение 3 рабочих дней.
Сроки отгрузки также указываются и в коммерческом предложении, и в счете. Мы делаем все возможные скидки крупным и постоянным клиентам. Если у вас есть достаточно крупный заказ или вы готовы заказывать регулярно — вам стоит обратиться к менеджеру и обсудить свою ПЕРСОНАЛЬНУЮ скидку.
Технические характеристики
| Характеристика | Значение |
|---|---|
| Производитель | Fulling Motor |
| Угол эффекта Холла | 120 градусов |
| Радиальный люфт | 0.02 мм |
| Осевой люфт | 0.14 мм |
| Максимальное радиальное усилие (Н) | 115 |
| Максимальное осевое усилие (Н) | 45 |
| Диэлектрическая прочность | 600VAC / 1s |
| Изоляционное сопротивление | 100MОм, 500VDC |
| Колебание температуры | -20°C~+50°C |
| Класс изоляции | Класс Б |
Стандартные модели
| Характеристика | Модель | |
|---|---|---|
| FL80BLE10-48V-5010B | FL80BLE40-48V-5047B | |
| Количество полюсов | 4 | 4 |
| Количество фаз | 3 | 3 |
| Номинальное напряжение (VDC) | 48 | 48 |
| Номинальный крутящий момент (мН·м) | 0.2 | 0.9 |
| Постоянный крутящий момент (мН·м) | 0.24 | 1.08 |
| Номинальная скорость (об/мин) | 5000 | 5000 |
| Номинальная мощность (Вт) | 100 | 470 |
| Пиковый крутящий момент (мН·м) | 0.6 | 2.7 |
| Ток (А) | 10.5 | 36 |
| Сопротивление (Ом) | 1.3 | 0.26 |
| Индуктивность (мГн) | 1.9 | 0.5 |
| Постоянная крутящего момента (мН·м/А) | 72 | 72 |
| Обратная ЭДС (Vrms/KRPM) | 5.4 | 5.4 |
| Инерция ротора (г·см²) | 146 | 385 |
| Длина двигателя (мм) | 50.0 | 80.0 |
| Масса (кг) | 0.8 | 1.5 |
FL80BLE10-48V-5010B
| Количество полюсов | 4 |
| Количество фаз | 3 |
| Номинальное напряжение (VDC) | 48 |
| Номинальный крутящий момент (мН·м) | 0.2 |
| Постоянный крутящий момент (мН·м) | 0.24 |
| Номинальная скорость (об/мин) | 5000 |
| Номинальная мощность (Вт) | 100 |
| Пиковый крутящий момент (мН·м) | 0.6 |
| Ток (А) | 10.5 |
| Сопротивление (Ом) | 1.3 |
| Индуктивность (мГн) | 1.9 |
| Постоянная крутящего момента (мН·м/А) | 72 |
| Обратная ЭДС (Vrms/KRPM) | 5.4 |
| Инерция ротора (г·см²) | 146 |
| Длина двигателя (мм) | 50.0 |
| Масса (кг) | 0.8 |
FL80BLE40-48V-5047B
| Количество полюсов | 4 |
| Количество фаз | 3 |
| Номинальное напряжение (VDC) | 48 |
| Номинальный крутящий момент (мН·м) | 0.9 |
| Постоянный крутящий момент (мН·м) | 1.08 |
| Номинальная скорость (об/мин) | 5000 |
| Номинальная мощность (Вт) | 470 |
| Пиковый крутящий момент (мН·м) | 2.7 |
| Ток (А) | 36 |
| Сопротивление (Ом) | 0.26 |
| Индуктивность (мГн) | 0.5 |
| Постоянная крутящего момента (мН·м/А) | 72 |
| Обратная ЭДС (Vrms/KRPM) | 5.4 |
| Инерция ротора (г·см²) | 385 |
| Длина двигателя (мм) | 80.0 |
| Масса (кг) | 1.5 |
Общее описание
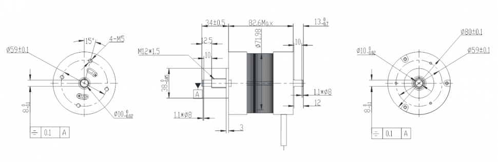
Модель FL80BLE - мощный трехфазный бесщеточный двигатель постоянного тока (BLDC) с 4 полюсами и встроенным датчиком Холла (угол смещения 120 градусов). Номинальные параметры: напряжение 48 В, скорость 5000 об/мин, номинальный крутящий момент от 0.2 до 0.9 Н·м (номинальная мощность от 100 до 470 Вт). Двигатель обеспечивает постоянный момент от 0.24 до 1.08 Н·м и пиковый момент от 0.6 до 2.7 Н·м. Параметры обмотки варьируются: сопротивление фазы от 0.26 до 1.3 Ом, индуктивность от 0.5 до 1.9 мГн, постоянная момента 72 мН·м/А, константа обратной ЭДС 5.4 Vrms/KRPM. Момент инерции ротора - от 146 до 385 г·см².
Конструкция рассчитана на значительные нагрузки: максимальная радиальная нагрузка на вал 115 Н, осевая - 45 Н. Допуски: радиальный люфт вала 0.02 мм, осевой люфт 0.14 мм. Изоляция обмоток - класс B, диэлектрическая прочность 600VAC (1 с), сопротивление изоляции не менее 100 МОм при 500 VDC. Рабочий диапазон температур окружающей среды от -20°C до +50°C. Коммутация осуществляется через 8-проводной интерфейс (3 силовых провода AWG16 для фаз, 5 сигнальных AWG26 для датчиков Холла и питания). Длина корпуса моделей составляет 50.0 или 80.0 мм, масса - от 0.8 до 1.5 кг.
Электрическое соединение
| Число | Цвет | Тип | Функции | Описание |
|---|---|---|---|---|
| 1 | Красный | UL1332 AWG26 | Vcc | Питание положительное +5 ~ +24 В |
| 2 | Синий | V (Hv) | ||
| 3 | Зеленый | U (Hu) | ||
| 4 | Белый | W (Hw) | ||
| 5 | Черный | Земля | Мощность отрицательная | |
| 6 | Желтый | UL1332 AWG16 | Фаза U | |
| 7 | Красный | Фаза V | ||
| 8 | Черный | Фаза W |
Остались вопросы?
Не нашли нужную модель или нужна консультация по продукции? Наши менеджеры будут рады Вам помочь разобраться во всем. Просто заполните форму, и мы свяжемся с Вами как можно скорее.