FL38CBL - Экономичные двигатели BLDC
Техническое описание в формате .pdf
Заказ товара
Для того, чтобы сделать заказ, вы можете:
Прислать заявку по почте ring@upel.ru
Позвонить по тел./отправить факс на +7 (499) 490-03-65
Написать в Whatsapp
Мы работаем только с юридическими лицами. Соответственно, при оплате наших товаров используется только безналичный расчет. По предоплате и с НДС. Минимальная сумма заказа составляет пять тысяч рублей. Счет действителен в течение 3 рабочих дней.
Сроки отгрузки также указываются и в коммерческом предложении, и в счете. Мы делаем все возможные скидки крупным и постоянным клиентам. Если у вас есть достаточно крупный заказ или вы готовы заказывать регулярно — вам стоит обратиться к менеджеру и обсудить свою ПЕРСОНАЛЬНУЮ скидку.
Технические характеристики
| Характеристика | Значение |
|---|---|
| Производитель | Fulling Motor |
| Угол эффекта Холла | 120 градусов |
| Радиальный люфт | 0.02 мм при 450 г |
| Осевой люфт | 0.08 мм при 450 г |
| Максимальное радиальное усилие (Н) | 15 |
| Максимальное осевое усилие (Н) | 10 |
| Диэлектрическая прочность | 600VAC / 1s |
| Изоляционное сопротивление | 100MОм, 500VDC |
| Колебание температуры | -20°C~+50°C |
| Класс изоляции | Класс Б |
Стандартные модели
| Характеристика | Модель |
|---|---|
| FL38CBL58-24V-4030A | |
| Количество полюсов | 4 |
| Количество фаз | 3 |
| Номинальное напряжение (VDC) | 24 |
| Номинальный крутящий момент (мН·м) | 70 |
| Постоянный крутящий момент (мН·м) | 84 |
| Номинальная скорость (об/мин) | 4000 |
| Номинальная мощность (Вт) | 30 |
| Пиковый крутящий момент (мН·м) | 210 |
| Ток (А) | 4.8 |
| Сопротивление (Ом) | 2 |
| Индуктивность (мГн) | 1.5 |
| Постоянная крутящего момента (мН·м/А) | 44.55 |
| Обратная ЭДС (Vrms/KRPM) | 3.3 |
| Инерция ротора (г·см²) | 36 |
| Длина двигателя (мм) | 58.0 |
| Масса (кг) | 0.24 |
FL38CBL58-24V-4030A
| Количество полюсов | 4 |
| Количество фаз | 3 |
| Номинальное напряжение (VDC) | 24 |
| Номинальный крутящий момент (мН·м) | 70 |
| Постоянный крутящий момент (мН·м) | 84 |
| Номинальная скорость (об/мин) | 4000 |
| Номинальная мощность (Вт) | 30 |
| Пиковый крутящий момент (мН·м) | 210 |
| Ток (А) | 4.8 |
| Сопротивление (Ом) | 2 |
| Индуктивность (мГн) | 1.5 |
| Постоянная крутящего момента (мН·м/А) | 44.55 |
| Обратная ЭДС (Vrms/KRPM) | 3.3 |
| Инерция ротора (г·см²) | 36 |
| Длина двигателя (мм) | 58.0 |
| Масса (кг) | 0.24 |
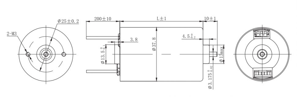
Общее описание
Модель FL38CBL - экономичный трехфазный бесщеточный двигатель постоянного тока (BLDC) с 4 полюсами и встроенным датчиком Холла (угол смещения 120 градусов). Номинальные параметры: напряжение 24 В, скорость 4000 об/мин, крутящий момент 70 мН·м (номинальная мощность 30 Вт) при токе 4.8 А. Двигатель обеспечивает постоянный момент 84 мН·м и пиковый момент до 210 мН·м. Параметры обмотки: сопротивление фазы 2 Ом, индуктивность 1.5 мГн, постоянная момента 44.55 мН·м/А, константа обратной ЭДС 3.3 Vrms/KRPM. Момент инерции ротора - 36 г·см².
Конструкция рассчитана на максимальную радиальную нагрузку на вал 15 Н, осевую - 10 Н. Допуски: радиальный люфт вала 0.02 мм при нагрузке 450 г, осевой люфт 0.08 мм при нагрузке 450 г. Изоляция обмоток - класс B, диэлектрическая прочность 600 VAC (1 с), сопротивление изоляции не менее 100 МОм при 500 VDC. Рабочий диапазон температур окружающей среды от -20°C до +50°C. Коммутация через 8-проводной интерфейс (3 силовых провода AWG22 для фаз, 5 сигнальных AWG26 для датчиков Холла). Длина корпуса - 58.0 мм, масса - 0.24 кг.
Электрическое соединение
| Тип | Цвет | Функции |
|---|---|---|
| UL1430 AWG26 | Красный | Vcc |
| Синий | U (Hu) | |
| Зеленый | Y (Hу) | |
| Белый | W (Hw) | |
| Черный | Земля | |
| UL1430 AWG22 | Желтый | Фаза U |
| Красный | Фаза V | |
| Черный | Фаза W |
Остались вопросы?
Не нашли нужную модель или нужна консультация по продукции? Наши менеджеры будут рады Вам помочь разобраться во всем. Просто заполните форму, и мы свяжемся с Вами как можно скорее.