FL28CBLA - Экономичные двигатели BLDC
Техническое описание в формате .pdf
Заказ товара
Для того, чтобы сделать заказ, вы можете:
Прислать заявку по почте ring@upel.ru
Позвонить по тел./отправить факс на +7 (499) 490-03-65
Написать в Whatsapp
Мы работаем только с юридическими лицами. Соответственно, при оплате наших товаров используется только безналичный расчет. По предоплате и с НДС. Минимальная сумма заказа составляет пять тысяч рублей. Счет действителен в течение 3 рабочих дней.
Сроки отгрузки также указываются и в коммерческом предложении, и в счете. Мы делаем все возможные скидки крупным и постоянным клиентам. Если у вас есть достаточно крупный заказ или вы готовы заказывать регулярно — вам стоит обратиться к менеджеру и обсудить свою ПЕРСОНАЛЬНУЮ скидку.
Технические характеристики
| Характеристика | Значение |
|---|---|
| Производитель | Fulling Motor |
| Угол эффекта Холла | 120 градусов |
| Радиальный люфт | 0.02 мм при 450 г |
| Осевой люфт | 0.08 мм при 450 г |
| Максимальное радиальное усилие (Н) | 5 |
| Максимальное осевое усилие (Н) | 2 |
| Диэлектрическая прочность | 600VAC / 1s |
| Изоляционное сопротивление | 100MОм, 500VDC |
| Колебание температуры | -20°C~+50°C |
| Класс изоляции | Класс Б |
Стандартные модели
| Характеристика | Модель | |
|---|---|---|
| FL28CBLA38-24V-4012A | FL28CBLA48-24V-4524A | |
| Количество полюсов | 8 | 8 |
| Количество фаз | 3 | 3 |
| Номинальное напряжение (VDC) | 24 | 24 |
| Номинальный крутящий момент (мН·м) | 28 | 50 |
| Постоянный крутящий момент (мН·м) | 33.6 | 60 |
| Номинальная скорость (об/мин) | 4000 | 4500 |
| Номинальная мощность (Вт) | 12 | 24 |
| Пиковый крутящий момент (мН·м) | 84 | 150 |
| Ток (А) | 2 | 4.5 |
| Сопротивление (Ом) | 5.7 | 2.5 |
| Индуктивность (мГн) | 2.48 | 1.2 |
| Постоянная крутящего момента (мН·м/А) | 42.8 | 36 |
| Обратная ЭДС (Vrms/KRPM) | 3.165 | 2.68 |
| Инерция ротора (г·см²) | 5.8 | 7.3 |
| Длина двигателя (мм) | 38.0 | 48.0 |
| Масса (кг) | 0.095 | 0.12 |
FL28CBLA38-24V-4012A
| Количество полюсов | 8 |
| Количество фаз | 3 |
| Номинальное напряжение (VDC) | 24 |
| Номинальный крутящий момент (мН·м) | 28 |
| Постоянный крутящий момент (мН·м) | 33.6 |
| Номинальная скорость (об/мин) | 4000 |
| Номинальная мощность (Вт) | 12 |
| Пиковый крутящий момент (мН·м) | 84 |
| Ток (А) | 2 |
| Сопротивление (Ом) | 5.7 |
| Индуктивность (мГн) | 2.48 |
| Постоянная крутящего момента (мН·м/А) | 42.8 |
| Обратная ЭДС (Vrms/KRPM) | 3.165 |
| Инерция ротора (г·см²) | 5.8 |
| Длина двигателя (мм) | 38.0 |
| Масса (кг) | 0.095 |
FL28CBLA48-24V-4524A
| Количество полюсов | 8 |
| Количество фаз | 3 |
| Номинальное напряжение (VDC) | 24 |
| Номинальный крутящий момент (мН·м) | 50 |
| Постоянный крутящий момент (мН·м) | 60 |
| Номинальная скорость (об/мин) | 4500 |
| Номинальная мощность (Вт) | 24 |
| Пиковый крутящий момент (мН·м) | 150 |
| Ток (А) | 4.5 |
| Сопротивление (Ом) | 2.5 |
| Индуктивность (мГн) | 1.2 |
| Постоянная крутящего момента (мН·м/А) | 36 |
| Обратная ЭДС (Vrms/KRPM) | 2.68 |
| Инерция ротора (г·см²) | 7.3 |
| Длина двигателя (мм) | 48.0 |
| Масса (кг) | 0.12 |
Общее описание
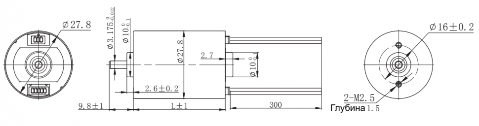
Модель FL28CBLA - экономичный трехфазный бесщеточный двигатель постоянного тока (BLDC) с 8 полюсами и встроенным датчиком Холла (угол смещения 120 градусов). Номинальные параметры: напряжение 24 В, скорость 4000 об/мин, крутящий момент 28 мН·м (номинальная мощность 12 Вт) при токе 2 А. Двигатель обеспечивает постоянный момент 33.6 мН·м и пиковый момент до 84 мН·м. Параметры обмотки: сопротивление фазы 5.7 Ом, индуктивность 2.48 мГн, постоянная момента 42.8 мН·м/А, константа обратной ЭДС 3.165 Vrms/KRPM. Момент инерции ротора - 5.8 г·см².
Конструкция рассчитана на максимальную радиальную нагрузку на вал 5 Н, осевую - 2 Н. Допуски: радиальный люфт вала 0.02 мм при нагрузке 450 г, осевой люфт 0.08 мм при нагрузке 450 г. Изоляция обмоток - класс B, диэлектрическая прочность 600 VAC (1 с), сопротивление изоляции не менее 100 МОм при 500 VDC. Рабочий диапазон температур окружающей среды от -20°C до +50°C. Коммутация через 8-проводной интерфейс (3 силовых провода AWG22 для фаз, 5 сигнальных AWG28 для датчиков Холла). Длина корпуса - 38.0 мм, масса - 0.095 кг.
Электрическое соединение
| Тип | Цвет | Функции |
|---|---|---|
| UL1061 AWG28 | Желтый | Vcc |
| Синий | U (Hu) | |
| Оранжевый | Y (Hу) | |
| Коричневый | W (Hw) | |
| Белый | Земля | |
| UL1007 AWG22 | Зеленый | Фаза U |
| Красный | Фаза V | |
| Черный | Фаза W |
Остались вопросы?
Не нашли нужную модель или нужна консультация по продукции? Наши менеджеры будут рады Вам помочь разобраться во всем. Просто заполните форму, и мы свяжемся с Вами как можно скорее.