FL28CBL-IE3 - Драйверы IE для бесщёточных двигателей
Техническое описание в формате .pdf
Заказ товара
Для того, чтобы сделать заказ, вы можете:
Прислать заявку по почте ring@upel.ru
Позвонить по тел./отправить факс на +7 (499) 490-03-65
Написать в Whatsapp
Мы работаем только с юридическими лицами. Соответственно, при оплате наших товаров используется только безналичный расчет. По предоплате и с НДС. Минимальная сумма заказа составляет пять тысяч рублей. Счет действителен в течение 3 рабочих дней.
Сроки отгрузки также указываются и в коммерческом предложении, и в счете. Мы делаем все возможные скидки крупным и постоянным клиентам. Если у вас есть достаточно крупный заказ или вы готовы заказывать регулярно — вам стоит обратиться к менеджеру и обсудить свою ПЕРСОНАЛЬНУЮ скидку.
Технические характеристики
| Характеристика | Значение |
|---|---|
| Производитель | Fulling Motor |
Общее описание
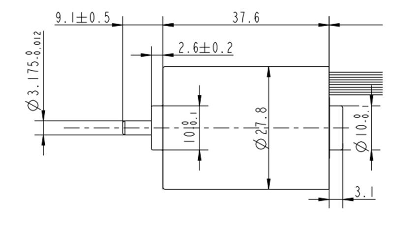
Модель FL28CBL-IE3 - драйвер IE для бесщёточных двигателей с широким входным диапазоном постоянного напряжения от 18 В до 28 В. Обеспечивает регулировку скорости с помощью ШИМ-сигнала (5 В, 20 кГц) и поддерживает основные функции управления: реверс (F/R), торможение (BK) и вывод сигнала обратной связи по скорости (PG). Оснащён защитой от пониженного напряжения, перегрузки по току и блокировки ротора. Драйвер предназначен для интеграции в малогабаритные автоматизированные системы, такие как намоточное оборудование, станки, упаковочные машины и робототехнические устройства.
Характеристики
1) Входное напряжение 18 В постоянного тока ~ 28 В постоянного тока, широкий диапазон входного напряжения
2) Применение ШИМ-регулирования скорости
3) Оснащен такими функциями, как обратная связь по скорости, вращение вперед и назад, торможение и т. д.
4) Имеет функции защиты, такие как пониженное напряжение, перегрузка по току и блокировка ротора.
5) Сверхвысокая рентабельность, экономическая эффективность
6) Допустимая кастомизация
Области применения
Широко используется в различных малых и средних автоматизированных устройствах и приборах, таких как электронное обрабатывающее оборудование, нестандартное автоматизированное оборудование 3C, машины для фиксации винтов, машины для зачистки проводов, намоточные машины, терминальные станки, лазерные станки, маркировочные машины, машины для окраски распылением, небольшие и средние резьбовые станки, автоматическое захватное оборудование, специализированные станки с ЧПУ, упаковочное оборудование и роботы.
Управление режимом регулирования скорости
Внешняя регулировка скорости с помощью ШИМ: для регулировки скорости между ШИМ и GND может применяться цифровой сигнал широтно-импульсной модуляции (ШИМ) с амплитудой 5 В и частотой 20 кГц, а скорость двигателя линейно регулируется его рабочим циклом.
Порт управления
| Номер пин-кода | Сигнал | Функция | Объяснение |
|---|---|---|---|
| 1 | PWM | Сигнал регулирования скорости | Регулировка скорости ШИМ: 0 ~ 5%, Полная скорость 5 ~ 95%, Линейное регулирование скорости 95 ~ 100% прекращается |
| 2 | PG | Сигнал скорости | Уровень TTL-5 В,1 импульс / 1 антиполярный / поворот |
| 3 | F/R | Направленный сигнал | Подвешен или подключен к высокому уровню напряжения: CW(4 В ~ 5 В) Подключение к низкому уровню: против часовой стрелки (0 В ~ 0.5 В) |
| 4 | BK | Сигнал тормоза | Недействительно при подвешенном состоянии или подключении к высокому уровню (4 - 5 В) Подключено к низкоуровневому тормозному сигналу (0 В ~ 0.5 В) |
Порт питания
| Номер пин-кода | Сигнал | Описание функции |
|---|---|---|
| 1 | VDD | Вход питания положительный , входное напряжение 18 В ~ 28 В постоянного тока |
| 2 | Земля | Отрицательная клемма входного питания |
Остались вопросы?
Не нашли нужную модель или нужна консультация по продукции? Наши менеджеры будут рады Вам помочь разобраться во всем. Просто заполните форму, и мы свяжемся с Вами как можно скорее.