TK795 - Cерводвигатели с прямым приводом TK Series
Техническое описание в формате .pdf
Заказ товара
Для того, чтобы сделать заказ, вы можете:
Прислать заявку по почте ring@upel.ru
Позвонить по тел./отправить факс на +7 (499) 490-03-65
Написать в Whatsapp
Мы работаем только с юридическими лицами. Соответственно, при оплате наших товаров используется только безналичный расчет. По предоплате и с НДС. Минимальная сумма заказа составляет пять тысяч рублей. Счет действителен в течение 3 рабочих дней.
Сроки отгрузки также указываются и в коммерческом предложении, и в счете. Мы делаем все возможные скидки крупным и постоянным клиентам. Если у вас есть достаточно крупный заказ или вы готовы заказывать регулярно — вам стоит обратиться к менеджеру и обсудить свою ПЕРСОНАЛЬНУЮ скидку.
Технические характеристики
| Характеристика | Значение |
|---|---|
| Производитель | Physis |
Стандартные модели
| Характеристика | Модель | |||
|---|---|---|---|---|
| TK795-134-68C | TK795-120-95C | TK795-230-16C | TK795-450-48C | |
| Номинальная скорость (об/мин) | 60 | 50 | 450 | 100 |
| Максимальная скорость (об/мин) | 500 | 90 | 900 | 140 |
| Номинальный ток (A) | 86.8 | 53 | 454 | 360 |
| Номинальный крутящий момент (Н·м) | 4806 | 4700 | 6500 | 15236 |
| Номинальная мощность (Вт) | 30.2 | 24.6 | 306.3 | 159.6 |
| Постоянная крутящего момента (Н·м/А) | 66.65 | 92.8 | 15.65 | 47.6 |
| Максимальный ток (А) | 166 | 200 | 1103 | 763 |
| Максимальный крутящий момент (Н·м) | 8294 | 10200 | 15841 | 30288 |
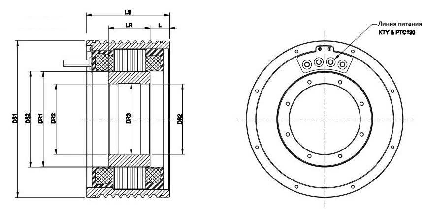
| DS1 | 571 | 825 | 827 | 830 |
| DS2 | 550 | 690 | 690 | 690 |
| DS3 | 503 | - | - | - |
| DS4 | 500 | - | - | - |
| DR1 | 498.2 | 686.8 | 686.8 | 686.8 |
| DR2 | 445 | 630 | 600 | 650 |
| DR3 | 447 | 631 | 602 | 652 |
| Stk | 84 | - | - | - |
| Tax1 | 23 | - | - | - |
| Tax | 16 | - | - | - |
| LR | 100 | 215 | 265 | 466 |
| L | 8 | 30.5 | 17.5 | 82 |
| LS | - | - | 230 | 600 |
TK795-134-68C
| Номинальная скорость (об/мин) | 60 |
| Максимальная скорость (об/мин) | 500 |
| Номинальный ток (A) | 86.8 |
| Номинальный крутящий момент (Н·м) | 4806 |
| Номинальная мощность (Вт) | 30.2 |
| Постоянная крутящего момента (Н·м/А) | 66.65 |
| Максимальный ток (А) | 166 |
| Максимальный крутящий момент (Н·м) | 8294 |
| DS1 | 571 |
| DS2 | 550 |
| DS3 | 503 |
| DS4 | 500 |
| DR1 | 498.2 |
| DR2 | 445 |
| DR3 | 447 |
| Stk | 84 |
| Tax1 | 23 |
| Tax | 16 |
| LR | 100 |
| L | 8 |
| LS | - |
TK795-120-95C
| Номинальная скорость (об/мин) | 50 |
| Максимальная скорость (об/мин) | 90 |
| Номинальный ток (A) | 53 |
| Номинальный крутящий момент (Н·м) | 4700 |
| Номинальная мощность (Вт) | 24.6 |
| Постоянная крутящего момента (Н·м/А) | 92.8 |
| Максимальный ток (А) | 200 |
| Максимальный крутящий момент (Н·м) | 10200 |
| DS1 | 825 |
| DS2 | 690 |
| DS3 | - |
| DS4 | - |
| DR1 | 686.8 |
| DR2 | 630 |
| DR3 | 631 |
| Stk | - |
| Tax1 | - |
| Tax | - |
| LR | 215 |
| L | 30.5 |
| LS | - |
TK795-230-16C
| Номинальная скорость (об/мин) | 450 |
| Максимальная скорость (об/мин) | 900 |
| Номинальный ток (A) | 454 |
| Номинальный крутящий момент (Н·м) | 6500 |
| Номинальная мощность (Вт) | 306.3 |
| Постоянная крутящего момента (Н·м/А) | 15.65 |
| Максимальный ток (А) | 1103 |
| Максимальный крутящий момент (Н·м) | 15841 |
| DS1 | 827 |
| DS2 | 690 |
| DS3 | - |
| DS4 | - |
| DR1 | 686.8 |
| DR2 | 600 |
| DR3 | 602 |
| Stk | - |
| Tax1 | - |
| Tax | - |
| LR | 265 |
| L | 17.5 |
| LS | 230 |
TK795-450-48C
| Номинальная скорость (об/мин) | 100 |
| Максимальная скорость (об/мин) | 140 |
| Номинальный ток (A) | 360 |
| Номинальный крутящий момент (Н·м) | 15236 |
| Номинальная мощность (Вт) | 159.6 |
| Постоянная крутящего момента (Н·м/А) | 47.6 |
| Максимальный ток (А) | 763 |
| Максимальный крутящий момент (Н·м) | 30288 |
| DS1 | 830 |
| DS2 | 690 |
| DS3 | - |
| DS4 | - |
| DR1 | 686.8 |
| DR2 | 650 |
| DR3 | 652 |
| Stk | - |
| Tax1 | - |
| Tax | - |
| LR | 466 |
| L | 82 |
| LS | 600 |
Общее описание
Модель TK795 представляет собой серводвигатель с прямым приводом. Ключевые технические параметры включают номинальную мощность до 306.3 Вт, номинальную скорость до 450 об/мин и высокий номинальный крутящий момент до 15236 Н·м.
Конструктивные особенности двигателя гарантируют его стабильную и точную работу: прямое приводное исполнение, исключительно высокий максимальный крутящий момент до 30288 Н·м и расширенный диапазон рабочих токов. Унифицированные геометрические параметры (такие как DS1, DR1, LR) способствуют упрощённой интеграции в различные системы.
Особенности серии серводвигателей с прямым приводом TK Series
- Высокая мощность ( использование высокопроизводительных магнитных материалов, высококачественной кремнистой листовой стали, передовых электромагнитных решений для достижения высокой скорости и высокого крутящего момента, а также возможности слабого магнитного управления, постоянного диапазона мощности до 10:1 )
- Высокая эффективность ( предоставляет решения, соответствующие GB30549, наивысшему уровню, и IEC60034, наивысшему уровню IE5. Простая структура: без рамной конструкции, подходит для интеграции в оборудование, высокая адаптивность, простая установка, простота обслуживания )
- Простая структура ( безрамная конструкция, подходит для интеграции в оборудование, высокая адаптивность, простота установки, простота обслуживания )
- Надежный ( в статоре используется технология вакуумной эпоксидной заливки и изоляционный материал высочайшего промышленного уровня для повышения уровня защиты и эффективности рассеивания тепла двигателя, благодаря чему двигатель становится более долговечным )
- Гибкая настройка ( полная комплектация машины и отсутствие рамы (по желанию заказчика) обеспечивает полный спектр нестандартных решений по настройке на основе платформы для различных вариантов применения, максимальный диаметр до 45 м )
Остались вопросы?
Не нашли нужную модель или нужна консультация по продукции? Наши менеджеры будут рады Вам помочь разобраться во всем. Просто заполните форму, и мы свяжемся с Вами как можно скорее.