TK615 - Cерводвигатели с прямым приводом TK Series
Техническое описание в формате .pdf
Заказ товара
Для того, чтобы сделать заказ, вы можете:
Прислать заявку по почте ring@upel.ru
Позвонить по тел./отправить факс на +7 (499) 490-03-65
Написать в Whatsapp
Мы работаем только с юридическими лицами. Соответственно, при оплате наших товаров используется только безналичный расчет. По предоплате и с НДС. Минимальная сумма заказа составляет пять тысяч рублей. Счет действителен в течение 3 рабочих дней.
Сроки отгрузки также указываются и в коммерческом предложении, и в счете. Мы делаем все возможные скидки крупным и постоянным клиентам. Если у вас есть достаточно крупный заказ или вы готовы заказывать регулярно — вам стоит обратиться к менеджеру и обсудить свою ПЕРСОНАЛЬНУЮ скидку.
Технические характеристики
| Характеристика | Значение |
|---|---|
| Производитель | Physis |
Стандартные модели
| Характеристика | Модель | |
|---|---|---|
| TK615-260-21C | TK615-500-39Y | |
| Номинальная скорость (об/мин) | 250 | 150 |
| Максимальная скорость (об/мин) | 400 | 201 |
| Номинальный ток (A) | 274 | 250 |
| Номинальный крутящий момент (Н·м) | 5430 | 8452 |
| Номинальная мощность (Вт) | 142.2 | 132.8 |
| Постоянная крутящего момента (Н·м/А) | 20.72 | 39.07 |
| Максимальный ток (А) | 780 | 528 |
| Максимальный крутящий момент (Н·м) | 15390 | 15306 |
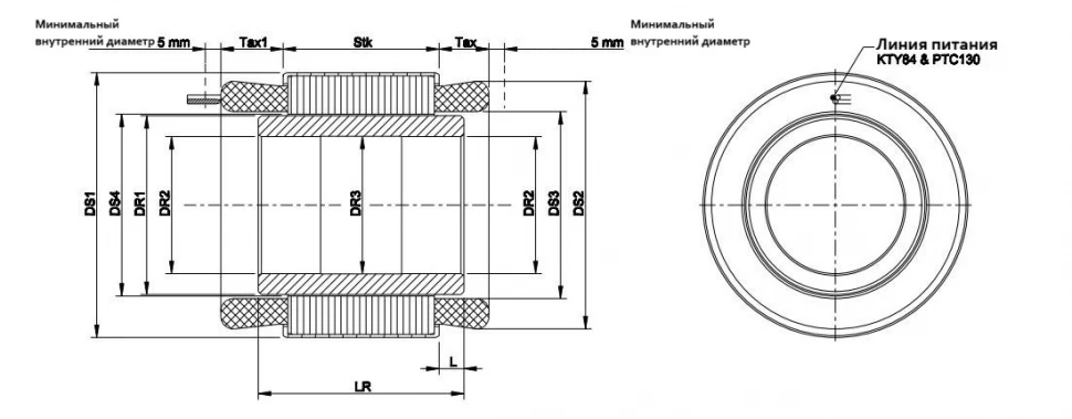
| DS1 | 615 | 615 |
| DS2 | 591 | 591 |
| DS3 | 539 | 539 |
| DS4 | 534.8 | 534.8 |
| DR1 | 532.2 | 532.2 |
| DR2 | 200 | 497 |
| DR3 | 201 | 494 |
| Stk | 260 | 504 |
| Tax1 | 38 | 38 |
| Tax | 28 | 28 |
| LR | 280 | 510 |
| L | 10 | 3 |
TK615-260-21C
| Номинальная скорость (об/мин) | 250 |
| Максимальная скорость (об/мин) | 400 |
| Номинальный ток (A) | 274 |
| Номинальный крутящий момент (Н·м) | 5430 |
| Номинальная мощность (Вт) | 142.2 |
| Постоянная крутящего момента (Н·м/А) | 20.72 |
| Максимальный ток (А) | 780 |
| Максимальный крутящий момент (Н·м) | 15390 |
| DS1 | 615 |
| DS2 | 591 |
| DS3 | 539 |
| DS4 | 534.8 |
| DR1 | 532.2 |
| DR2 | 200 |
| DR3 | 201 |
| Stk | 260 |
| Tax1 | 38 |
| Tax | 28 |
| LR | 280 |
| L | 10 |
TK615-500-39Y
| Номинальная скорость (об/мин) | 150 |
| Максимальная скорость (об/мин) | 201 |
| Номинальный ток (A) | 250 |
| Номинальный крутящий момент (Н·м) | 8452 |
| Номинальная мощность (Вт) | 132.8 |
| Постоянная крутящего момента (Н·м/А) | 39.07 |
| Максимальный ток (А) | 528 |
| Максимальный крутящий момент (Н·м) | 15306 |
| DS1 | 615 |
| DS2 | 591 |
| DS3 | 539 |
| DS4 | 534.8 |
| DR1 | 532.2 |
| DR2 | 497 |
| DR3 | 494 |
| Stk | 504 |
| Tax1 | 38 |
| Tax | 28 |
| LR | 510 |
| L | 3 |
Общее описание
Модель TK615 представляет собой серводвигатель с прямым приводом. Ключевые технические параметры включают номинальную мощность до 142.2 Вт, номинальную скорость до 250 об/мин и высокий номинальный крутящий момент до 8452 Н·м.
Конструктивные особенности двигателя гарантируют его стабильную и точную работу: прямое приводное исполнение, исключительно высокий максимальный крутящий момент до 15390 Н·м и расширенный диапазон рабочих токов. Унифицированные геометрические параметры (такие как DS1, DR1, Stk) способствуют упрощённой интеграции в различные системы.
Особенности серии серводвигателей с прямым приводом TK Series
- Высокая мощность ( использование высокопроизводительных магнитных материалов, высококачественной кремнистой листовой стали, передовых электромагнитных решений для достижения высокой скорости и высокого крутящего момента, а также возможности слабого магнитного управления, постоянного диапазона мощности до 10:1 )
- Высокая эффективность ( предоставляет решения, соответствующие GB30549, наивысшему уровню, и IEC60034, наивысшему уровню IE5. Простая структура: без рамной конструкции, подходит для интеграции в оборудование, высокая адаптивность, простая установка, простота обслуживания )
- Простая структура ( безрамная конструкция, подходит для интеграции в оборудование, высокая адаптивность, простота установки, простота обслуживания )
- Надежный ( в статоре используется технология вакуумной эпоксидной заливки и изоляционный материал высочайшего промышленного уровня для повышения уровня защиты и эффективности рассеивания тепла двигателя, благодаря чему двигатель становится более долговечным )
- Гибкая настройка ( полная комплектация машины и отсутствие рамы (по желанию заказчика) обеспечивает полный спектр нестандартных решений по настройке на основе платформы для различных вариантов применения, максимальный диаметр до 45 м )
Остались вопросы?
Не нашли нужную модель или нужна консультация по продукции? Наши менеджеры будут рады Вам помочь разобраться во всем. Просто заполните форму, и мы свяжемся с Вами как можно скорее.