TK450 - Cерводвигатели с прямым приводом TK Series
Техническое описание в формате .pdf
Заказ товара
Для того, чтобы сделать заказ, вы можете:
Прислать заявку по почте ring@upel.ru
Позвонить по тел./отправить факс на +7 (499) 490-03-65
Написать в Whatsapp
Мы работаем только с юридическими лицами. Соответственно, при оплате наших товаров используется только безналичный расчет. По предоплате и с НДС. Минимальная сумма заказа составляет пять тысяч рублей. Счет действителен в течение 3 рабочих дней.
Сроки отгрузки также указываются и в коммерческом предложении, и в счете. Мы делаем все возможные скидки крупным и постоянным клиентам. Если у вас есть достаточно крупный заказ или вы готовы заказывать регулярно — вам стоит обратиться к менеджеру и обсудить свою ПЕРСОНАЛЬНУЮ скидку.
Технические характеристики
| Характеристика | Значение |
|---|---|
| Производитель | Physis |
Стандартные модели
| Характеристика | Модель | ||||
|---|---|---|---|---|---|
| TK450-140-54C | TK450-200-093C | TK450-240-15C | TK450-300-12C | TK450-440-14C | |
| Номинальная скорость (об/мин) | 70 | 650 | 300 | 474 | 450 |
| Максимальная скорость (об/мин) | 125 | 800 | 420 | 578 | 700 |
| Номинальный ток (A) | 27 | 235 | 166.7 | 335 | 303.7 |
| Номинальный крутящий момент (Н·м) | 1321 | 1960 | 2299 | 2678 | 3945 |
| Номинальная мощность (Вт) | 9.7 | 133.4 | 72.2 | 168.27 | 185.9 |
| Постоянная крутящего момента (Н·м/А) | 54.17 | 9.3 | 15.79 | 11.73 | 14.35 |
| Максимальный ток (А) | 53 | 260 | 516 | 586 | 880 |
| Максимальный крутящий момент (Н·м) | 2575 | 3872 | 4886 | 5497 | 9469 |
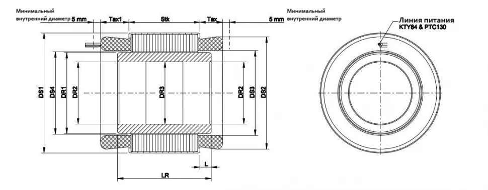
| DS1 | 450 | 450 | 450 | 450 | 450 |
| DS2 | 430 | 430 | 432 | 430 | 432 |
| DS3 | 364 | 364 | 363 | 364 | 363 |
| DS4 | 360 | 360 | 360 | 360 | 360 |
| DR1 | 358 | 358 | 358 | 358 | 358 |
| DR2 | 315 | 321 | 321 | 321 | 316 |
| DR3 | 316 | 321.5 | 321.5 | 321.5 | 313 |
| Stk | 144 | 204 | 304 | 304 | 443 |
| Tax1 | 31 | 43 | 33 | 33 | 44.5 |
| Tax | 23 | 27 | 25 | 25 | 25.5 |
| LR | 160 | 250 | 350 | 350 | 460 |
| L | 8 | 23 | 23 | 23 | 8.5 |
TK450-140-54C
| Номинальная скорость (об/мин) | 70 |
| Максимальная скорость (об/мин) | 125 |
| Номинальный ток (A) | 27 |
| Номинальный крутящий момент (Н·м) | 1321 |
| Номинальная мощность (Вт) | 9.7 |
| Постоянная крутящего момента (Н·м/А) | 54.17 |
| Максимальный ток (А) | 53 |
| Максимальный крутящий момент (Н·м) | 2575 |
| DS1 | 450 |
| DS2 | 430 |
| DS3 | 364 |
| DS4 | 360 |
| DR1 | 358 |
| DR2 | 315 |
| DR3 | 316 |
| Stk | 144 |
| Tax1 | 31 |
| Tax | 23 |
| LR | 160 |
| L | 8 |
TK450-200-093C
| Номинальная скорость (об/мин) | 650 |
| Максимальная скорость (об/мин) | 800 |
| Номинальный ток (A) | 235 |
| Номинальный крутящий момент (Н·м) | 1960 |
| Номинальная мощность (Вт) | 133.4 |
| Постоянная крутящего момента (Н·м/А) | 9.3 |
| Максимальный ток (А) | 260 |
| Максимальный крутящий момент (Н·м) | 3872 |
| DS1 | 450 |
| DS2 | 430 |
| DS3 | 364 |
| DS4 | 360 |
| DR1 | 358 |
| DR2 | 321 |
| DR3 | 321.5 |
| Stk | 204 |
| Tax1 | 43 |
| Tax | 27 |
| LR | 250 |
| L | 23 |
TK450-240-15C
| Номинальная скорость (об/мин) | 300 |
| Максимальная скорость (об/мин) | 420 |
| Номинальный ток (A) | 166.7 |
| Номинальный крутящий момент (Н·м) | 2299 |
| Номинальная мощность (Вт) | 72.2 |
| Постоянная крутящего момента (Н·м/А) | 15.79 |
| Максимальный ток (А) | 516 |
| Максимальный крутящий момент (Н·м) | 4886 |
| DS1 | 450 |
| DS2 | 432 |
| DS3 | 363 |
| DS4 | 360 |
| DR1 | 358 |
| DR2 | 321 |
| DR3 | 321.5 |
| Stk | 304 |
| Tax1 | 33 |
| Tax | 25 |
| LR | 350 |
| L | 23 |
TK450-300-12C
| Номинальная скорость (об/мин) | 474 |
| Максимальная скорость (об/мин) | 578 |
| Номинальный ток (A) | 335 |
| Номинальный крутящий момент (Н·м) | 2678 |
| Номинальная мощность (Вт) | 168.27 |
| Постоянная крутящего момента (Н·м/А) | 11.73 |
| Максимальный ток (А) | 586 |
| Максимальный крутящий момент (Н·м) | 5497 |
| DS1 | 450 |
| DS2 | 430 |
| DS3 | 364 |
| DS4 | 360 |
| DR1 | 358 |
| DR2 | 321 |
| DR3 | 321.5 |
| Stk | 304 |
| Tax1 | 33 |
| Tax | 25 |
| LR | 350 |
| L | 23 |
TK450-440-14C
| Номинальная скорость (об/мин) | 450 |
| Максимальная скорость (об/мин) | 700 |
| Номинальный ток (A) | 303.7 |
| Номинальный крутящий момент (Н·м) | 3945 |
| Номинальная мощность (Вт) | 185.9 |
| Постоянная крутящего момента (Н·м/А) | 14.35 |
| Максимальный ток (А) | 880 |
| Максимальный крутящий момент (Н·м) | 9469 |
| DS1 | 450 |
| DS2 | 432 |
| DS3 | 363 |
| DS4 | 360 |
| DR1 | 358 |
| DR2 | 316 |
| DR3 | 313 |
| Stk | 443 |
| Tax1 | 44.5 |
| Tax | 25.5 |
| LR | 460 |
| L | 8.5 |
Общее описание
Модель TK450 представляет собой серводвигатель с прямым приводом. Ключевые технические параметры включают номинальную мощность до 185.9 Вт, номинальную скорость до 650 об/мин и номинальный крутящий момент до 3945 Н·м.
Конструктивные особенности двигателя обеспечивают его надежную и точную работу: прямое приводное исполнение, высокий максимальный крутящий момент до 9469 Н·м и широкий диапазон рабочих токов. Унифицированные геометрические параметры облегчают интеграцию в различные системы.
Особенности серии серводвигателей с прямым приводом TK Series
- Высокая мощность ( использование высокопроизводительных магнитных материалов, высококачественной кремнистой листовой стали, передовых электромагнитных решений для достижения высокой скорости и высокого крутящего момента, а также возможности слабого магнитного управления, постоянного диапазона мощности до 10:1 )
- Высокая эффективность ( предоставляет решения, соответствующие GB30549, наивысшему уровню, и IEC60034, наивысшему уровню IE5. Простая структура: без рамной конструкции, подходит для интеграции в оборудование, высокая адаптивность, простая установка, простота обслуживания )
- Простая структура ( безрамная конструкция, подходит для интеграции в оборудование, высокая адаптивность, простота установки, простота обслуживания )
- Надежный ( в статоре используется технология вакуумной эпоксидной заливки и изоляционный материал высочайшего промышленного уровня для повышения уровня защиты и эффективности рассеивания тепла двигателя, благодаря чему двигатель становится более долговечным )
- Гибкая настройка ( полная комплектация машины и отсутствие рамы (по желанию заказчика) обеспечивает полный спектр нестандартных решений по настройке на основе платформы для различных вариантов применения, максимальный диаметр до 45 м )
Остались вопросы?
Не нашли нужную модель или нужна консультация по продукции? Наши менеджеры будут рады Вам помочь разобраться во всем. Просто заполните форму, и мы свяжемся с Вами как можно скорее.