TK370 - Cерводвигатели с прямым приводом TK Series
Техническое описание в формате .pdf
Заказ товара
Для того, чтобы сделать заказ, вы можете:
Прислать заявку по почте ring@upel.ru
Позвонить по тел./отправить факс на +7 (499) 490-03-65
Написать в Whatsapp
Мы работаем только с юридическими лицами. Соответственно, при оплате наших товаров используется только безналичный расчет. По предоплате и с НДС. Минимальная сумма заказа составляет пять тысяч рублей. Счет действителен в течение 3 рабочих дней.
Сроки отгрузки также указываются и в коммерческом предложении, и в счете. Мы делаем все возможные скидки крупным и постоянным клиентам. Если у вас есть достаточно крупный заказ или вы готовы заказывать регулярно — вам стоит обратиться к менеджеру и обсудить свою ПЕРСОНАЛЬНУЮ скидку.
Технические характеристики
| Характеристика | Значение |
|---|---|
| Производитель | Physis |
Стандартные модели
| Характеристика | Модель | |||
|---|---|---|---|---|
| TK370-170-30C | TK370-170-70A | TK370-260-11C | TK370-260-33C | |
| Номинальная скорость (об/мин) | 100 | 60 | 370 | 100 |
| Максимальная скорость (об/мин) | 430 | 120 | 533 | 250 |
| Номинальный ток (A) | 45.3 | 16 | 147 | 61.7 |
| Номинальный крутящий момент (Н·м) | 1200 | 615 | 1631 | 1536 |
| Номинальная мощность (Вт) | 12.6 | 3.9 | 63.2 | 16.1 |
| Постоянная крутящего момента (Н·м/А) | 31.23 | 40.66 | 12.04 | 26.87 |
| Максимальный ток (А) | 76 | 54 | 343 | 134 |
| Максимальный крутящий момент (Н·м) | 2122 | 2137 | 3308 | 3308 |
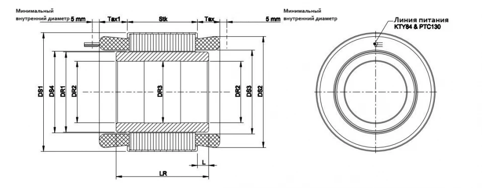
| DS1 | 374 | 370 | 370 | 370 |
| DS2 | 356 | 356 | 358 | 354 |
| DS3 | 304 | 304 | 304 | 304 |
| DS4 | 300 | 300 | 300 | 300 |
| DR1 | 294.4 | 298.4 | 298.4 | 298.4 |
| DR2 | 265 | 265 | 263 | 242 |
| DR3 | 265.6 | 265.6 | 264 | 243 |
| Stk | 174 | 170 | 264 | 264 |
| Tax1 | 25 | 27 | 36 | 30 |
| Tax | 19 | 21 | 23 | 18 |
| LR | 195 | 195 | 284 | 284 |
| L | 10.5 | 12.5 | 10 | 10 |
TK370-170-30C
| Номинальная скорость (об/мин) | 100 |
| Максимальная скорость (об/мин) | 430 |
| Номинальный ток (A) | 45.3 |
| Номинальный крутящий момент (Н·м) | 1200 |
| Номинальная мощность (Вт) | 12.6 |
| Постоянная крутящего момента (Н·м/А) | 31.23 |
| Максимальный ток (А) | 76 |
| Максимальный крутящий момент (Н·м) | 2122 |
| DS1 | 374 |
| DS2 | 356 |
| DS3 | 304 |
| DS4 | 300 |
| DR1 | 294.4 |
| DR2 | 265 |
| DR3 | 265.6 |
| Stk | 174 |
| Tax1 | 25 |
| Tax | 19 |
| LR | 195 |
| L | 10.5 |
TK370-170-70A
| Номинальная скорость (об/мин) | 60 |
| Максимальная скорость (об/мин) | 120 |
| Номинальный ток (A) | 16 |
| Номинальный крутящий момент (Н·м) | 615 |
| Номинальная мощность (Вт) | 3.9 |
| Постоянная крутящего момента (Н·м/А) | 40.66 |
| Максимальный ток (А) | 54 |
| Максимальный крутящий момент (Н·м) | 2137 |
| DS1 | 370 |
| DS2 | 356 |
| DS3 | 304 |
| DS4 | 300 |
| DR1 | 298.4 |
| DR2 | 265 |
| DR3 | 265.6 |
| Stk | 170 |
| Tax1 | 27 |
| Tax | 21 |
| LR | 195 |
| L | 12.5 |
TK370-260-11C
| Номинальная скорость (об/мин) | 370 |
| Максимальная скорость (об/мин) | 533 |
| Номинальный ток (A) | 147 |
| Номинальный крутящий момент (Н·м) | 1631 |
| Номинальная мощность (Вт) | 63.2 |
| Постоянная крутящего момента (Н·м/А) | 12.04 |
| Максимальный ток (А) | 343 |
| Максимальный крутящий момент (Н·м) | 3308 |
| DS1 | 370 |
| DS2 | 358 |
| DS3 | 304 |
| DS4 | 300 |
| DR1 | 298.4 |
| DR2 | 263 |
| DR3 | 264 |
| Stk | 264 |
| Tax1 | 36 |
| Tax | 23 |
| LR | 284 |
| L | 10 |
TK370-260-33C
| Номинальная скорость (об/мин) | 100 |
| Максимальная скорость (об/мин) | 250 |
| Номинальный ток (A) | 61.7 |
| Номинальный крутящий момент (Н·м) | 1536 |
| Номинальная мощность (Вт) | 16.1 |
| Постоянная крутящего момента (Н·м/А) | 26.87 |
| Максимальный ток (А) | 134 |
| Максимальный крутящий момент (Н·м) | 3308 |
| DS1 | 370 |
| DS2 | 354 |
| DS3 | 304 |
| DS4 | 300 |
| DR1 | 298.4 |
| DR2 | 242 |
| DR3 | 243 |
| Stk | 264 |
| Tax1 | 30 |
| Tax | 18 |
| LR | 284 |
| L | 10 |
Общее описание
Модель TK370 представляет собой серводвигатель с прямым приводом. Ключевые технические параметры включают номинальную мощность до 63.2 Вт, номинальную скорость до 370 об/мин и номинальный крутящий момент до 1631 Н·м.
Конструктивные особенности двигателя обеспечивают его надежную и точную работу: прямое приводное исполнение, высокий максимальный крутящий момент до 3308 Н·м и широкий диапазон рабочих токов. Унифицированные геометрические параметры (такие как DS1, DR1, Stk) облегчают интеграцию в различные системы.
Особенности серии серводвигателей с прямым приводом TK Series
- Высокая мощность ( использование высокопроизводительных магнитных материалов, высококачественной кремнистой листовой стали, передовых электромагнитных решений для достижения высокой скорости и высокого крутящего момента, а также возможности слабого магнитного управления, постоянного диапазона мощности до 10:1 )
- Высокая эффективность ( предоставляет решения, соответствующие GB30549, наивысшему уровню, и IEC60034, наивысшему уровню IE5. Простая структура: без рамной конструкции, подходит для интеграции в оборудование, высокая адаптивность, простая установка, простота обслуживания )
- Простая структура ( безрамная конструкция, подходит для интеграции в оборудование, высокая адаптивность, простота установки, простота обслуживания )
- Надежный ( в статоре используется технология вакуумной эпоксидной заливки и изоляционный материал высочайшего промышленного уровня для повышения уровня защиты и эффективности рассеивания тепла двигателя, благодаря чему двигатель становится более долговечным )
- Гибкая настройка ( полная комплектация машины и отсутствие рамы (по желанию заказчика) обеспечивает полный спектр нестандартных решений по настройке на основе платформы для различных вариантов применения, максимальный диаметр до 45 м )
Остались вопросы?
Не нашли нужную модель или нужна консультация по продукции? Наши менеджеры будут рады Вам помочь разобраться во всем. Просто заполните форму, и мы свяжемся с Вами как можно скорее.