TK360 - Cерводвигатели с прямым приводом TK Series
Техническое описание в формате .pdf
Заказ товара
Для того, чтобы сделать заказ, вы можете:
Прислать заявку по почте ring@upel.ru
Позвонить по тел./отправить факс на +7 (499) 490-03-65
Написать в Whatsapp
Мы работаем только с юридическими лицами. Соответственно, при оплате наших товаров используется только безналичный расчет. По предоплате и с НДС. Минимальная сумма заказа составляет пять тысяч рублей. Счет действителен в течение 3 рабочих дней.
Сроки отгрузки также указываются и в коммерческом предложении, и в счете. Мы делаем все возможные скидки крупным и постоянным клиентам. Если у вас есть достаточно крупный заказ или вы готовы заказывать регулярно — вам стоит обратиться к менеджеру и обсудить свою ПЕРСОНАЛЬНУЮ скидку.
Технические характеристики
| Характеристика | Значение |
|---|---|
| Производитель | Physis |
Стандартные модели
| Характеристика | Модель | |||||
|---|---|---|---|---|---|---|
| TK360-130-36C | TK360-140-09C | TK360-160-18Y | TK360-270-21C | TK360-300-18C | TK360-400-32C | |
| Номинальная скорость (об/мин) | 100 | 580 | 300 | 245 | 250 | 200 |
| Максимальная скорость (об/мин) | 200 | 745 | 380 | 300 | 300 | 211 |
| Номинальный ток (A) | 24.4 | 94.7 | 47.5 | 58.4 | 95 | 78 |
| Номинальный крутящий момент (Н·м) | 768 | 758 | 723 | 1150 | 1549 | 1919 |
| Номинальная мощность (Вт) | 8 | 46 | 22.7 | 29.5 | 40.5 | 40.2 |
| Постоянная крутящего момента (Н·м/А) | 36.05 | 9.09 | 17.62 | 21.38 | 18.2 | 31.76 |
| Максимальный ток (А) | 59 | 192 | 113 | 147 | 207 | 160 |
| Максимальный крутящий момент (Н·м) | 1694 | 1474 | 1711 | 2719 | 3207 | 4276 |
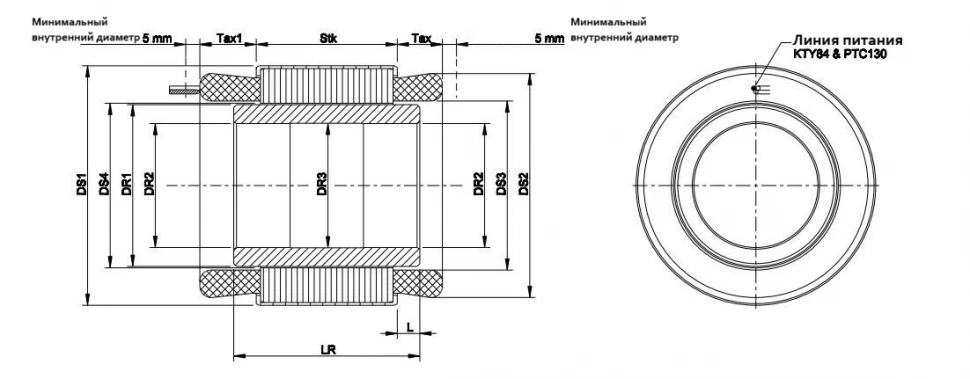
| DS1 | 360 | 360 | 360 | 360 | 360 | 360 |
| DS2 | 344 | 344 | 344 | 344 | 344 | 344 |
| DS3 | 279 | 279 | 279 | 279 | 279 | 279 |
| DS4 | 275 | 275 | 275 | 275 | 275 | 275 |
| DR1 | 273.6 | 273.6 | 273.6 | 273.6 | 273.6 | 273.6 |
| DR2 | 220 | 261 | 237 | 237 | 236 | 238 |
| DR3 | 222 | 261.5 | 235 | 235 | 234 | 240 |
| Stk | 130 | 144 | 164 | 274 | 304 | 404 |
| Tax1 | 30 | 30 | 36 | 36 | 36 | 36 |
| Tax | 18 | 18 | 18 | 18 | 18 | 18 |
| LR | 146 | 166 | 180 | 300 | 322 | 406 |
| L | 8 | 11 | 8 | 13 | 9 | 1 |
TK360-130-36C
| Номинальная скорость (об/мин) | 100 |
| Максимальная скорость (об/мин) | 200 |
| Номинальный ток (A) | 24.4 |
| Номинальный крутящий момент (Н·м) | 768 |
| Номинальная мощность (Вт) | 8 |
| Постоянная крутящего момента (Н·м/А) | 36.05 |
| Максимальный ток (А) | 59 |
| Максимальный крутящий момент (Н·м) | 1694 |
| DS1 | 360 |
| DS2 | 344 |
| DS3 | 279 |
| DS4 | 275 |
| DR1 | 273.6 |
| DR2 | 220 |
| DR3 | 222 |
| Stk | 130 |
| Tax1 | 30 |
| Tax | 18 |
| LR | 146 |
| L | 8 |
TK360-140-09C
| Номинальная скорость (об/мин) | 580 |
| Максимальная скорость (об/мин) | 745 |
| Номинальный ток (A) | 94.7 |
| Номинальный крутящий момент (Н·м) | 758 |
| Номинальная мощность (Вт) | 46 |
| Постоянная крутящего момента (Н·м/А) | 9.09 |
| Максимальный ток (А) | 192 |
| Максимальный крутящий момент (Н·м) | 1474 |
| DS1 | 360 |
| DS2 | 344 |
| DS3 | 279 |
| DS4 | 275 |
| DR1 | 273.6 |
| DR2 | 261 |
| DR3 | 261.5 |
| Stk | 144 |
| Tax1 | 30 |
| Tax | 18 |
| LR | 166 |
| L | 11 |
TK360-160-18Y
| Номинальная скорость (об/мин) | 300 |
| Максимальная скорость (об/мин) | 380 |
| Номинальный ток (A) | 47.5 |
| Номинальный крутящий момент (Н·м) | 723 |
| Номинальная мощность (Вт) | 22.7 |
| Постоянная крутящего момента (Н·м/А) | 17.62 |
| Максимальный ток (А) | 113 |
| Максимальный крутящий момент (Н·м) | 1711 |
| DS1 | 360 |
| DS2 | 344 |
| DS3 | 279 |
| DS4 | 275 |
| DR1 | 273.6 |
| DR2 | 237 |
| DR3 | 235 |
| Stk | 164 |
| Tax1 | 36 |
| Tax | 18 |
| LR | 180 |
| L | 8 |
TK360-270-21C
| Номинальная скорость (об/мин) | 245 |
| Максимальная скорость (об/мин) | 300 |
| Номинальный ток (A) | 58.4 |
| Номинальный крутящий момент (Н·м) | 1150 |
| Номинальная мощность (Вт) | 29.5 |
| Постоянная крутящего момента (Н·м/А) | 21.38 |
| Максимальный ток (А) | 147 |
| Максимальный крутящий момент (Н·м) | 2719 |
| DS1 | 360 |
| DS2 | 344 |
| DS3 | 279 |
| DS4 | 275 |
| DR1 | 273.6 |
| DR2 | 237 |
| DR3 | 235 |
| Stk | 274 |
| Tax1 | 36 |
| Tax | 18 |
| LR | 300 |
| L | 13 |
TK360-300-18C
| Номинальная скорость (об/мин) | 250 |
| Максимальная скорость (об/мин) | 300 |
| Номинальный ток (A) | 95 |
| Номинальный крутящий момент (Н·м) | 1549 |
| Номинальная мощность (Вт) | 40.5 |
| Постоянная крутящего момента (Н·м/А) | 18.2 |
| Максимальный ток (А) | 207 |
| Максимальный крутящий момент (Н·м) | 3207 |
| DS1 | 360 |
| DS2 | 344 |
| DS3 | 279 |
| DS4 | 275 |
| DR1 | 273.6 |
| DR2 | 236 |
| DR3 | 234 |
| Stk | 304 |
| Tax1 | 36 |
| Tax | 18 |
| LR | 322 |
| L | 9 |
TK360-400-32C
| Номинальная скорость (об/мин) | 200 |
| Максимальная скорость (об/мин) | 211 |
| Номинальный ток (A) | 78 |
| Номинальный крутящий момент (Н·м) | 1919 |
| Номинальная мощность (Вт) | 40.2 |
| Постоянная крутящего момента (Н·м/А) | 31.76 |
| Максимальный ток (А) | 160 |
| Максимальный крутящий момент (Н·м) | 4276 |
| DS1 | 360 |
| DS2 | 344 |
| DS3 | 279 |
| DS4 | 275 |
| DR1 | 273.6 |
| DR2 | 238 |
| DR3 | 240 |
| Stk | 404 |
| Tax1 | 36 |
| Tax | 18 |
| LR | 406 |
| L | 1 |
Общее описание
Модель TK360 представляет собой серводвигатель с прямым приводом. Ключевые технические параметры включают номинальную мощность до 46 Вт, номинальную скорость до 580 об/мин и номинальный крутящий момент до 1919 Н·м.
Конструктивные особенности двигателя обеспечивают его надежную и точную работу: прямое приводное исполнение, высокий максимальный крутящий момент до 4276 Н·м и широкий диапазон рабочих токов. Унифицированные геометрические параметры (такие как DS1, DR1, Stk) облегчают интеграцию в различные системы.
Особенности серии серводвигателей с прямым приводом TK Series
- Высокая мощность ( использование высокопроизводительных магнитных материалов, высококачественной кремнистой листовой стали, передовых электромагнитных решений для достижения высокой скорости и высокого крутящего момента, а также возможности слабого магнитного управления, постоянного диапазона мощности до 10:1 )
- Высокая эффективность ( предоставляет решения, соответствующие GB30549, наивысшему уровню, и IEC60034, наивысшему уровню IE5. Простая структура: без рамной конструкции, подходит для интеграции в оборудование, высокая адаптивность, простая установка, простота обслуживания )
- Простая структура ( безрамная конструкция, подходит для интеграции в оборудование, высокая адаптивность, простота установки, простота обслуживания )
- Надежный ( в статоре используется технология вакуумной эпоксидной заливки и изоляционный материал высочайшего промышленного уровня для повышения уровня защиты и эффективности рассеивания тепла двигателя, благодаря чему двигатель становится более долговечным )
- Гибкая настройка ( полная комплектация машины и отсутствие рамы (по желанию заказчика) обеспечивает полный спектр нестандартных решений по настройке на основе платформы для различных вариантов применения, максимальный диаметр до 45 м )
Остались вопросы?
Не нашли нужную модель или нужна консультация по продукции? Наши менеджеры будут рады Вам помочь разобраться во всем. Просто заполните форму, и мы свяжемся с Вами как можно скорее.