TK310 - Cерводвигатели с прямым приводом TK Series
Техническое описание в формате .pdf
Заказ товара
Для того, чтобы сделать заказ, вы можете:
Прислать заявку по почте ring@upel.ru
Позвонить по тел./отправить факс на +7 (499) 490-03-65
Написать в Whatsapp
Мы работаем только с юридическими лицами. Соответственно, при оплате наших товаров используется только безналичный расчет. По предоплате и с НДС. Минимальная сумма заказа составляет пять тысяч рублей. Счет действителен в течение 3 рабочих дней.
Сроки отгрузки также указываются и в коммерческом предложении, и в счете. Мы делаем все возможные скидки крупным и постоянным клиентам. Если у вас есть достаточно крупный заказ или вы готовы заказывать регулярно — вам стоит обратиться к менеджеру и обсудить свою ПЕРСОНАЛЬНУЮ скидку.
Технические характеристики
| Характеристика | Значение |
|---|---|
| Производитель | Physis |
Стандартные модели
| Характеристика | Модель | ||
|---|---|---|---|
| TK310-035-15C | TK310-070-15C | TK310-160-45C | |
| Номинальная скорость (об/мин) | 100 | 275 | 78 |
| Максимальная скорость (об/мин) | 460 | 430 | 150 |
| Номинальный ток (A) | 9.8 | 20.7 | 19.1 |
| Номинальный крутящий момент (Н·м) | 123.5 | 279 | 780 |
| Номинальная мощность (Вт) | 1.3 | 8 | 6.4 |
| Постоянная крутящего момента (Н·м/А) | 14.62 | 15.57 | 45.09 |
| Максимальный ток (А) | 22 | 39 | 30 |
| Максимальный крутящий момент (Н·м) | 242 | 480 | 1064 |
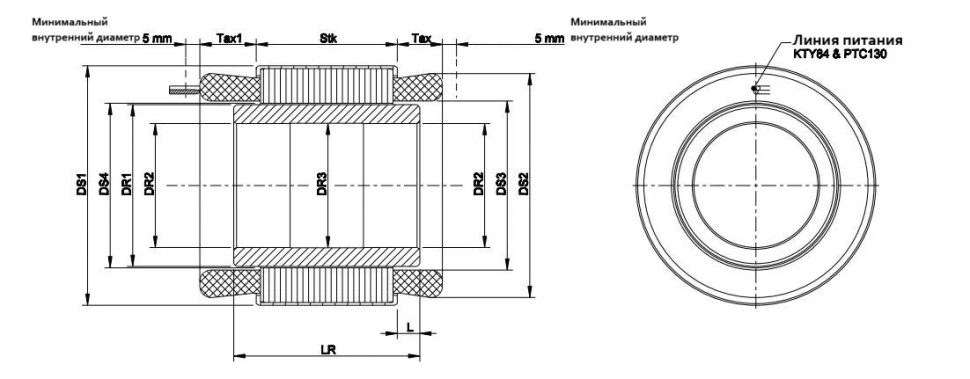
| DS1 | 295.5 | 295.5 | 295.5 |
| DS2 | 284 | 284 | 284 |
| DS3 | 234 | 234 | 234 |
| DS4 | 230 | 230 | 230 |
| DR1 | 228.6 | 228.6 | 229.2 |
| DR2 | 199 | 200 | 199 |
| DR3 | 200 | 200.6 | 200 |
| Stk | 39 | 72 | 164 |
| Tax1 | 20 | 20 | 20 |
| Tax | 17 | 17 | 17 |
| LR | 52 | 90 | 177 |
| L | 6.5 | 9 | 6.5 |
TK310-035-15C
| Номинальная скорость (об/мин) | 100 |
| Максимальная скорость (об/мин) | 460 |
| Номинальный ток (A) | 9.8 |
| Номинальный крутящий момент (Н·м) | 123.5 |
| Номинальная мощность (Вт) | 1.3 |
| Постоянная крутящего момента (Н·м/А) | 14.62 |
| Максимальный ток (А) | 22 |
| Максимальный крутящий момент (Н·м) | 242 |
| DS1 | 295.5 |
| DS2 | 284 |
| DS3 | 234 |
| DS4 | 230 |
| DR1 | 228.6 |
| DR2 | 199 |
| DR3 | 200 |
| Stk | 39 |
| Tax1 | 20 |
| Tax | 17 |
| LR | 52 |
| L | 6.5 |
TK310-070-15C
| Номинальная скорость (об/мин) | 275 |
| Максимальная скорость (об/мин) | 430 |
| Номинальный ток (A) | 20.7 |
| Номинальный крутящий момент (Н·м) | 279 |
| Номинальная мощность (Вт) | 8 |
| Постоянная крутящего момента (Н·м/А) | 15.57 |
| Максимальный ток (А) | 39 |
| Максимальный крутящий момент (Н·м) | 480 |
| DS1 | 295.5 |
| DS2 | 284 |
| DS3 | 234 |
| DS4 | 230 |
| DR1 | 228.6 |
| DR2 | 200 |
| DR3 | 200.6 |
| Stk | 72 |
| Tax1 | 20 |
| Tax | 17 |
| LR | 90 |
| L | 9 |
TK310-160-45C
| Номинальная скорость (об/мин) | 78 |
| Максимальная скорость (об/мин) | 150 |
| Номинальный ток (A) | 19.1 |
| Номинальный крутящий момент (Н·м) | 780 |
| Номинальная мощность (Вт) | 6.4 |
| Постоянная крутящего момента (Н·м/А) | 45.09 |
| Максимальный ток (А) | 30 |
| Максимальный крутящий момент (Н·м) | 1064 |
| DS1 | 295.5 |
| DS2 | 284 |
| DS3 | 234 |
| DS4 | 230 |
| DR1 | 229.2 |
| DR2 | 199 |
| DR3 | 200 |
| Stk | 164 |
| Tax1 | 20 |
| Tax | 17 |
| LR | 177 |
| L | 6.5 |
Общее описание
Модель TK310 представляет собой серводвигатель с прямым приводом. Ключевые технические параметры включают номинальную мощность до 8 Вт, номинальную скорость до 275 об/мин и номинальный крутящий момент до 780 Н·м.
Конструктивные особенности двигателя обеспечивают его надежную и точную работу: прямое приводное исполнение, высокий максимальный крутящий момент до 1064 Н·м и широкий диапазон рабочих токов. Унифицированные геометрические параметры (такие как DS1, DR1, Stk) облегчают интеграцию в различные системы.
Особенности серии серводвигателей с прямым приводом TK Series
- Высокая мощность ( использование высокопроизводительных магнитных материалов, высококачественной кремнистой листовой стали, передовых электромагнитных решений для достижения высокой скорости и высокого крутящего момента, а также возможности слабого магнитного управления, постоянного диапазона мощности до 10:1 )
- Высокая эффективность ( предоставляет решения, соответствующие GB30549, наивысшему уровню, и IEC60034, наивысшему уровню IE5. Простая структура: без рамной конструкции, подходит для интеграции в оборудование, высокая адаптивность, простая установка, простота обслуживания )
- Простая структура ( безрамная конструкция, подходит для интеграции в оборудование, высокая адаптивность, простота установки, простота обслуживания )
- Надежный ( в статоре используется технология вакуумной эпоксидной заливки и изоляционный материал высочайшего промышленного уровня для повышения уровня защиты и эффективности рассеивания тепла двигателя, благодаря чему двигатель становится более долговечным )
- Гибкая настройка ( полная комплектация машины и отсутствие рамы (по желанию заказчика) обеспечивает полный спектр нестандартных решений по настройке на основе платформы для различных вариантов применения, максимальный диаметр до 45 м )
Остались вопросы?
Не нашли нужную модель или нужна консультация по продукции? Наши менеджеры будут рады Вам помочь разобраться во всем. Просто заполните форму, и мы свяжемся с Вами как можно скорее.