TK270 - Cерводвигатели с прямым приводом TK Series
Техническое описание в формате .pdf
Заказ товара
Для того, чтобы сделать заказ, вы можете:
Прислать заявку по почте ring@upel.ru
Позвонить по тел./отправить факс на +7 (499) 490-03-65
Написать в Whatsapp
Мы работаем только с юридическими лицами. Соответственно, при оплате наших товаров используется только безналичный расчет. По предоплате и с НДС. Минимальная сумма заказа составляет пять тысяч рублей. Счет действителен в течение 3 рабочих дней.
Сроки отгрузки также указываются и в коммерческом предложении, и в счете. Мы делаем все возможные скидки крупным и постоянным клиентам. Если у вас есть достаточно крупный заказ или вы готовы заказывать регулярно — вам стоит обратиться к менеджеру и обсудить свою ПЕРСОНАЛЬНУЮ скидку.
Технические характеристики
| Характеристика | Значение |
|---|---|
| Производитель | Physis |
Стандартные модели
| Характеристика | Модель | ||
|---|---|---|---|
| TK270-080-06A | TK270-140-28C | TK270-220-063C | |
| Номинальная скорость (об/мин) | 950 | 120 | 700 |
| Максимальная скорость (об/мин) | 1140 | 240 | 3000 |
| Номинальный ток (A) | 18.5 | 15.2 | 100.4 |
| Номинальный крутящий момент (Н·м) | 95 | 395 | 570 |
| Номинальная мощность (Вт) | 9.5 | 5 | 41.8 |
| Постоянная крутящего момента (Н·м/А) | 5.73 | 28.03 | 6.31 |
| Максимальный ток (А) | 99 | 30 | 240 |
| Максимальный крутящий момент (Н·м) | 452 | 792 | 1046 |
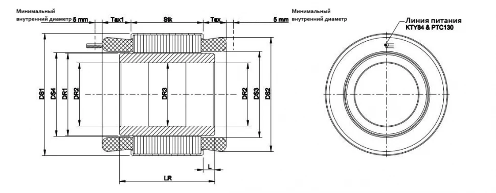
| DS1 | 269 | 273 | 273 |
| DS2 | 254 | 256 | 256 |
| DS3 | 203 | 204 | 204 |
| DS4 | 200 | 200 | 200 |
| DR1 | 198 | 198 | 198 |
| DR2 | 120 | 160 | 160 |
| DR3 | 121 | 161 | 161 |
| Stk | 80 | 143 | 223 |
| Tax1 | 33 | 29.5 | 35.5 |
| Tax | 23 | 19.5 | 22.5 |
| LR | 100 | 154 | 234 |
| L | 10 | 5.5 | 5.5 |
TK270-080-06A
| Номинальная скорость (об/мин) | 950 |
| Максимальная скорость (об/мин) | 1140 |
| Номинальный ток (A) | 18.5 |
| Номинальный крутящий момент (Н·м) | 95 |
| Номинальная мощность (Вт) | 9.5 |
| Постоянная крутящего момента (Н·м/А) | 5.73 |
| Максимальный ток (А) | 99 |
| Максимальный крутящий момент (Н·м) | 452 |
| DS1 | 269 |
| DS2 | 254 |
| DS3 | 203 |
| DS4 | 200 |
| DR1 | 198 |
| DR2 | 120 |
| DR3 | 121 |
| Stk | 80 |
| Tax1 | 33 |
| Tax | 23 |
| LR | 100 |
| L | 10 |
TK270-140-28C
| Номинальная скорость (об/мин) | 120 |
| Максимальная скорость (об/мин) | 240 |
| Номинальный ток (A) | 15.2 |
| Номинальный крутящий момент (Н·м) | 395 |
| Номинальная мощность (Вт) | 5 |
| Постоянная крутящего момента (Н·м/А) | 28.03 |
| Максимальный ток (А) | 30 |
| Максимальный крутящий момент (Н·м) | 792 |
| DS1 | 273 |
| DS2 | 256 |
| DS3 | 204 |
| DS4 | 200 |
| DR1 | 198 |
| DR2 | 160 |
| DR3 | 161 |
| Stk | 143 |
| Tax1 | 29.5 |
| Tax | 19.5 |
| LR | 154 |
| L | 5.5 |
TK270-220-063C
| Номинальная скорость (об/мин) | 700 |
| Максимальная скорость (об/мин) | 3000 |
| Номинальный ток (A) | 100.4 |
| Номинальный крутящий момент (Н·м) | 570 |
| Номинальная мощность (Вт) | 41.8 |
| Постоянная крутящего момента (Н·м/А) | 6.31 |
| Максимальный ток (А) | 240 |
| Максимальный крутящий момент (Н·м) | 1046 |
| DS1 | 273 |
| DS2 | 256 |
| DS3 | 204 |
| DS4 | 200 |
| DR1 | 198 |
| DR2 | 160 |
| DR3 | 161 |
| Stk | 223 |
| Tax1 | 35.5 |
| Tax | 22.5 |
| LR | 234 |
| L | 5.5 |
Общее описание
Модель TK270 представляет собой серводвигатель с прямым приводом. Ключевые технические параметры включают номинальную мощность до 41.8 Вт, номинальную скорость до 950 об/мин и номинальный крутящий момент до 570 Н·м.
Конструктивные особенности двигателя обеспечивают его надежную и точную работу: прямое приводное исполнение, высокий максимальный крутящий момент до 1046 Н·м и широкий диапазон рабочих токов. Унифицированные геометрические параметры (такие как DS1, DR1, Stk) облегчают интеграцию в различные системы.
Особенности серии серводвигателей с прямым приводом TK Series
- Высокая мощность ( использование высокопроизводительных магнитных материалов, высококачественной кремнистой листовой стали, передовых электромагнитных решений для достижения высокой скорости и высокого крутящего момента, а также возможности слабого магнитного управления, постоянного диапазона мощности до 10:1 )
- Высокая эффективность ( предоставляет решения, соответствующие GB30549, наивысшему уровню, и IEC60034, наивысшему уровню IE5. Простая структура: без рамной конструкции, подходит для интеграции в оборудование, высокая адаптивность, простая установка, простота обслуживания )
- Простая структура ( безрамная конструкция, подходит для интеграции в оборудование, высокая адаптивность, простота установки, простота обслуживания )
- Надежный ( в статоре используется технология вакуумной эпоксидной заливки и изоляционный материал высочайшего промышленного уровня для повышения уровня защиты и эффективности рассеивания тепла двигателя, благодаря чему двигатель становится более долговечным )
- Гибкая настройка ( полная комплектация машины и отсутствие рамы (по желанию заказчика) обеспечивает полный спектр нестандартных решений по настройке на основе платформы для различных вариантов применения, максимальный диаметр до 45 м )
Остались вопросы?
Не нашли нужную модель или нужна консультация по продукции? Наши менеджеры будут рады Вам помочь разобраться во всем. Просто заполните форму, и мы свяжемся с Вами как можно скорее.