TK240 - Cерводвигатели с прямым приводом TK Series
Техническое описание в формате .pdf
Заказ товара
Для того, чтобы сделать заказ, вы можете:
Прислать заявку по почте ring@upel.ru
Позвонить по тел./отправить факс на +7 (499) 490-03-65
Написать в Whatsapp
Мы работаем только с юридическими лицами. Соответственно, при оплате наших товаров используется только безналичный расчет. По предоплате и с НДС. Минимальная сумма заказа составляет пять тысяч рублей. Счет действителен в течение 3 рабочих дней.
Сроки отгрузки также указываются и в коммерческом предложении, и в счете. Мы делаем все возможные скидки крупным и постоянным клиентам. Если у вас есть достаточно крупный заказ или вы готовы заказывать регулярно — вам стоит обратиться к менеджеру и обсудить свою ПЕРСОНАЛЬНУЮ скидку.
Технические характеристики
| Характеристика | Значение |
|---|---|
| Производитель | Physis |
Стандартные модели
| Характеристика | Модель | ||||
|---|---|---|---|---|---|
| TK240-070-017C | TK240-075-02C | TK240-110-02C | TK240-120-12C | TK240-140-04C | |
| Номинальная скорость (об/мин) | 250 | 3000 | 3000 | 300 | 1150 |
| Максимальная скорость (об/мин) | 400 | 3224 | 3646 | 560 | 4000 |
| Номинальный ток (A) | 8 | 50 | 83 | 21.8 | 63.2 |
| Номинальный крутящий момент (Н·м) | 116 | 92 | 141 | 234 | 220 |
| Номинальная мощность (Вт) | 3 | 28.8 | 44.3 | 7.4 | 26.5 |
| Постоянная крутящего момента (Н·м/А) | 16.63 | 2 | 2 | 12.05 | 3.93 |
| Максимальный ток (А) | 23 | 220 | 352 | 54 | 199 |
| Максимальный крутящий момент (Н·м) | 303 | 337 | 503 | 520 | 606 |
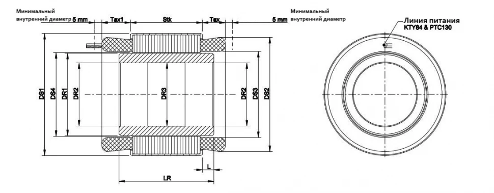
| DS1 | 241 | 241 | 241 | 241 | 241 |
| DS2 | 228 | 232 | 228 | 228 | 226 |
| DS3 | 179.4 | 179.4 | 179.4 | 179.4 | 180.4 |
| DS4 | 175 | 175 | 175 | 175 | 175 |
| DR1 | 173.4 | 173.4 | 173 | 173.4 | 173.4 |
| DR2 | 139 | 54 | 106 | 139 | 140 |
| DR3 | 140 | 54 | 107 | 140 | 141 |
| Stk | 73 | 78 | 113 | 123 | 143 |
| Tax1 | 28.5 | 26 | 32 | 28.5 | 28.5 |
| Tax | 22.5 | 24 | 22 | 22.5 | 22.5 |
| LR | 86 | 95.5 | 130 | 136 | 156 |
| L | 6.5 | 8.75 | 8.5 | 6.5 | 6.5 |
TK240-070-017C
| Номинальная скорость (об/мин) | 250 |
| Максимальная скорость (об/мин) | 400 |
| Номинальный ток (A) | 8 |
| Номинальный крутящий момент (Н·м) | 116 |
| Номинальная мощность (Вт) | 3 |
| Постоянная крутящего момента (Н·м/А) | 16.63 |
| Максимальный ток (А) | 23 |
| Максимальный крутящий момент (Н·м) | 303 |
| DS1 | 241 |
| DS2 | 228 |
| DS3 | 179.4 |
| DS4 | 175 |
| DR1 | 173.4 |
| DR2 | 139 |
| DR3 | 140 |
| Stk | 73 |
| Tax1 | 28.5 |
| Tax | 22.5 |
| LR | 86 |
| L | 6.5 |
TK240-075-02C
| Номинальная скорость (об/мин) | 3000 |
| Максимальная скорость (об/мин) | 3224 |
| Номинальный ток (A) | 50 |
| Номинальный крутящий момент (Н·м) | 92 |
| Номинальная мощность (Вт) | 28.8 |
| Постоянная крутящего момента (Н·м/А) | 2 |
| Максимальный ток (А) | 220 |
| Максимальный крутящий момент (Н·м) | 337 |
| DS1 | 241 |
| DS2 | 232 |
| DS3 | 179.4 |
| DS4 | 175 |
| DR1 | 173.4 |
| DR2 | 54 |
| DR3 | 54 |
| Stk | 78 |
| Tax1 | 26 |
| Tax | 24 |
| LR | 95.5 |
| L | 8.75 |
TK240-110-02C
| Номинальная скорость (об/мин) | 3000 |
| Максимальная скорость (об/мин) | 3646 |
| Номинальный ток (A) | 83 |
| Номинальный крутящий момент (Н·м) | 141 |
| Номинальная мощность (Вт) | 44.3 |
| Постоянная крутящего момента (Н·м/А) | 2 |
| Максимальный ток (А) | 352 |
| Максимальный крутящий момент (Н·м) | 503 |
| DS1 | 241 |
| DS2 | 228 |
| DS3 | 179.4 |
| DS4 | 175 |
| DR1 | 173 |
| DR2 | 106 |
| DR3 | 107 |
| Stk | 113 |
| Tax1 | 32 |
| Tax | 22 |
| LR | 130 |
| L | 8.5 |
TK240-120-12C
| Номинальная скорость (об/мин) | 300 |
| Максимальная скорость (об/мин) | 560 |
| Номинальный ток (A) | 21.8 |
| Номинальный крутящий момент (Н·м) | 234 |
| Номинальная мощность (Вт) | 7.4 |
| Постоянная крутящего момента (Н·м/А) | 12.05 |
| Максимальный ток (А) | 54 |
| Максимальный крутящий момент (Н·м) | 520 |
| DS1 | 241 |
| DS2 | 228 |
| DS3 | 179.4 |
| DS4 | 175 |
| DR1 | 173.4 |
| DR2 | 139 |
| DR3 | 140 |
| Stk | 123 |
| Tax1 | 28.5 |
| Tax | 22.5 |
| LR | 136 |
| L | 6.5 |
TK240-140-04C
| Номинальная скорость (об/мин) | 1150 |
| Максимальная скорость (об/мин) | 4000 |
| Номинальный ток (A) | 63.2 |
| Номинальный крутящий момент (Н·м) | 220 |
| Номинальная мощность (Вт) | 26.5 |
| Постоянная крутящего момента (Н·м/А) | 3.93 |
| Максимальный ток (А) | 199 |
| Максимальный крутящий момент (Н·м) | 606 |
| DS1 | 241 |
| DS2 | 226 |
| DS3 | 180.4 |
| DS4 | 175 |
| DR1 | 173.4 |
| DR2 | 140 |
| DR3 | 141 |
| Stk | 143 |
| Tax1 | 28.5 |
| Tax | 22.5 |
| LR | 156 |
| L | 6.5 |
Общее описание
Модель TK240 представляет собой серводвигатель с прямым приводом. Ключевые технические параметры включают номинальную мощность до 44.3 Вт, номинальную скорость до 3000 об/мин и номинальный крутящий момент до 234 Н·м.
Конструктивные особенности двигателя гарантируют его стабильную и точную работу: прямое приводное исполнение, высокий максимальный крутящий момент до 606 Н·м и широкий диапазон рабочих токов. Унифицированные геометрические параметры (такие как DS1, DR1, Stk) упрощают интеграцию в различные системы.
Особенности серии серводвигателей с прямым приводом TK Series
- Высокая мощность ( использование высокопроизводительных магнитных материалов, высококачественной кремнистой листовой стали, передовых электромагнитных решений для достижения высокой скорости и высокого крутящего момента, а также возможности слабого магнитного управления, постоянного диапазона мощности до 10:1 )
- Высокая эффективность ( предоставляет решения, соответствующие GB30549, наивысшему уровню, и IEC60034, наивысшему уровню IE5. Простая структура: без рамной конструкции, подходит для интеграции в оборудование, высокая адаптивность, простая установка, простота обслуживания )
- Простая структура ( безрамная конструкция, подходит для интеграции в оборудование, высокая адаптивность, простота установки, простота обслуживания )
- Надежный ( в статоре используется технология вакуумной эпоксидной заливки и изоляционный материал высочайшего промышленного уровня для повышения уровня защиты и эффективности рассеивания тепла двигателя, благодаря чему двигатель становится более долговечным )
- Гибкая настройка ( полная комплектация машины и отсутствие рамы (по желанию заказчика) обеспечивает полный спектр нестандартных решений по настройке на основе платформы для различных вариантов применения, максимальный диаметр до 45 м )
Остались вопросы?
Не нашли нужную модель или нужна консультация по продукции? Наши менеджеры будут рады Вам помочь разобраться во всем. Просто заполните форму, и мы свяжемся с Вами как можно скорее.