TK230 - Cерводвигатели с прямым приводом TK Series
Техническое описание в формате .pdf
Заказ товара
Для того, чтобы сделать заказ, вы можете:
Прислать заявку по почте ring@upel.ru
Позвонить по тел./отправить факс на +7 (499) 490-03-65
Написать в Whatsapp
Мы работаем только с юридическими лицами. Соответственно, при оплате наших товаров используется только безналичный расчет. По предоплате и с НДС. Минимальная сумма заказа составляет пять тысяч рублей. Счет действителен в течение 3 рабочих дней.
Сроки отгрузки также указываются и в коммерческом предложении, и в счете. Мы делаем все возможные скидки крупным и постоянным клиентам. Если у вас есть достаточно крупный заказ или вы готовы заказывать регулярно — вам стоит обратиться к менеджеру и обсудить свою ПЕРСОНАЛЬНУЮ скидку.
Технические характеристики
| Характеристика | Значение |
|---|---|
| Производитель | Physis |
Стандартные модели
| Характеристика | Модель | ||||
|---|---|---|---|---|---|
| TK230-035-023C | TK230-040-010C | TK230-040-016A | TK230-050-017C | TK230-100-010C | |
| Номинальная скорость (об/мин) | 1000 | 200 | 120 | 200 | 400 |
| Максимальная скорость (об/мин) | 2500 | 399 | 439 | 350 | 669 |
| Номинальный ток (A) | 35.4 | 8 | 2.7 | 6.5 | 22.7 |
| Номинальный крутящий момент (Н·м) | 71 | 71.4 | 39 | 100 | 203 |
| Номинальная мощность (Вт) | 7.4 | 1.5 | 0.5 | 2.1 | 8.5 |
| Постоянная крутящего момента (Н·м/А) | 2.29 | 9.83 | 15.84 | 17.2 | 10.12 |
| Максимальный ток (А) | 78 | 18 | 13 | 15 | 52 |
| Максимальный крутящий момент (Н·м) | 143 | 141 | 163 | 200 | 409 |
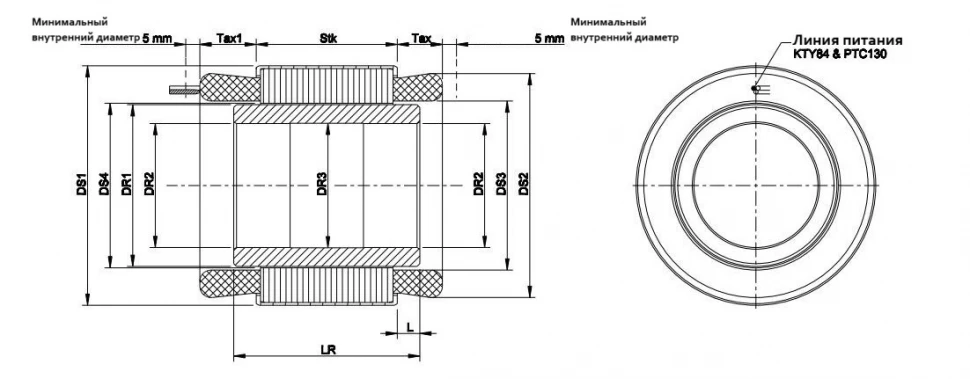
| DS1 | 221 | 221 | 218 | 221 | 221 |
| DS2 | 213 | 209 | 213 | 210 | 210 |
| DS3 | 173 | 173 | 173 | 174 | 174 |
| DS4 | 170 | 170 | 170 | 170 | 170 |
| DR1 | 168.8 | 168.8 | 168.8 | 168.8 | 168.8 |
| DR2 | 140 | 140 | 139 | 140 | 140 |
| DR3 | 140.5 | 140.5 | 140 | 140.5 | 141 |
| Stk | 38 | 43 | 40 | 53 | 103 |
| Tax1 | 19.5 | 19.5 | 21 | 19.5 | 19.5 |
| Tax | 14.5 | 14.5 | 16 | 15.5 | 14.5 |
| LR | 54 | 59 | 53 | 69 | 112 |
| L | 8 | 8 | 6.5 | 8 | 4.5 |
TK230-035-023C
| Номинальная скорость (об/мин) | 1000 |
| Максимальная скорость (об/мин) | 2500 |
| Номинальный ток (A) | 35.4 |
| Номинальный крутящий момент (Н·м) | 71 |
| Номинальная мощность (Вт) | 7.4 |
| Постоянная крутящего момента (Н·м/А) | 2.29 |
| Максимальный ток (А) | 78 |
| Максимальный крутящий момент (Н·м) | 143 |
| DS1 | 221 |
| DS2 | 213 |
| DS3 | 173 |
| DS4 | 170 |
| DR1 | 168.8 |
| DR2 | 140 |
| DR3 | 140.5 |
| Stk | 38 |
| Tax1 | 19.5 |
| Tax | 14.5 |
| LR | 54 |
| L | 8 |
TK230-040-010C
| Номинальная скорость (об/мин) | 200 |
| Максимальная скорость (об/мин) | 399 |
| Номинальный ток (A) | 8 |
| Номинальный крутящий момент (Н·м) | 71.4 |
| Номинальная мощность (Вт) | 1.5 |
| Постоянная крутящего момента (Н·м/А) | 9.83 |
| Максимальный ток (А) | 18 |
| Максимальный крутящий момент (Н·м) | 141 |
| DS1 | 221 |
| DS2 | 209 |
| DS3 | 173 |
| DS4 | 170 |
| DR1 | 168.8 |
| DR2 | 140 |
| DR3 | 140.5 |
| Stk | 43 |
| Tax1 | 19.5 |
| Tax | 14.5 |
| LR | 59 |
| L | 8 |
TK230-040-016A
| Номинальная скорость (об/мин) | 120 |
| Максимальная скорость (об/мин) | 439 |
| Номинальный ток (A) | 2.7 |
| Номинальный крутящий момент (Н·м) | 39 |
| Номинальная мощность (Вт) | 0.5 |
| Постоянная крутящего момента (Н·м/А) | 15.84 |
| Максимальный ток (А) | 13 |
| Максимальный крутящий момент (Н·м) | 163 |
| DS1 | 218 |
| DS2 | 213 |
| DS3 | 173 |
| DS4 | 170 |
| DR1 | 168.8 |
| DR2 | 139 |
| DR3 | 140 |
| Stk | 40 |
| Tax1 | 21 |
| Tax | 16 |
| LR | 53 |
| L | 6.5 |
TK230-050-017C
| Номинальная скорость (об/мин) | 200 |
| Максимальная скорость (об/мин) | 350 |
| Номинальный ток (A) | 6.5 |
| Номинальный крутящий момент (Н·м) | 100 |
| Номинальная мощность (Вт) | 2.1 |
| Постоянная крутящего момента (Н·м/А) | 17.2 |
| Максимальный ток (А) | 15 |
| Максимальный крутящий момент (Н·м) | 200 |
| DS1 | 221 |
| DS2 | 210 |
| DS3 | 174 |
| DS4 | 170 |
| DR1 | 168.8 |
| DR2 | 140 |
| DR3 | 140.5 |
| Stk | 53 |
| Tax1 | 19.5 |
| Tax | 15.5 |
| LR | 69 |
| L | 8 |
TK230-100-010C
| Номинальная скорость (об/мин) | 400 |
| Максимальная скорость (об/мин) | 669 |
| Номинальный ток (A) | 22.7 |
| Номинальный крутящий момент (Н·м) | 203 |
| Номинальная мощность (Вт) | 8.5 |
| Постоянная крутящего момента (Н·м/А) | 10.12 |
| Максимальный ток (А) | 52 |
| Максимальный крутящий момент (Н·м) | 409 |
| DS1 | 221 |
| DS2 | 210 |
| DS3 | 174 |
| DS4 | 170 |
| DR1 | 168.8 |
| DR2 | 140 |
| DR3 | 141 |
| Stk | 103 |
| Tax1 | 19.5 |
| Tax | 14.5 |
| LR | 112 |
| L | 4.5 |
Общее описание
Модель TK230 представляет собой серводвигатель с прямым приводом. Ключевые технические параметры включают номинальную мощность до 8.5 Вт, номинальную скорость до 1000 об/мин и номинальный крутящий момент до 203 Н·м.
Конструктивные особенности двигателя обеспечивают его надежную и точную работу: прямое приводное исполнение, высокий максимальный крутящий момент до 409 Н·м и широкий диапазон рабочих токов. Унифицированные геометрические параметры (такие как DS1, DR1, Stk) облегчают интеграцию в различные системы.
Особенности серии серводвигателей с прямым приводом TK Series
- Высокая мощность ( использование высокопроизводительных магнитных материалов, высококачественной кремнистой листовой стали, передовых электромагнитных решений для достижения высокой скорости и высокого крутящего момента, а также возможности слабого магнитного управления, постоянного диапазона мощности до 10:1 )
- Высокая эффективность ( предоставляет решения, соответствующие GB30549, наивысшему уровню, и IEC60034, наивысшему уровню IE5. Простая структура: без рамной конструкции, подходит для интеграции в оборудование, высокая адаптивность, простая установка, простота обслуживания )
- Простая структура ( безрамная конструкция, подходит для интеграции в оборудование, высокая адаптивность, простота установки, простота обслуживания )
- Надежный ( в статоре используется технология вакуумной эпоксидной заливки и изоляционный материал высочайшего промышленного уровня для повышения уровня защиты и эффективности рассеивания тепла двигателя, благодаря чему двигатель становится более долговечным )
- Гибкая настройка ( полная комплектация машины и отсутствие рамы (по желанию заказчика) обеспечивает полный спектр нестандартных решений по настройке на основе платформы для различных вариантов применения, максимальный диаметр до 45 м )
Остались вопросы?
Не нашли нужную модель или нужна консультация по продукции? Наши менеджеры будут рады Вам помочь разобраться во всем. Просто заполните форму, и мы свяжемся с Вами как можно скорее.