TK220 - Cерводвигатели с прямым приводом TK Series
Техническое описание в формате .pdf
Заказ товара
Для того, чтобы сделать заказ, вы можете:
Прислать заявку по почте ring@upel.ru
Позвонить по тел./отправить факс на +7 (499) 490-03-65
Написать в Whatsapp
Мы работаем только с юридическими лицами. Соответственно, при оплате наших товаров используется только безналичный расчет. По предоплате и с НДС. Минимальная сумма заказа составляет пять тысяч рублей. Счет действителен в течение 3 рабочих дней.
Сроки отгрузки также указываются и в коммерческом предложении, и в счете. Мы делаем все возможные скидки крупным и постоянным клиентам. Если у вас есть достаточно крупный заказ или вы готовы заказывать регулярно — вам стоит обратиться к менеджеру и обсудить свою ПЕРСОНАЛЬНУЮ скидку.
Технические характеристики
| Характеристика | Значение |
|---|---|
| Производитель | Physis |
Стандартные модели
| Характеристика | Модель | |||
|---|---|---|---|---|
| TK220-050-023C | TK220-085-016C | TK220-085-027C | TK220-090-034C | |
| Номинальная скорость (об/мин) | 2000 | 1700 | 1500 | 1600 |
| Максимальная скорость (об/мин) | 5000 | 4500 | 5500 | 4000 |
| Номинальный ток (A) | 26.8 | 96.7 | 44.5 | 46 |
| Номинальный крутящий момент (Н·м) | 56 | 133 | 109.6 | 155 |
| Номинальная мощность (Вт) | 11.7 | 23.7 | 17.2 | 26 |
| Постоянная крутящего момента (Н·м/А) | 2.32 | 1.59 | 2.73 | 3.4 |
| Максимальный ток (А) | 81 | 289 | 118 | 105 |
| Максимальный крутящий момент (Н·м) | 159 | 368 | 270 | 286 |
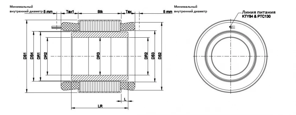
| DS1 | 223 | 223 | 223 | 223 |
| DS2 | 200 | 205 | 205 | 205 |
| DS3 | 153 | 153 | 153 | 153 |
| DS4 | 150 | 150 | 150 | 150 |
| DR1 | 148.8 | 148.8 | 148.8 | 148.8 |
| DR2 | 110 | 120 | 110 | 110 |
| DR3 | 110.5 | 120.2 | 110.5 | 112 |
| Stk | 53 | 68 | 88 | 93 |
| Tax1 | 26.5 | 33.5 | 26.5 | 26.5 |
| Tax | 22.5 | 22.5 | 22.5 | 22.5 |
| LR | 65 | 102 | 100 | 102 |
| L | 6 | 17 | 6 | 4.5 |
TK220-050-023C
| Номинальная скорость (об/мин) | 2000 |
| Максимальная скорость (об/мин) | 5000 |
| Номинальный ток (A) | 26.8 |
| Номинальный крутящий момент (Н·м) | 56 |
| Номинальная мощность (Вт) | 11.7 |
| Постоянная крутящего момента (Н·м/А) | 2.32 |
| Максимальный ток (А) | 81 |
| Максимальный крутящий момент (Н·м) | 159 |
| DS1 | 223 |
| DS2 | 200 |
| DS3 | 153 |
| DS4 | 150 |
| DR1 | 148.8 |
| DR2 | 110 |
| DR3 | 110.5 |
| Stk | 53 |
| Tax1 | 26.5 |
| Tax | 22.5 |
| LR | 65 |
| L | 6 |
TK220-085-016C
| Номинальная скорость (об/мин) | 1700 |
| Максимальная скорость (об/мин) | 4500 |
| Номинальный ток (A) | 96.7 |
| Номинальный крутящий момент (Н·м) | 133 |
| Номинальная мощность (Вт) | 23.7 |
| Постоянная крутящего момента (Н·м/А) | 1.59 |
| Максимальный ток (А) | 289 |
| Максимальный крутящий момент (Н·м) | 368 |
| DS1 | 223 |
| DS2 | 205 |
| DS3 | 153 |
| DS4 | 150 |
| DR1 | 148.8 |
| DR2 | 120 |
| DR3 | 120.2 |
| Stk | 68 |
| Tax1 | 33.5 |
| Tax | 22.5 |
| LR | 102 |
| L | 17 |
TK220-085-027C
| Номинальная скорость (об/мин) | 1500 |
| Максимальная скорость (об/мин) | 5500 |
| Номинальный ток (A) | 44.5 |
| Номинальный крутящий момент (Н·м) | 109.6 |
| Номинальная мощность (Вт) | 17.2 |
| Постоянная крутящего момента (Н·м/А) | 2.73 |
| Максимальный ток (А) | 118 |
| Максимальный крутящий момент (Н·м) | 270 |
| DS1 | 223 |
| DS2 | 205 |
| DS3 | 153 |
| DS4 | 150 |
| DR1 | 148.8 |
| DR2 | 110 |
| DR3 | 110.5 |
| Stk | 88 |
| Tax1 | 26.5 |
| Tax | 22.5 |
| LR | 100 |
| L | 6 |
TK220-090-034C
| Номинальная скорость (об/мин) | 1600 |
| Максимальная скорость (об/мин) | 4000 |
| Номинальный ток (A) | 46 |
| Номинальный крутящий момент (Н·м) | 155 |
| Номинальная мощность (Вт) | 26 |
| Постоянная крутящего момента (Н·м/А) | 3.4 |
| Максимальный ток (А) | 105 |
| Максимальный крутящий момент (Н·м) | 286 |
| DS1 | 223 |
| DS2 | 205 |
| DS3 | 153 |
| DS4 | 150 |
| DR1 | 148.8 |
| DR2 | 110 |
| DR3 | 112 |
| Stk | 93 |
| Tax1 | 26.5 |
| Tax | 22.5 |
| LR | 102 |
| L | 4.5 |
Общее описание
Модель TK220 представляет собой серводвигатель с прямым приводом. Ключевые технические параметры включают номинальную мощность до 26 Вт, номинальную скорость до 2000 об/мин и номинальный крутящий момент до 155 Н·м.
Конструктивные особенности двигателя гарантируют его стабильную и точную работу: прямое приводное исполнение, повышенный максимальный крутящий момент до 368 Н·м и широкий диапазон рабочих токов. Унифицированные геометрические параметры (такие как DS1, DR1, Stk) упрощают интеграцию в различные системы.
Особенности серии серводвигателей с прямым приводом TK Series
- Высокая мощность ( использование высокопроизводительных магнитных материалов, высококачественной кремнистой листовой стали, передовых электромагнитных решений для достижения высокой скорости и высокого крутящего момента, а также возможности слабого магнитного управления, постоянного диапазона мощности до 10:1 )
- Высокая эффективность ( предоставляет решения, соответствующие GB30549, наивысшему уровню, и IEC60034, наивысшему уровню IE5. Простая структура: без рамной конструкции, подходит для интеграции в оборудование, высокая адаптивность, простая установка, простота обслуживания )
- Простая структура ( безрамная конструкция, подходит для интеграции в оборудование, высокая адаптивность, простота установки, простота обслуживания )
- Надежный ( в статоре используется технология вакуумной эпоксидной заливки и изоляционный материал высочайшего промышленного уровня для повышения уровня защиты и эффективности рассеивания тепла двигателя, благодаря чему двигатель становится более долговечным )
- Гибкая настройка ( полная комплектация машины и отсутствие рамы (по желанию заказчика) обеспечивает полный спектр нестандартных решений по настройке на основе платформы для различных вариантов применения, максимальный диаметр до 45 м )
Остались вопросы?
Не нашли нужную модель или нужна консультация по продукции? Наши менеджеры будут рады Вам помочь разобраться во всем. Просто заполните форму, и мы свяжемся с Вами как можно скорее.