TK188 - Cерводвигатели с прямым приводом TK Series
Техническое описание в формате .pdf
Заказ товара
Для того, чтобы сделать заказ, вы можете:
Прислать заявку по почте ring@upel.ru
Позвонить по тел./отправить факс на +7 (499) 490-03-65
Написать в Whatsapp
Мы работаем только с юридическими лицами. Соответственно, при оплате наших товаров используется только безналичный расчет. По предоплате и с НДС. Минимальная сумма заказа составляет пять тысяч рублей. Счет действителен в течение 3 рабочих дней.
Сроки отгрузки также указываются и в коммерческом предложении, и в счете. Мы делаем все возможные скидки крупным и постоянным клиентам. Если у вас есть достаточно крупный заказ или вы готовы заказывать регулярно — вам стоит обратиться к менеджеру и обсудить свою ПЕРСОНАЛЬНУЮ скидку.
Технические характеристики
| Характеристика | Значение |
|---|---|
| Производитель | Physis |
Стандартные модели
| Характеристика | Модель | |
|---|---|---|
| TK188-100-029C | TK188-150-022C | |
| Номинальная скорость (об/мин) | 1500 | 2500 |
| Максимальная скорость (об/мин) | 6000 | 10000 |
| Номинальный ток (A) | 32 | 52 |
| Номинальный крутящий момент (Н·м) | 86 | 126 |
| Номинальная мощность (Вт) | 13.5 | 27 |
| Постоянная крутящего момента (Н·м/А) | 2.95 | 2.21 |
| Максимальный ток (А) | 112 | 219 |
| Максимальный крутящий момент (Н·м) | 240 | 359 |
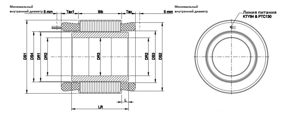
| DS1 | 191 | 191 |
| DS2 | 175 | 175 |
| DS3 | 135 | 135 |
| DS4 | 130 | 130 |
| DR1 | 128 | 128 |
| DR2 | 96 | 85 |
| DR3 | 97 | 85 |
| Stk | 103 | 153 |
| Tax1 | 33.5 | 33.5 |
| Tax | 25.5 | 25.5 |
| LR | 113 | 190 |
| L | 5 | 18.5 |
TK188-100-029C
| Номинальная скорость (об/мин) | 1500 |
| Максимальная скорость (об/мин) | 6000 |
| Номинальный ток (A) | 32 |
| Номинальный крутящий момент (Н·м) | 86 |
| Номинальная мощность (Вт) | 13.5 |
| Постоянная крутящего момента (Н·м/А) | 2.95 |
| Максимальный ток (А) | 112 |
| Максимальный крутящий момент (Н·м) | 240 |
| DS1 | 191 |
| DS2 | 175 |
| DS3 | 135 |
| DS4 | 130 |
| DR1 | 128 |
| DR2 | 96 |
| DR3 | 97 |
| Stk | 103 |
| Tax1 | 33.5 |
| Tax | 25.5 |
| LR | 113 |
| L | 5 |
TK188-150-022C
| Номинальная скорость (об/мин) | 2500 |
| Максимальная скорость (об/мин) | 10000 |
| Номинальный ток (A) | 52 |
| Номинальный крутящий момент (Н·м) | 126 |
| Номинальная мощность (Вт) | 27 |
| Постоянная крутящего момента (Н·м/А) | 2.21 |
| Максимальный ток (А) | 219 |
| Максимальный крутящий момент (Н·м) | 359 |
| DS1 | 191 |
| DS2 | 175 |
| DS3 | 135 |
| DS4 | 130 |
| DR1 | 128 |
| DR2 | 85 |
| DR3 | 85 |
| Stk | 153 |
| Tax1 | 33.5 |
| Tax | 25.5 |
| LR | 190 |
| L | 18.5 |
Общее описание
Модель TK188 представляет собой серводвигатель с прямым приводом. Ключевые технические параметры включают номинальную мощность до 27 Вт, номинальную скорость до 2500 об/мин и номинальный крутящий момент до 126 Н·м.
Конструктивные особенности двигателя обеспечивают его надежную и точную работу: прямое приводное исполнение, повышенный максимальный крутящий момент до 359 Н·м и широкий диапазон рабочих токов. Унифицированные геометрические параметры (такие как DS1, DR1, Stk) облегчают интеграцию в различные системы.
Особенности серии серводвигателей с прямым приводом TK Series
- Высокая мощность ( использование высокопроизводительных магнитных материалов, высококачественной кремнистой листовой стали, передовых электромагнитных решений для достижения высокой скорости и высокого крутящего момента, а также возможности слабого магнитного управления, постоянного диапазона мощности до 10:1 )
- Высокая эффективность ( предоставляет решения, соответствующие GB30549, наивысшему уровню, и IEC60034, наивысшему уровню IE5. Простая структура: без рамной конструкции, подходит для интеграции в оборудование, высокая адаптивность, простая установка, простота обслуживания )
- Простая структура ( безрамная конструкция, подходит для интеграции в оборудование, высокая адаптивность, простота установки, простота обслуживания )
- Надежный ( в статоре используется технология вакуумной эпоксидной заливки и изоляционный материал высочайшего промышленного уровня для повышения уровня защиты и эффективности рассеивания тепла двигателя, благодаря чему двигатель становится более долговечным )
- Гибкая настройка ( полная комплектация машины и отсутствие рамы (по желанию заказчика) обеспечивает полный спектр нестандартных решений по настройке на основе платформы для различных вариантов применения, максимальный диаметр до 45 м )
Остались вопросы?
Не нашли нужную модель или нужна консультация по продукции? Наши менеджеры будут рады Вам помочь разобраться во всем. Просто заполните форму, и мы свяжемся с Вами как можно скорее.