TK172 - Cерводвигатели с прямым приводом TK Series
Техническое описание в формате .pdf
Заказ товара
Для того, чтобы сделать заказ, вы можете:
Прислать заявку по почте ring@upel.ru
Позвонить по тел./отправить факс на +7 (499) 490-03-65
Написать в Whatsapp
Мы работаем только с юридическими лицами. Соответственно, при оплате наших товаров используется только безналичный расчет. По предоплате и с НДС. Минимальная сумма заказа составляет пять тысяч рублей. Счет действителен в течение 3 рабочих дней.
Сроки отгрузки также указываются и в коммерческом предложении, и в счете. Мы делаем все возможные скидки крупным и постоянным клиентам. Если у вас есть достаточно крупный заказ или вы готовы заказывать регулярно — вам стоит обратиться к менеджеру и обсудить свою ПЕРСОНАЛЬНУЮ скидку.
Технические характеристики
| Характеристика | Значение |
|---|---|
| Производитель | Physis |
Стандартные модели
| Характеристика | Модель | |||
|---|---|---|---|---|
| TK172-050-015C | TK172-100-015C | TK172-180-011C | TK172-250-010C | |
| Номинальная скорость (об/мин) | 4100 | 4500 | 4700 | 6000 |
| Максимальная скорость (об/мин) | 5500 | 5500 | 18000 | 8000 |
| Номинальный ток (A) | 19.2 | 43.4 | 104 | 154.8 |
| Номинальный крутящий момент (Н·м) | 25 | 56 | 98.7 | 127 |
| Номинальная мощность (Вт) | 10.7 | 26.4 | 48.6 | 79.8 |
| Постоянная крутящего момента (Н·м/А) | 1.44 | 1.44 | 1.06 | 0.95 |
| Максимальный ток (А) | 72 | 144 | 321 | 493 |
| Максимальный крутящий момент (Н·м) | 83 | 166 | 214 | 284 |
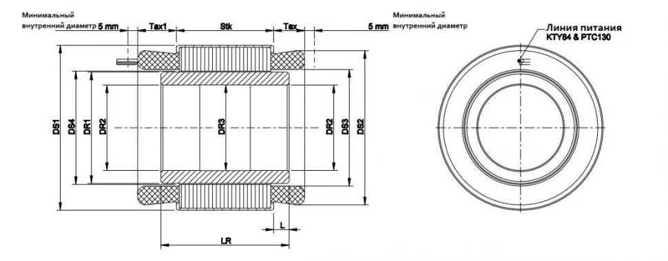
| DS1 | 175 | 176 | 176 | 176 |
| DS2 | 160 | 160 | 160 | 160 |
| DS3 | 117 | 117 | 117 | 117 |
| DS4 | 115 | 115 | 115 | 115 |
| DR1 | 113.8 | 113.4 | 113.4 | 113.4 |
| DR2 | 30 | 96 | 96 | 96 |
| DR3 | 31 | 96.5 | 96.5 | 96.5 |
| Stk | 53 | 183 | 183 | 253 |
| Tax1 | 38.5 | 35.5 | 35.5 | 38.5 |
| Tax | 28.5 | 28.5 | 28.5 | 28.5 |
| LR | 70 | 196 | 196 | 265 |
| L | 8.5 | 6.5 | 6.5 | 6 |
TK172-050-015C
| Номинальная скорость (об/мин) | 4100 |
| Максимальная скорость (об/мин) | 5500 |
| Номинальный ток (A) | 19.2 |
| Номинальный крутящий момент (Н·м) | 25 |
| Номинальная мощность (Вт) | 10.7 |
| Постоянная крутящего момента (Н·м/А) | 1.44 |
| Максимальный ток (А) | 72 |
| Максимальный крутящий момент (Н·м) | 83 |
| DS1 | 175 |
| DS2 | 160 |
| DS3 | 117 |
| DS4 | 115 |
| DR1 | 113.8 |
| DR2 | 30 |
| DR3 | 31 |
| Stk | 53 |
| Tax1 | 38.5 |
| Tax | 28.5 |
| LR | 70 |
| L | 8.5 |
TK172-100-015C
| Номинальная скорость (об/мин) | 4500 |
| Максимальная скорость (об/мин) | 5500 |
| Номинальный ток (A) | 43.4 |
| Номинальный крутящий момент (Н·м) | 56 |
| Номинальная мощность (Вт) | 26.4 |
| Постоянная крутящего момента (Н·м/А) | 1.44 |
| Максимальный ток (А) | 144 |
| Максимальный крутящий момент (Н·м) | 166 |
| DS1 | 176 |
| DS2 | 160 |
| DS3 | 117 |
| DS4 | 115 |
| DR1 | 113.4 |
| DR2 | 96 |
| DR3 | 96.5 |
| Stk | 183 |
| Tax1 | 35.5 |
| Tax | 28.5 |
| LR | 196 |
| L | 6.5 |
TK172-180-011C
| Номинальная скорость (об/мин) | 4700 |
| Максимальная скорость (об/мин) | 18000 |
| Номинальный ток (A) | 104 |
| Номинальный крутящий момент (Н·м) | 98.7 |
| Номинальная мощность (Вт) | 48.6 |
| Постоянная крутящего момента (Н·м/А) | 1.06 |
| Максимальный ток (А) | 321 |
| Максимальный крутящий момент (Н·м) | 214 |
| DS1 | 176 |
| DS2 | 160 |
| DS3 | 117 |
| DS4 | 115 |
| DR1 | 113.4 |
| DR2 | 96 |
| DR3 | 96.5 |
| Stk | 183 |
| Tax1 | 35.5 |
| Tax | 28.5 |
| LR | 196 |
| L | 6.5 |
TK172-250-010C
| Номинальная скорость (об/мин) | 6000 |
| Максимальная скорость (об/мин) | 8000 |
| Номинальный ток (A) | 154.8 |
| Номинальный крутящий момент (Н·м) | 127 |
| Номинальная мощность (Вт) | 79.8 |
| Постоянная крутящего момента (Н·м/А) | 0.95 |
| Максимальный ток (А) | 493 |
| Максимальный крутящий момент (Н·м) | 284 |
| DS1 | 176 |
| DS2 | 160 |
| DS3 | 117 |
| DS4 | 115 |
| DR1 | 113.4 |
| DR2 | 96 |
| DR3 | 96.5 |
| Stk | 253 |
| Tax1 | 38.5 |
| Tax | 28.5 |
| LR | 265 |
| L | 6 |
Общее описание
Модель TK172 представляет собой серводвигатель с прямым приводом. Ключевые технические параметры включают номинальную мощность до 79.8 Вт, номинальную скорость до 6000 об/мин и номинальный крутящий момент до 127 Н·м.
Конструктивные особенности двигателя гарантируют его стабильную и точную работу: прямое приводное исполнение, повышенный максимальный крутящий момент до 284 Н·м и широкий диапазон рабочих токов. Унифицированные геометрические параметры (такие как DS1, DR1, Stk) упрощают интеграцию в различные системы.
Особенности серии серводвигателей с прямым приводом TK Series
- Высокая мощность ( использование высокопроизводительных магнитных материалов, высококачественной кремнистой листовой стали, передовых электромагнитных решений для достижения высокой скорости и высокого крутящего момента, а также возможности слабого магнитного управления, постоянного диапазона мощности до 10:1 )
- Высокая эффективность ( предоставляет решения, соответствующие GB30549, наивысшему уровню, и IEC60034, наивысшему уровню IE5. Простая структура: без рамной конструкции, подходит для интеграции в оборудование, высокая адаптивность, простая установка, простота обслуживания )
- Простая структура ( безрамная конструкция, подходит для интеграции в оборудование, высокая адаптивность, простота установки, простота обслуживания )
- Надежный ( в статоре используется технология вакуумной эпоксидной заливки и изоляционный материал высочайшего промышленного уровня для повышения уровня защиты и эффективности рассеивания тепла двигателя, благодаря чему двигатель становится более долговечным )
- Гибкая настройка ( полная комплектация машины и отсутствие рамы (по желанию заказчика) обеспечивает полный спектр нестандартных решений по настройке на основе платформы для различных вариантов применения, максимальный диаметр до 45 м )
Остались вопросы?
Не нашли нужную модель или нужна консультация по продукции? Наши менеджеры будут рады Вам помочь разобраться во всем. Просто заполните форму, и мы свяжемся с Вами как можно скорее.