TK164 - Cерводвигатели с прямым приводом TK Series
Техническое описание в формате .pdf
Заказ товара
Для того, чтобы сделать заказ, вы можете:
Прислать заявку по почте ring@upel.ru
Позвонить по тел./отправить факс на +7 (499) 490-03-65
Написать в Whatsapp
Мы работаем только с юридическими лицами. Соответственно, при оплате наших товаров используется только безналичный расчет. По предоплате и с НДС. Минимальная сумма заказа составляет пять тысяч рублей. Счет действителен в течение 3 рабочих дней.
Сроки отгрузки также указываются и в коммерческом предложении, и в счете. Мы делаем все возможные скидки крупным и постоянным клиентам. Если у вас есть достаточно крупный заказ или вы готовы заказывать регулярно — вам стоит обратиться к менеджеру и обсудить свою ПЕРСОНАЛЬНУЮ скидку.
Технические характеристики
| Характеристика | Значение |
|---|---|
| Производитель | Physis |
Стандартные модели
| Характеристика | Модель | |||||||||||||||
|---|---|---|---|---|---|---|---|---|---|---|---|---|---|---|---|---|
| TK164-030-013C | TK164-045-016C | TK164-045-024C | TK164-055-10C | TK164-060-016C | TK164-070-017C | TK164-080-035C | TK164-090-049C | TK164-100-028C | TK164-110-02C | TK164-120-14A | TK164-120-047A | TK164-130-073A | TK164-140-025C | TK164-160-13A | TK164-180-045C | |
| Номинальная скорость (об/мин) | 1500 | 3700 | 1000 | 300 | 2000 | 3600 | 1300 | 500 | 1700 | 2600 | 350 | 1250 | 780 | 1700 | 400 | 1000 |
| Максимальная скорость (об/мин) | 7000 | 6000 | 3000 | 636 | 6000 | 6000 | 2000 | 800 | 5000 | 5000 | 500 | 1500 | 1200 | 5000 | 500 | 5000 |
| Номинальный ток (A) | 12.5 | 18.2 | 18 | 5 | 27.4 | 24.9 | 18.7 | 19 | 29.1 | 46 | 3 | 8.3 | 5.8 | 40 | 5.3 | 43.3 |
| Номинальный крутящий момент (Н·м) | 14.9 | 22 | 38.8 | 40 | 41 | 39 | 60 | 83 | 74 | 85.3 | 39 | 35.6 | 40 | 90 | 66 | 171 |
| Номинальная мощность (Вт) | 2.3 | 8.5 | 4.1 | 1.3 | 8.6 | 14.7 | 8.2 | 4.3 | 13.2 | 23.2 | 1.4 | 4.7 | 3.3 | 16 | 2.8 | 17.9 |
| Постоянная крутящего момента (Н·м/А) | 1.3 | 1.59 | 2.44 | 9.81 | 1.62 | 1.65 | 3.64 | 4.88 | 2.83 | 2.05 | 14.06 | 4.69 | 7.28 | 2.47 | 13.44 | 4.48 |
| Максимальный ток (А) | 54 | 65 | 43 | 12 | 87 | 93 | 51 | 43 | 80 | 110 | 18 | 57 | 40 | 133 | 25 | 67 |
| Максимальный крутящий момент (Н·м) | 56 | 84 | 84 | 86 | 112 | 130 | 150 | 168 | 177 | 208 | 198 | 211 | 241 | 262 | 266 | 337 |
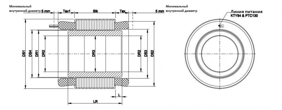
| DS1 | 165 | 165 | 165 | 165 | 165 | 165 | 165 | 165 | 165 | 165 | 162 | 162 | 162 | 165 | 165 | 165 |
| DS2 | 153 | 153 | 153 | 153 | 153 | 153 | 153 | 153 | 153 | 153 | 153 | 153 | 153 | 153 | 153 | 153 |
| DS3 | 119.4 | 119.4 | 119.4 | 119.4 | 119.4 | 119.4 | 119.4 | 119.4 | 119.4 | 117 | 118 | 118 | 118 | 119.4 | 119.4 | 119.4 |
| DS4 | 115 | 115 | 115 | 115 | 115 | 115 | 115 | 115 | 115 | 115 | 115 | 115 | 115 | 115 | 115 | 115 |
| DR1 | 113.8 | 113.8 | 113.8 | 113.8 | 113.8 | 113.8 | 113.6 | 113.8 | 113.8 | 113.8 | 113.8 | 113.8 | 113.8 | 113.8 | 113.8 | 113.8 |
| DR2 | 80 | 86 | 85 | 86 | 81 | 86 | 75 | 85 | 90 | 90 | 80 | 80 | 85 | 86 | 86 | 86 |
| DR3 | 82 | 87 | 86 | 87 | 80 | 87 | 77 | 86 | 90.2 | 90.2 | 81 | 81 | 86 | 87 | 87 | 87 |
| Stk | 34 | 49 | 49 | 59 | 64 | 74 | 84 | 94 | 104 | 114 | 120 | 120 | 130 | 144 | 160 | 184 |
| Tax1 | 23 | 23 | 19 | 24 | 23 | 23 | 23 | 19 | 23 | 20 | 23 | 23 | 23 | 23 | 27 | 25 |
| Tax | 18 | 18 | 17 | 16 | 18 | 18 | 20 | 17 | 18 | 16 | 20 | 20 | 20 | 18 | 22 | 20 |
| LR | 48 | 59 | 63 | 69 | 74 | 84 | 124 | 104 | 118 | 127 | 135 | 135 | 144 | 154 | 174 | 194 |
| L | 7 | 5 | 7 | 5 | 5 | 5 | 20 | 5 | 7 | 6.5 | 7.5 | 7.5 | 7 | 5 | 7 | 5 |
TK164-030-013C
| Номинальная скорость (об/мин) | 1500 |
| Максимальная скорость (об/мин) | 7000 |
| Номинальный ток (A) | 12.5 |
| Номинальный крутящий момент (Н·м) | 14.9 |
| Номинальная мощность (Вт) | 2.3 |
| Постоянная крутящего момента (Н·м/А) | 1.3 |
| Максимальный ток (А) | 54 |
| Максимальный крутящий момент (Н·м) | 56 |
| DS1 | 165 |
| DS2 | 153 |
| DS3 | 119.4 |
| DS4 | 115 |
| DR1 | 113.8 |
| DR2 | 80 |
| DR3 | 82 |
| Stk | 34 |
| Tax1 | 23 |
| Tax | 18 |
| LR | 48 |
| L | 7 |
TK164-045-016C
| Номинальная скорость (об/мин) | 3700 |
| Максимальная скорость (об/мин) | 6000 |
| Номинальный ток (A) | 18.2 |
| Номинальный крутящий момент (Н·м) | 22 |
| Номинальная мощность (Вт) | 8.5 |
| Постоянная крутящего момента (Н·м/А) | 1.59 |
| Максимальный ток (А) | 65 |
| Максимальный крутящий момент (Н·м) | 84 |
| DS1 | 165 |
| DS2 | 153 |
| DS3 | 119.4 |
| DS4 | 115 |
| DR1 | 113.8 |
| DR2 | 86 |
| DR3 | 87 |
| Stk | 49 |
| Tax1 | 23 |
| Tax | 18 |
| LR | 59 |
| L | 5 |
TK164-045-024C
| Номинальная скорость (об/мин) | 1000 |
| Максимальная скорость (об/мин) | 3000 |
| Номинальный ток (A) | 18 |
| Номинальный крутящий момент (Н·м) | 38.8 |
| Номинальная мощность (Вт) | 4.1 |
| Постоянная крутящего момента (Н·м/А) | 2.44 |
| Максимальный ток (А) | 43 |
| Максимальный крутящий момент (Н·м) | 84 |
| DS1 | 165 |
| DS2 | 153 |
| DS3 | 119.4 |
| DS4 | 115 |
| DR1 | 113.8 |
| DR2 | 85 |
| DR3 | 86 |
| Stk | 49 |
| Tax1 | 19 |
| Tax | 17 |
| LR | 63 |
| L | 7 |
TK164-055-10C
| Номинальная скорость (об/мин) | 300 |
| Максимальная скорость (об/мин) | 636 |
| Номинальный ток (A) | 5 |
| Номинальный крутящий момент (Н·м) | 40 |
| Номинальная мощность (Вт) | 1.3 |
| Постоянная крутящего момента (Н·м/А) | 9.81 |
| Максимальный ток (А) | 12 |
| Максимальный крутящий момент (Н·м) | 86 |
| DS1 | 165 |
| DS2 | 153 |
| DS3 | 119.4 |
| DS4 | 115 |
| DR1 | 113.8 |
| DR2 | 86 |
| DR3 | 87 |
| Stk | 59 |
| Tax1 | 24 |
| Tax | 16 |
| LR | 69 |
| L | 5 |
TK164-060-016C
| Номинальная скорость (об/мин) | 2000 |
| Максимальная скорость (об/мин) | 6000 |
| Номинальный ток (A) | 27.4 |
| Номинальный крутящий момент (Н·м) | 41 |
| Номинальная мощность (Вт) | 8.6 |
| Постоянная крутящего момента (Н·м/А) | 1.62 |
| Максимальный ток (А) | 87 |
| Максимальный крутящий момент (Н·м) | 112 |
| DS1 | 165 |
| DS2 | 153 |
| DS3 | 119.4 |
| DS4 | 115 |
| DR1 | 113.8 |
| DR2 | 81 |
| DR3 | 80 |
| Stk | 64 |
| Tax1 | 23 |
| Tax | 18 |
| LR | 74 |
| L | 5 |
TK164-070-017C
| Номинальная скорость (об/мин) | 3600 |
| Максимальная скорость (об/мин) | 6000 |
| Номинальный ток (A) | 24.9 |
| Номинальный крутящий момент (Н·м) | 39 |
| Номинальная мощность (Вт) | 14.7 |
| Постоянная крутящего момента (Н·м/А) | 1.65 |
| Максимальный ток (А) | 93 |
| Максимальный крутящий момент (Н·м) | 130 |
| DS1 | 165 |
| DS2 | 153 |
| DS3 | 119.4 |
| DS4 | 115 |
| DR1 | 113.8 |
| DR2 | 86 |
| DR3 | 87 |
| Stk | 74 |
| Tax1 | 23 |
| Tax | 18 |
| LR | 84 |
| L | 5 |
TK164-080-035C
| Номинальная скорость (об/мин) | 1300 |
| Максимальная скорость (об/мин) | 2000 |
| Номинальный ток (A) | 18.7 |
| Номинальный крутящий момент (Н·м) | 60 |
| Номинальная мощность (Вт) | 8.2 |
| Постоянная крутящего момента (Н·м/А) | 3.64 |
| Максимальный ток (А) | 51 |
| Максимальный крутящий момент (Н·м) | 150 |
| DS1 | 165 |
| DS2 | 153 |
| DS3 | 119.4 |
| DS4 | 115 |
| DR1 | 113.6 |
| DR2 | 75 |
| DR3 | 77 |
| Stk | 84 |
| Tax1 | 23 |
| Tax | 20 |
| LR | 124 |
| L | 20 |
TK164-090-049C
| Номинальная скорость (об/мин) | 500 |
| Максимальная скорость (об/мин) | 800 |
| Номинальный ток (A) | 19 |
| Номинальный крутящий момент (Н·м) | 83 |
| Номинальная мощность (Вт) | 4.3 |
| Постоянная крутящего момента (Н·м/А) | 4.88 |
| Максимальный ток (А) | 43 |
| Максимальный крутящий момент (Н·м) | 168 |
| DS1 | 165 |
| DS2 | 153 |
| DS3 | 119.4 |
| DS4 | 115 |
| DR1 | 113.8 |
| DR2 | 85 |
| DR3 | 86 |
| Stk | 94 |
| Tax1 | 19 |
| Tax | 17 |
| LR | 104 |
| L | 5 |
TK164-100-028C
| Номинальная скорость (об/мин) | 1700 |
| Максимальная скорость (об/мин) | 5000 |
| Номинальный ток (A) | 29.1 |
| Номинальный крутящий момент (Н·м) | 74 |
| Номинальная мощность (Вт) | 13.2 |
| Постоянная крутящего момента (Н·м/А) | 2.83 |
| Максимальный ток (А) | 80 |
| Максимальный крутящий момент (Н·м) | 177 |
| DS1 | 165 |
| DS2 | 153 |
| DS3 | 119.4 |
| DS4 | 115 |
| DR1 | 113.8 |
| DR2 | 90 |
| DR3 | 90.2 |
| Stk | 104 |
| Tax1 | 23 |
| Tax | 18 |
| LR | 118 |
| L | 7 |
TK164-110-02C
| Номинальная скорость (об/мин) | 2600 |
| Максимальная скорость (об/мин) | 5000 |
| Номинальный ток (A) | 46 |
| Номинальный крутящий момент (Н·м) | 85.3 |
| Номинальная мощность (Вт) | 23.2 |
| Постоянная крутящего момента (Н·м/А) | 2.05 |
| Максимальный ток (А) | 110 |
| Максимальный крутящий момент (Н·м) | 208 |
| DS1 | 165 |
| DS2 | 153 |
| DS3 | 117 |
| DS4 | 115 |
| DR1 | 113.8 |
| DR2 | 90 |
| DR3 | 90.2 |
| Stk | 114 |
| Tax1 | 20 |
| Tax | 16 |
| LR | 127 |
| L | 6.5 |
TK164-120-14A
| Номинальная скорость (об/мин) | 350 |
| Максимальная скорость (об/мин) | 500 |
| Номинальный ток (A) | 3 |
| Номинальный крутящий момент (Н·м) | 39 |
| Номинальная мощность (Вт) | 1.4 |
| Постоянная крутящего момента (Н·м/А) | 14.06 |
| Максимальный ток (А) | 18 |
| Максимальный крутящий момент (Н·м) | 198 |
| DS1 | 162 |
| DS2 | 153 |
| DS3 | 118 |
| DS4 | 115 |
| DR1 | 113.8 |
| DR2 | 80 |
| DR3 | 81 |
| Stk | 120 |
| Tax1 | 23 |
| Tax | 20 |
| LR | 135 |
| L | 7.5 |
TK164-120-047A
| Номинальная скорость (об/мин) | 1250 |
| Максимальная скорость (об/мин) | 1500 |
| Номинальный ток (A) | 8.3 |
| Номинальный крутящий момент (Н·м) | 35.6 |
| Номинальная мощность (Вт) | 4.7 |
| Постоянная крутящего момента (Н·м/А) | 4.69 |
| Максимальный ток (А) | 57 |
| Максимальный крутящий момент (Н·м) | 211 |
| DS1 | 162 |
| DS2 | 153 |
| DS3 | 118 |
| DS4 | 115 |
| DR1 | 113.8 |
| DR2 | 80 |
| DR3 | 81 |
| Stk | 120 |
| Tax1 | 23 |
| Tax | 20 |
| LR | 135 |
| L | 7.5 |
TK164-130-073A
| Номинальная скорость (об/мин) | 780 |
| Максимальная скорость (об/мин) | 1200 |
| Номинальный ток (A) | 5.8 |
| Номинальный крутящий момент (Н·м) | 40 |
| Номинальная мощность (Вт) | 3.3 |
| Постоянная крутящего момента (Н·м/А) | 7.28 |
| Максимальный ток (А) | 40 |
| Максимальный крутящий момент (Н·м) | 241 |
| DS1 | 162 |
| DS2 | 153 |
| DS3 | 118 |
| DS4 | 115 |
| DR1 | 113.8 |
| DR2 | 85 |
| DR3 | 86 |
| Stk | 130 |
| Tax1 | 23 |
| Tax | 20 |
| LR | 144 |
| L | 7 |
TK164-140-025C
| Номинальная скорость (об/мин) | 1700 |
| Максимальная скорость (об/мин) | 5000 |
| Номинальный ток (A) | 40 |
| Номинальный крутящий момент (Н·м) | 90 |
| Номинальная мощность (Вт) | 16 |
| Постоянная крутящего момента (Н·м/А) | 2.47 |
| Максимальный ток (А) | 133 |
| Максимальный крутящий момент (Н·м) | 262 |
| DS1 | 165 |
| DS2 | 153 |
| DS3 | 119.4 |
| DS4 | 115 |
| DR1 | 113.8 |
| DR2 | 86 |
| DR3 | 87 |
| Stk | 144 |
| Tax1 | 23 |
| Tax | 18 |
| LR | 154 |
| L | 5 |
TK164-160-13A
| Номинальная скорость (об/мин) | 400 |
| Максимальная скорость (об/мин) | 500 |
| Номинальный ток (A) | 5.3 |
| Номинальный крутящий момент (Н·м) | 66 |
| Номинальная мощность (Вт) | 2.8 |
| Постоянная крутящего момента (Н·м/А) | 13.44 |
| Максимальный ток (А) | 25 |
| Максимальный крутящий момент (Н·м) | 266 |
| DS1 | 165 |
| DS2 | 153 |
| DS3 | 119.4 |
| DS4 | 115 |
| DR1 | 113.8 |
| DR2 | 86 |
| DR3 | 87 |
| Stk | 160 |
| Tax1 | 27 |
| Tax | 22 |
| LR | 174 |
| L | 7 |
TK164-180-045C
| Номинальная скорость (об/мин) | 1000 |
| Максимальная скорость (об/мин) | 5000 |
| Номинальный ток (A) | 43.3 |
| Номинальный крутящий момент (Н·м) | 171 |
| Номинальная мощность (Вт) | 17.9 |
| Постоянная крутящего момента (Н·м/А) | 4.48 |
| Максимальный ток (А) | 67 |
| Максимальный крутящий момент (Н·м) | 337 |
| DS1 | 165 |
| DS2 | 153 |
| DS3 | 119.4 |
| DS4 | 115 |
| DR1 | 113.8 |
| DR2 | 86 |
| DR3 | 87 |
| Stk | 184 |
| Tax1 | 25 |
| Tax | 20 |
| LR | 194 |
| L | 5 |
Общее описание
Модель TK164 представляет собой серводвигатель с прямым приводом. Ключевые технические параметры включают номинальную мощность до 23.2 Вт, номинальную скорость до 3700 об/мин и номинальный крутящий момент до 171 Н·м.
Конструктивные особенности двигателя гарантируют его стабильную и точную работу: прямое приводное исполнение, высокий максимальный крутящий момент до 337 Н·м и расширенный диапазон рабочих токов. Унифицированные геометрические параметры (такие как DS1, DR1, Stk) облегчают интеграцию в различные системы.
Особенности серии серводвигателей с прямым приводом TK Series
- Высокая мощность ( использование высокопроизводительных магнитных материалов, высококачественной кремнистой листовой стали, передовых электромагнитных решений для достижения высокой скорости и высокого крутящего момента, а также возможности слабого магнитного управления, постоянного диапазона мощности до 10:1 )
- Высокая эффективность ( предоставляет решения, соответствующие GB30549, наивысшему уровню, и IEC60034, наивысшему уровню IE5. Простая структура: без рамной конструкции, подходит для интеграции в оборудование, высокая адаптивность, простая установка, простота обслуживания )
- Простая структура ( безрамная конструкция, подходит для интеграции в оборудование, высокая адаптивность, простота установки, простота обслуживания )
- Надежный ( в статоре используется технология вакуумной эпоксидной заливки и изоляционный материал высочайшего промышленного уровня для повышения уровня защиты и эффективности рассеивания тепла двигателя, благодаря чему двигатель становится более долговечным )
- Гибкая настройка ( полная комплектация машины и отсутствие рамы (по желанию заказчика) обеспечивает полный спектр нестандартных решений по настройке на основе платформы для различных вариантов применения, максимальный диаметр до 45 м )
Остались вопросы?
Не нашли нужную модель или нужна консультация по продукции? Наши менеджеры будут рады Вам помочь разобраться во всем. Просто заполните форму, и мы свяжемся с Вами как можно скорее.