TK142 - Cерводвигатели с прямым приводом TK Series
Техническое описание в формате .pdf
Заказ товара
Для того, чтобы сделать заказ, вы можете:
Прислать заявку по почте ring@upel.ru
Позвонить по тел./отправить факс на +7 (499) 490-03-65
Написать в Whatsapp
Мы работаем только с юридическими лицами. Соответственно, при оплате наших товаров используется только безналичный расчет. По предоплате и с НДС. Минимальная сумма заказа составляет пять тысяч рублей. Счет действителен в течение 3 рабочих дней.
Сроки отгрузки также указываются и в коммерческом предложении, и в счете. Мы делаем все возможные скидки крупным и постоянным клиентам. Если у вас есть достаточно крупный заказ или вы готовы заказывать регулярно — вам стоит обратиться к менеджеру и обсудить свою ПЕРСОНАЛЬНУЮ скидку.
Технические характеристики
| Характеристика | Значение |
|---|---|
| Производитель | Physis |
Стандартные модели
| Характеристика | Модель | |||
|---|---|---|---|---|
| TK142-060-013C | TK142-060-022C | TK142-100-073C | TK142-120-052A | |
| Номинальная скорость (об/мин) | 3500 | 1500 | 550 | 500 |
| Максимальная скорость (об/мин) | 10000 | 8000 | 900 | 1130 |
| Номинальный ток (A) | 25 | 14.8 | 10.5 | 5.3 |
| Номинальный крутящий момент (Н·м) | 28 | 28.5 | 68.5 | 25.4 |
| Номинальная мощность (Вт) | 10.3 | 4.5 | 3.9 | 1.3 |
| Постоянная крутящего момента (Н·м/А) | 1.28 | 2.2 | 7.33 | 5.16 |
| Максимальный ток (А) | 76 | 44 | 21 | 15 |
| Максимальный крутящий момент (Н·м) | 74 | 74 | 128 | 72 |
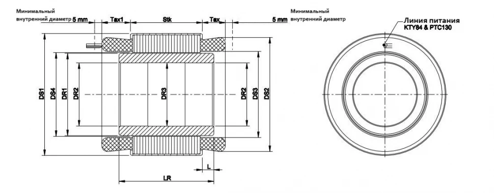
| DS1 | 143.2 | 143.2 | 143.2 | 140 |
| DS2 | 133 | 133 | 133 | 130 |
| DS3 | 98 | 98 | 98 | 101 |
| DS4 | 95 | 95 | 95 | 95 |
| DR1 | 94 | 94 | 94 | 94 |
| DR2 | 76 | 70 | 70 | 47 |
| DR3 | 76.5 | 71 | 71 | 45 |
| Stk | 63 | 63 | 103 | 120 |
| Tax1 | 21.5 | 21.5 | 21.5 | 21 |
| Tax | 16.5 | 16.5 | 16.5 | 18 |
| LR | 85 | 78 | 135 | 126 |
| L | 11 | 7.5 | 16 | 3 |
TK142-060-013C
| Номинальная скорость (об/мин) | 3500 |
| Максимальная скорость (об/мин) | 10000 |
| Номинальный ток (A) | 25 |
| Номинальный крутящий момент (Н·м) | 28 |
| Номинальная мощность (Вт) | 10.3 |
| Постоянная крутящего момента (Н·м/А) | 1.28 |
| Максимальный ток (А) | 76 |
| Максимальный крутящий момент (Н·м) | 74 |
| DS1 | 143.2 |
| DS2 | 133 |
| DS3 | 98 |
| DS4 | 95 |
| DR1 | 94 |
| DR2 | 76 |
| DR3 | 76.5 |
| Stk | 63 |
| Tax1 | 21.5 |
| Tax | 16.5 |
| LR | 85 |
| L | 11 |
TK142-060-022C
| Номинальная скорость (об/мин) | 1500 |
| Максимальная скорость (об/мин) | 8000 |
| Номинальный ток (A) | 14.8 |
| Номинальный крутящий момент (Н·м) | 28.5 |
| Номинальная мощность (Вт) | 4.5 |
| Постоянная крутящего момента (Н·м/А) | 2.2 |
| Максимальный ток (А) | 44 |
| Максимальный крутящий момент (Н·м) | 74 |
| DS1 | 143.2 |
| DS2 | 133 |
| DS3 | 98 |
| DS4 | 95 |
| DR1 | 94 |
| DR2 | 70 |
| DR3 | 71 |
| Stk | 63 |
| Tax1 | 21.5 |
| Tax | 16.5 |
| LR | 78 |
| L | 7.5 |
TK142-100-073C
| Номинальная скорость (об/мин) | 550 |
| Максимальная скорость (об/мин) | 900 |
| Номинальный ток (A) | 10.5 |
| Номинальный крутящий момент (Н·м) | 68.5 |
| Номинальная мощность (Вт) | 3.9 |
| Постоянная крутящего момента (Н·м/А) | 7.33 |
| Максимальный ток (А) | 21 |
| Максимальный крутящий момент (Н·м) | 128 |
| DS1 | 143.2 |
| DS2 | 133 |
| DS3 | 98 |
| DS4 | 95 |
| DR1 | 94 |
| DR2 | 70 |
| DR3 | 71 |
| Stk | 103 |
| Tax1 | 21.5 |
| Tax | 16.5 |
| LR | 135 |
| L | 16 |
TK142-120-052A
| Номинальная скорость (об/мин) | 500 |
| Максимальная скорость (об/мин) | 1130 |
| Номинальный ток (A) | 5.3 |
| Номинальный крутящий момент (Н·м) | 25.4 |
| Номинальная мощность (Вт) | 1.3 |
| Постоянная крутящего момента (Н·м/А) | 5.16 |
| Максимальный ток (А) | 15 |
| Максимальный крутящий момент (Н·м) | 72 |
| DS1 | 140 |
| DS2 | 130 |
| DS3 | 101 |
| DS4 | 95 |
| DR1 | 94 |
| DR2 | 47 |
| DR3 | 45 |
| Stk | 120 |
| Tax1 | 21 |
| Tax | 18 |
| LR | 126 |
| L | 3 |
Общее описание
Модель TK142 представляет собой серводвигатель с прямым приводом. Ключевые технические параметры включают номинальную мощность до 10.3 Вт, номинальную скорость до 3500 об/мин и номинальный крутящий момент до 68.5 Н·м.
Конструктивные особенности двигателя обеспечивают его надежную и точную работу: прямое приводное исполнение, повышенный максимальный крутящий момент до 128 Н·м и широкий диапазон рабочих токов. Унифицированные геометрические параметры (такие как DS1, DR1, Stk) облегчают интеграцию в различные системы.
Особенности серии серводвигателей с прямым приводом TK Series
- Высокая мощность ( использование высокопроизводительных магнитных материалов, высококачественной кремнистой листовой стали, передовых электромагнитных решений для достижения высокой скорости и высокого крутящего момента, а также возможности слабого магнитного управления, постоянного диапазона мощности до 10:1 )
- Высокая эффективность ( предоставляет решения, соответствующие GB30549, наивысшему уровню, и IEC60034, наивысшему уровню IE5. Простая структура: без рамной конструкции, подходит для интеграции в оборудование, высокая адаптивность, простая установка, простота обслуживания )
- Простая структура ( безрамная конструкция, подходит для интеграции в оборудование, высокая адаптивность, простота установки, простота обслуживания )
- Надежный ( в статоре используется технология вакуумной эпоксидной заливки и изоляционный материал высочайшего промышленного уровня для повышения уровня защиты и эффективности рассеивания тепла двигателя, благодаря чему двигатель становится более долговечным )
- Гибкая настройка ( полная комплектация машины и отсутствие рамы (по желанию заказчика) обеспечивает полный спектр нестандартных решений по настройке на основе платформы для различных вариантов применения, максимальный диаметр до 45 м )
Остались вопросы?
Не нашли нужную модель или нужна консультация по продукции? Наши менеджеры будут рады Вам помочь разобраться во всем. Просто заполните форму, и мы свяжемся с Вами как можно скорее.