TK110 - Cерводвигатели с прямым приводом TK Series
Техническое описание в формате .pdf
Заказ товара
Для того, чтобы сделать заказ, вы можете:
Прислать заявку по почте ring@upel.ru
Позвонить по тел./отправить факс на +7 (499) 490-03-65
Написать в Whatsapp
Мы работаем только с юридическими лицами. Соответственно, при оплате наших товаров используется только безналичный расчет. По предоплате и с НДС. Минимальная сумма заказа составляет пять тысяч рублей. Счет действителен в течение 3 рабочих дней.
Сроки отгрузки также указываются и в коммерческом предложении, и в счете. Мы делаем все возможные скидки крупным и постоянным клиентам. Если у вас есть достаточно крупный заказ или вы готовы заказывать регулярно — вам стоит обратиться к менеджеру и обсудить свою ПЕРСОНАЛЬНУЮ скидку.
Технические характеристики
| Характеристика | Значение |
|---|---|
| Производитель | Physis |
Стандартные модели
| Характеристика | Модель | |||||||||
|---|---|---|---|---|---|---|---|---|---|---|
| TK110-060-009C | TK110-060-012C | TK110-080-016C | TK110-090-016C | TK110-110-02C | TK110-110-06C | TK110-120-004C | TK110-120-009C | TK110-150-012C | TK110-180-009C | |
| Номинальная скорость (об/мин) | 4500 | 3000 | 3000 | 3000 | 2000 | 500 | 11000 | 4500 | 4000 | 5500 |
| Максимальная скорость (об/мин) | 10000 | 6500 | 6500 | 10000 | 2900 | 940 | 25000 | 18000 | 8000 | 15000 |
| Номинальный ток (A) | 19.7 | 12 | 12.5 | 14 | 12.5 | 4.3 | 43 | 34.3 | 38.4 | 51.5 |
| Номинальный крутящий момент (Н·м) | 15 | 13.1 | 18.5 | 20 | 25 | 25 | 16 | 24.7 | 36.6 | 36 |
| Номинальная мощность (Вт) | 7.1 | 4.1 | 5.8 | 6.3 | 5.2 | 1.3 | 18.4 | 11.6 | 15.3 | 20.7 |
| Постоянная крутящего момента (Н·м/А) | 0.86 | 1.21 | 1.61 | 1.59 | 2.26 | 6.68 | 0.45 | 0.9 | 1.07 | 0.9 |
| Максимальный ток (А) | 60 | 44 | 44 | 42 | 36 | 12 | 221 | 93 | 127 | 140 |
| Максимальный крутящий момент (Н·м) | 40 | 40 | 53 | 53 | 73 | 65 | 80 | 46 | 100 | 69 |
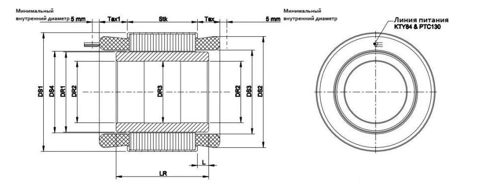
| DS1 | 111 | 111 | 111 | 111 | 111 | 111 | 111 | 111 | 111 | 111 |
| DS2 | 100 | 100 | 100 | 100 | 100 | 100 | 100 | 100 | 100 | 100 |
| DS3 | 71 | 71 | 71 | 71 | 71 | 71 | 71 | 71 | 71 | 71 |
| DS4 | 68.5 | 68.5 | 68.5 | 68.5 | 68.5 | 68.5 | 68.5 | 68.5 | 68.5 | 68.5 |
| DR1 | 66.5 | 66.5 | 66.5 | 66.5 | 66.5 | 66.5 | 66.5 | 66.5 | 66.5 | 66.5 |
| DR2 | 50 | 45 | 45 | 51 | 43 | 43 | 45.8 | 45.8 | 42 | 42 |
| DR3 | 50.5 | 46 | 46 | 51.5 | 44 | 44 | 41.5 | 41.5 | 43 | 43 |
| Stk | 63 | 63 | 83 | 93 | 113 | 113 | 123 | 123 | 153 | 183 |
| Tax1 | 26.5 | 23.5 | 23.5 | 27.5 | 26.5 | 26.5 | 26.5 | 26.5 | 26.5 | 26.5 |
| Tax | 18.5 | 18.5 | 18.5 | 18.5 | 18.5 | 18.5 | 18.5 | 18.5 | 18.5 | 18.5 |
| LR | 73 | 76 | 96 | 119 | 126 | 126 | 140 | 140 | 166 | 200 |
| L | 5 | 6.5 | 6.5 | 13 | 6.5 | 6.5 | 8.5 | 8.5 | 6.5 | 8.5 |
TK110-060-009C
| Номинальная скорость (об/мин) | 4500 |
| Максимальная скорость (об/мин) | 10000 |
| Номинальный ток (A) | 19.7 |
| Номинальный крутящий момент (Н·м) | 15 |
| Номинальная мощность (Вт) | 7.1 |
| Постоянная крутящего момента (Н·м/А) | 0.86 |
| Максимальный ток (А) | 60 |
| Максимальный крутящий момент (Н·м) | 40 |
| DS1 | 111 |
| DS2 | 100 |
| DS3 | 71 |
| DS4 | 68.5 |
| DR1 | 66.5 |
| DR2 | 50 |
| DR3 | 50.5 |
| Stk | 63 |
| Tax1 | 26.5 |
| Tax | 18.5 |
| LR | 73 |
| L | 5 |
TK110-060-012C
| Номинальная скорость (об/мин) | 3000 |
| Максимальная скорость (об/мин) | 6500 |
| Номинальный ток (A) | 12 |
| Номинальный крутящий момент (Н·м) | 13.1 |
| Номинальная мощность (Вт) | 4.1 |
| Постоянная крутящего момента (Н·м/А) | 1.21 |
| Максимальный ток (А) | 44 |
| Максимальный крутящий момент (Н·м) | 40 |
| DS1 | 111 |
| DS2 | 100 |
| DS3 | 71 |
| DS4 | 68.5 |
| DR1 | 66.5 |
| DR2 | 45 |
| DR3 | 46 |
| Stk | 63 |
| Tax1 | 23.5 |
| Tax | 18.5 |
| LR | 76 |
| L | 6.5 |
TK110-080-016C
| Номинальная скорость (об/мин) | 3000 |
| Максимальная скорость (об/мин) | 6500 |
| Номинальный ток (A) | 12.5 |
| Номинальный крутящий момент (Н·м) | 18.5 |
| Номинальная мощность (Вт) | 5.8 |
| Постоянная крутящего момента (Н·м/А) | 1.61 |
| Максимальный ток (А) | 44 |
| Максимальный крутящий момент (Н·м) | 53 |
| DS1 | 111 |
| DS2 | 100 |
| DS3 | 71 |
| DS4 | 68.5 |
| DR1 | 66.5 |
| DR2 | 45 |
| DR3 | 46 |
| Stk | 83 |
| Tax1 | 23.5 |
| Tax | 18.5 |
| LR | 96 |
| L | 6.5 |
TK110-090-016C
| Номинальная скорость (об/мин) | 3000 |
| Максимальная скорость (об/мин) | 10000 |
| Номинальный ток (A) | 14 |
| Номинальный крутящий момент (Н·м) | 20 |
| Номинальная мощность (Вт) | 6.3 |
| Постоянная крутящего момента (Н·м/А) | 1.59 |
| Максимальный ток (А) | 42 |
| Максимальный крутящий момент (Н·м) | 53 |
| DS1 | 111 |
| DS2 | 100 |
| DS3 | 71 |
| DS4 | 68.5 |
| DR1 | 66.5 |
| DR2 | 51 |
| DR3 | 51.5 |
| Stk | 93 |
| Tax1 | 27.5 |
| Tax | 18.5 |
| LR | 119 |
| L | 13 |
TK110-110-02C
| Номинальная скорость (об/мин) | 2000 |
| Максимальная скорость (об/мин) | 2900 |
| Номинальный ток (A) | 12.5 |
| Номинальный крутящий момент (Н·м) | 25 |
| Номинальная мощность (Вт) | 5.2 |
| Постоянная крутящего момента (Н·м/А) | 2.26 |
| Максимальный ток (А) | 36 |
| Максимальный крутящий момент (Н·м) | 73 |
| DS1 | 111 |
| DS2 | 100 |
| DS3 | 71 |
| DS4 | 68.5 |
| DR1 | 66.5 |
| DR2 | 43 |
| DR3 | 44 |
| Stk | 113 |
| Tax1 | 26.5 |
| Tax | 18.5 |
| LR | 126 |
| L | 6.5 |
TK110-110-06C
| Номинальная скорость (об/мин) | 500 |
| Максимальная скорость (об/мин) | 940 |
| Номинальный ток (A) | 4.3 |
| Номинальный крутящий момент (Н·м) | 25 |
| Номинальная мощность (Вт) | 1.3 |
| Постоянная крутящего момента (Н·м/А) | 6.68 |
| Максимальный ток (А) | 12 |
| Максимальный крутящий момент (Н·м) | 65 |
| DS1 | 111 |
| DS2 | 100 |
| DS3 | 71 |
| DS4 | 68.5 |
| DR1 | 66.5 |
| DR2 | 43 |
| DR3 | 44 |
| Stk | 113 |
| Tax1 | 26.5 |
| Tax | 18.5 |
| LR | 126 |
| L | 6.5 |
TK110-120-004C
| Номинальная скорость (об/мин) | 11000 |
| Максимальная скорость (об/мин) | 25000 |
| Номинальный ток (A) | 43 |
| Номинальный крутящий момент (Н·м) | 16 |
| Номинальная мощность (Вт) | 18.4 |
| Постоянная крутящего момента (Н·м/А) | 0.45 |
| Максимальный ток (А) | 221 |
| Максимальный крутящий момент (Н·м) | 80 |
| DS1 | 111 |
| DS2 | 100 |
| DS3 | 71 |
| DS4 | 68.5 |
| DR1 | 66.5 |
| DR2 | 45.8 |
| DR3 | 41.5 |
| Stk | 123 |
| Tax1 | 26.5 |
| Tax | 18.5 |
| LR | 140 |
| L | 8.5 |
TK110-120-009C
| Номинальная скорость (об/мин) | 4500 |
| Максимальная скорость (об/мин) | 18000 |
| Номинальный ток (A) | 34.3 |
| Номинальный крутящий момент (Н·м) | 24.7 |
| Номинальная мощность (Вт) | 11.6 |
| Постоянная крутящего момента (Н·м/А) | 0.9 |
| Максимальный ток (А) | 93 |
| Максимальный крутящий момент (Н·м) | 46 |
| DS1 | 111 |
| DS2 | 100 |
| DS3 | 71 |
| DS4 | 68.5 |
| DR1 | 66.5 |
| DR2 | 45.8 |
| DR3 | 41.5 |
| Stk | 123 |
| Tax1 | 26.5 |
| Tax | 18.5 |
| LR | 140 |
| L | 8.5 |
TK110-150-012C
| Номинальная скорость (об/мин) | 4000 |
| Максимальная скорость (об/мин) | 8000 |
| Номинальный ток (A) | 38.4 |
| Номинальный крутящий момент (Н·м) | 36.6 |
| Номинальная мощность (Вт) | 15.3 |
| Постоянная крутящего момента (Н·м/А) | 1.07 |
| Максимальный ток (А) | 127 |
| Максимальный крутящий момент (Н·м) | 100 |
| DS1 | 111 |
| DS2 | 100 |
| DS3 | 71 |
| DS4 | 68.5 |
| DR1 | 66.5 |
| DR2 | 42 |
| DR3 | 43 |
| Stk | 153 |
| Tax1 | 26.5 |
| Tax | 18.5 |
| LR | 166 |
| L | 6.5 |
TK110-180-009C
| Номинальная скорость (об/мин) | 5500 |
| Максимальная скорость (об/мин) | 15000 |
| Номинальный ток (A) | 51.5 |
| Номинальный крутящий момент (Н·м) | 36 |
| Номинальная мощность (Вт) | 20.7 |
| Постоянная крутящего момента (Н·м/А) | 0.9 |
| Максимальный ток (А) | 140 |
| Максимальный крутящий момент (Н·м) | 69 |
| DS1 | 111 |
| DS2 | 100 |
| DS3 | 71 |
| DS4 | 68.5 |
| DR1 | 66.5 |
| DR2 | 42 |
| DR3 | 43 |
| Stk | 183 |
| Tax1 | 26.5 |
| Tax | 18.5 |
| LR | 200 |
| L | 8.5 |
Общее описание
Модель TK110 представляет собой серводвигатель с прямым приводом. Ключевые технические параметры включают номинальную мощность до 20.7 Вт, номинальную скорость до 11000 об/мин и номинальный крутящий момент до 36.6 Н·м.
Конструктивные особенности двигателя гарантируют его стабильную и точную работу: прямое приводное исполнение, повышенный максимальный крутящий момент до 100 Н·м и широкий диапазон рабочих токов. Унифицированные геометрические параметры (такие как DS1, DR1, Stk) упрощают интеграцию в различные системы.
Особенности серии серводвигателей с прямым приводом TK Series
- Высокая мощность ( использование высокопроизводительных магнитных материалов, высококачественной кремнистой листовой стали, передовых электромагнитных решений для достижения высокой скорости и высокого крутящего момента, а также возможности слабого магнитного управления, постоянного диапазона мощности до 10:1 )
- Высокая эффективность ( предоставляет решения, соответствующие GB30549, наивысшему уровню, и IEC60034, наивысшему уровню IE5. Простая структура: без рамной конструкции, подходит для интеграции в оборудование, высокая адаптивность, простая установка, простота обслуживания )
- Простая структура ( безрамная конструкция, подходит для интеграции в оборудование, высокая адаптивность, простота установки, простота обслуживания )
- Надежный ( в статоре используется технология вакуумной эпоксидной заливки и изоляционный материал высочайшего промышленного уровня для повышения уровня защиты и эффективности рассеивания тепла двигателя, благодаря чему двигатель становится более долговечным )
- Гибкая настройка ( полная комплектация машины и отсутствие рамы (по желанию заказчика) обеспечивает полный спектр нестандартных решений по настройке на основе платформы для различных вариантов применения, максимальный диаметр до 45 м )
Остались вопросы?
Не нашли нужную модель или нужна консультация по продукции? Наши менеджеры будут рады Вам помочь разобраться во всем. Просто заполните форму, и мы свяжемся с Вами как можно скорее.