TK106 - Cерводвигатели с прямым приводом TK Series
Техническое описание в формате .pdf
Заказ товара
Для того, чтобы сделать заказ, вы можете:
Прислать заявку по почте ring@upel.ru
Позвонить по тел./отправить факс на +7 (499) 490-03-65
Написать в Whatsapp
Мы работаем только с юридическими лицами. Соответственно, при оплате наших товаров используется только безналичный расчет. По предоплате и с НДС. Минимальная сумма заказа составляет пять тысяч рублей. Счет действителен в течение 3 рабочих дней.
Сроки отгрузки также указываются и в коммерческом предложении, и в счете. Мы делаем все возможные скидки крупным и постоянным клиентам. Если у вас есть достаточно крупный заказ или вы готовы заказывать регулярно — вам стоит обратиться к менеджеру и обсудить свою ПЕРСОНАЛЬНУЮ скидку.
Технические характеристики
| Характеристика | Значение |
|---|---|
| Производитель | Physis |
Стандартные модели
| Характеристика | Модель | ||
|---|---|---|---|
| TK106-100-025C | TK106-100-035A | TK106-155-06C | |
| Номинальная скорость (об/мин) | 2000 | 1600 | 600 |
| Максимальная скорость (об/мин) | 2600 | 1800 | 1100 |
| Номинальный ток (A) | 12.6 | 3 | 8.7 |
| Номинальный крутящий момент (Н·м) | 30 | 10 | 48.7 |
| Номинальная мощность (Вт) | 6.3 | 1.7 | 3.1 |
| Постоянная крутящего момента (Н·м/А) | 2.55 | 3.55 | 6.23 |
| Максимальный ток (А) | 43 | 3.2 | 27 |
| Максимальный крутящий момент (Н·м) | 88 | 88 | 124 |
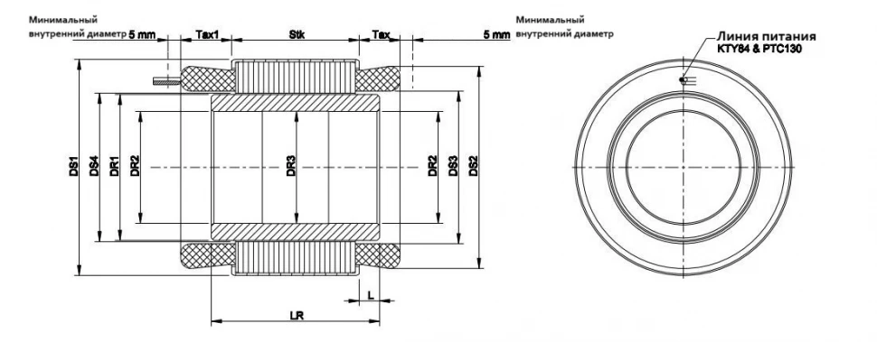
| DS1 | 106 | 108 | 106 |
| DS2 | 100 | 100 | 100 |
| DS3 | 81 | 81 | 81 |
| DS4 | 78.8 | 78.8 | 78.8 |
| DR1 | 77.6 | 77.6 | 77.6 |
| DR2 | 45 | 45 | 45 |
| DR3 | 45.5 | 45.5 | 45.5 |
| Stk | 103 | 100 | 158 |
| Tax1 | 21 | 22.5 | 21 |
| Tax | 16 | 17.5 | 16 |
| LR | 120 | 120 | 175 |
| L | 8.5 | 10 | 8.5 |
TK106-100-025C
| Номинальная скорость (об/мин) | 2000 |
| Максимальная скорость (об/мин) | 2600 |
| Номинальный ток (A) | 12.6 |
| Номинальный крутящий момент (Н·м) | 30 |
| Номинальная мощность (Вт) | 6.3 |
| Постоянная крутящего момента (Н·м/А) | 2.55 |
| Максимальный ток (А) | 43 |
| Максимальный крутящий момент (Н·м) | 88 |
| DS1 | 106 |
| DS2 | 100 |
| DS3 | 81 |
| DS4 | 78.8 |
| DR1 | 77.6 |
| DR2 | 45 |
| DR3 | 45.5 |
| Stk | 103 |
| Tax1 | 21 |
| Tax | 16 |
| LR | 120 |
| L | 8.5 |
TK106-100-035A
| Номинальная скорость (об/мин) | 1600 |
| Максимальная скорость (об/мин) | 1800 |
| Номинальный ток (A) | 3 |
| Номинальный крутящий момент (Н·м) | 10 |
| Номинальная мощность (Вт) | 1.7 |
| Постоянная крутящего момента (Н·м/А) | 3.55 |
| Максимальный ток (А) | 3.2 |
| Максимальный крутящий момент (Н·м) | 88 |
| DS1 | 108 |
| DS2 | 100 |
| DS3 | 81 |
| DS4 | 78.8 |
| DR1 | 77.6 |
| DR2 | 45 |
| DR3 | 45.5 |
| Stk | 100 |
| Tax1 | 22.5 |
| Tax | 17.5 |
| LR | 120 |
| L | 10 |
TK106-155-06C
| Номинальная скорость (об/мин) | 600 |
| Максимальная скорость (об/мин) | 1100 |
| Номинальный ток (A) | 8.7 |
| Номинальный крутящий момент (Н·м) | 48.7 |
| Номинальная мощность (Вт) | 3.1 |
| Постоянная крутящего момента (Н·м/А) | 6.23 |
| Максимальный ток (А) | 27 |
| Максимальный крутящий момент (Н·м) | 124 |
| DS1 | 106 |
| DS2 | 100 |
| DS3 | 81 |
| DS4 | 78.8 |
| DR1 | 77.6 |
| DR2 | 45 |
| DR3 | 45.5 |
| Stk | 158 |
| Tax1 | 21 |
| Tax | 16 |
| LR | 175 |
| L | 8.5 |
Общее описание
Модель TK106 представляет собой серводвигатель с прямым приводом. Ключевые технические параметры включают номинальную мощность до 6.3 Вт, номинальную скорость до 2000 об/мин и номинальный крутящий момент до 48.7 Н·м.
Конструктивные особенности двигателя обеспечивают его надёжную и точную работу: прямое приводное исполнение, повышенный максимальный крутящий момент до 124 Н·м и широкий диапазон рабочих токов. Унифицированные геометрические параметры (такие как DS1, DR1, Stk) облегчают интеграцию в различные системы.
Особенности серии серводвигателей с прямым приводом TK Series
- Высокая мощность ( использование высокопроизводительных магнитных материалов, высококачественной кремнистой листовой стали, передовых электромагнитных решений для достижения высокой скорости и высокого крутящего момента, а также возможности слабого магнитного управления, постоянного диапазона мощности до 10:1 )
- Высокая эффективность ( предоставляет решения, соответствующие GB30549, наивысшему уровню, и IEC60034, наивысшему уровню IE5. Простая структура: без рамной конструкции, подходит для интеграции в оборудование, высокая адаптивность, простая установка, простота обслуживания )
- Простая структура ( безрамная конструкция, подходит для интеграции в оборудование, высокая адаптивность, простота установки, простота обслуживания )
- Надежный ( в статоре используется технология вакуумной эпоксидной заливки и изоляционный материал высочайшего промышленного уровня для повышения уровня защиты и эффективности рассеивания тепла двигателя, благодаря чему двигатель становится более долговечным )
- Гибкая настройка ( полная комплектация машины и отсутствие рамы (по желанию заказчика) обеспечивает полный спектр нестандартных решений по настройке на основе платформы для различных вариантов применения, максимальный диаметр до 45 м )
Остались вопросы?
Не нашли нужную модель или нужна консультация по продукции? Наши менеджеры будут рады Вам помочь разобраться во всем. Просто заполните форму, и мы свяжемся с Вами как можно скорее.