TK085 - Cерводвигатели с прямым приводом TK Series
Техническое описание в формате .pdf
Заказ товара
Для того, чтобы сделать заказ, вы можете:
Прислать заявку по почте ring@upel.ru
Позвонить по тел./отправить факс на +7 (499) 490-03-65
Написать в Whatsapp
Мы работаем только с юридическими лицами. Соответственно, при оплате наших товаров используется только безналичный расчет. По предоплате и с НДС. Минимальная сумма заказа составляет пять тысяч рублей. Счет действителен в течение 3 рабочих дней.
Сроки отгрузки также указываются и в коммерческом предложении, и в счете. Мы делаем все возможные скидки крупным и постоянным клиентам. Если у вас есть достаточно крупный заказ или вы готовы заказывать регулярно — вам стоит обратиться к менеджеру и обсудить свою ПЕРСОНАЛЬНУЮ скидку.
Технические характеристики
| Характеристика | Значение |
|---|---|
| Производитель | Physis |
Стандартные модели
| Характеристика | Модель | ||||
|---|---|---|---|---|---|
| TK085-50-025C | TK085-50-005C | TK085-100-008C | TK085-100-006C | TK085-100-003C | |
| Номинальная скорость (об/мин) | 1500 | 10000 | 6500 | 6000 | 10000 |
| Максимальная скорость (об/мин) | 3500 | 15000 | 10000 | 35000 | 30000 |
| Номинальный ток (A) | 3.4 | 12 | 14.6 | 25.2 | 27 |
| Номинальный крутящий момент (Н·м) | 7 | 6 | 10.6 | 10 | 8 |
| Номинальная мощность (Вт) | 1.1 | 6.3 | 7.2 | 6.3 | 8.4 |
| Постоянная крутящего момента (Н·м/А) | 2.28 | 0.57 | 0.82 | 0.46 | 0.34 |
| Максимальный ток (А) | 13 | 53 | 59 | 132 | 176 |
| Максимальный крутящий момент (Н·м) | 24 | 24 | 24 | 48 | 48 |
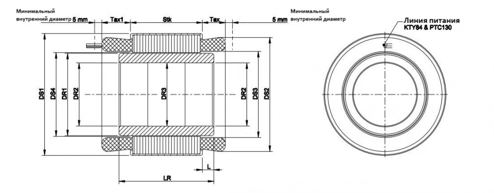
| DS1 | 90.5 | 90.5 | 90.5 | 90.5 | 90.5 |
| DS2 | 61 | 60 | 79 | 61 | 61 |
| DS3 | 79 | 79 | 61 | 82 | 82 |
| DS4 | 58.2 | 58.2 | 58.2 | 58.2 | 58.2 |
| DR1 | 57.2 | 57.2 | 57.2 | 57.2 | 57.2 |
| DR2 | 36 | 35 | 30 | 37 | 37 |
| DR3 | 37 | 36 | 31 | 38 | 38 |
| Stk | 53 | 53 | 100 | 103 | 103 |
| Tax1 | 21.5 | 21.5 | 24 | 22.5 | 22.5 |
| Tax | 17.5 | 17.5 | 19 | 17.5 | 18 |
| LR | 62 | 64 | 114 | 112 | 112 |
| L | 4.5 | 5.5 | 7 | 4.5 | 4.5 |
TK085-50-025C
| Номинальная скорость (об/мин) | 1500 |
| Максимальная скорость (об/мин) | 3500 |
| Номинальный ток (A) | 3.4 |
| Номинальный крутящий момент (Н·м) | 7 |
| Номинальная мощность (Вт) | 1.1 |
| Постоянная крутящего момента (Н·м/А) | 2.28 |
| Максимальный ток (А) | 13 |
| Максимальный крутящий момент (Н·м) | 24 |
| DS1 | 90.5 |
| DS2 | 61 |
| DS3 | 79 |
| DS4 | 58.2 |
| DR1 | 57.2 |
| DR2 | 36 |
| DR3 | 37 |
| Stk | 53 |
| Tax1 | 21.5 |
| Tax | 17.5 |
| LR | 62 |
| L | 4.5 |
TK085-50-005C
| Номинальная скорость (об/мин) | 10000 |
| Максимальная скорость (об/мин) | 15000 |
| Номинальный ток (A) | 12 |
| Номинальный крутящий момент (Н·м) | 6 |
| Номинальная мощность (Вт) | 6.3 |
| Постоянная крутящего момента (Н·м/А) | 0.57 |
| Максимальный ток (А) | 53 |
| Максимальный крутящий момент (Н·м) | 24 |
| DS1 | 90.5 |
| DS2 | 60 |
| DS3 | 79 |
| DS4 | 58.2 |
| DR1 | 57.2 |
| DR2 | 35 |
| DR3 | 36 |
| Stk | 53 |
| Tax1 | 21.5 |
| Tax | 17.5 |
| LR | 64 |
| L | 5.5 |
TK085-100-008C
| Номинальная скорость (об/мин) | 6500 |
| Максимальная скорость (об/мин) | 10000 |
| Номинальный ток (A) | 14.6 |
| Номинальный крутящий момент (Н·м) | 10.6 |
| Номинальная мощность (Вт) | 7.2 |
| Постоянная крутящего момента (Н·м/А) | 0.82 |
| Максимальный ток (А) | 59 |
| Максимальный крутящий момент (Н·м) | 24 |
| DS1 | 90.5 |
| DS2 | 79 |
| DS3 | 61 |
| DS4 | 58.2 |
| DR1 | 57.2 |
| DR2 | 30 |
| DR3 | 31 |
| Stk | 100 |
| Tax1 | 24 |
| Tax | 19 |
| LR | 114 |
| L | 7 |
TK085-100-006C
| Номинальная скорость (об/мин) | 6000 |
| Максимальная скорость (об/мин) | 35000 |
| Номинальный ток (A) | 25.2 |
| Номинальный крутящий момент (Н·м) | 10 |
| Номинальная мощность (Вт) | 6.3 |
| Постоянная крутящего момента (Н·м/А) | 0.46 |
| Максимальный ток (А) | 132 |
| Максимальный крутящий момент (Н·м) | 48 |
| DS1 | 90.5 |
| DS2 | 61 |
| DS3 | 82 |
| DS4 | 58.2 |
| DR1 | 57.2 |
| DR2 | 37 |
| DR3 | 38 |
| Stk | 103 |
| Tax1 | 22.5 |
| Tax | 17.5 |
| LR | 112 |
| L | 4.5 |
TK085-100-003C
| Номинальная скорость (об/мин) | 10000 |
| Максимальная скорость (об/мин) | 30000 |
| Номинальный ток (A) | 27 |
| Номинальный крутящий момент (Н·м) | 8 |
| Номинальная мощность (Вт) | 8.4 |
| Постоянная крутящего момента (Н·м/А) | 0.34 |
| Максимальный ток (А) | 176 |
| Максимальный крутящий момент (Н·м) | 48 |
| DS1 | 90.5 |
| DS2 | 61 |
| DS3 | 82 |
| DS4 | 58.2 |
| DR1 | 57.2 |
| DR2 | 37 |
| DR3 | 38 |
| Stk | 103 |
| Tax1 | 22.5 |
| Tax | 18 |
| LR | 112 |
| L | 4.5 |
Общее описание
Модель TK085 представляет собой серводвигатель с прямым приводом. Ключевые технические параметры включают номинальную мощность до 8.4 Вт, высокую номинальную скорость до 10000 об/мин и номинальный крутящий момент до 10.6 Н·м.
Конструктивные особенности двигателя обеспечивают его надежную и точную работу: исполнение с прямым приводом, высокий максимальный крутящий момент до 48 Н·м и широкий диапазон рабочих токов. Стандартизированные геометрические параметры (такие как DS1, Stk, L) упрощают интеграцию в различные системы.
Особенности серии серводвигателей с прямым приводом TK Series
- Высокая мощность ( использование высокопроизводительных магнитных материалов, высококачественной кремнистой листовой стали, передовых электромагнитных решений для достижения высокой скорости и высокого крутящего момента, а также возможности слабого магнитного управления, постоянного диапазона мощности до 10:1 )
- Высокая эффективность ( предоставляет решения, соответствующие GB30549, наивысшему уровню, и IEC60034, наивысшему уровню IE5. Простая структура: без рамной конструкции, подходит для интеграции в оборудование, высокая адаптивность, простая установка, простота обслуживания )
- Простая структура ( безрамная конструкция, подходит для интеграции в оборудование, высокая адаптивность, простота установки, простота обслуживания )
- Надежный ( в статоре используется технология вакуумной эпоксидной заливки и изоляционный материал высочайшего промышленного уровня для повышения уровня защиты и эффективности рассеивания тепла двигателя, благодаря чему двигатель становится более долговечным )
- Гибкая настройка ( полная комплектация машины и отсутствие рамы (по желанию заказчика) обеспечивает полный спектр нестандартных решений по настройке на основе платформы для различных вариантов применения, максимальный диаметр до 45 м )
Остались вопросы?
Не нашли нужную модель или нужна консультация по продукции? Наши менеджеры будут рады Вам помочь разобраться во всем. Просто заполните форму, и мы свяжемся с Вами как можно скорее.