TK570 - Cерводвигатели с прямым приводом TK Series
Техническое описание в формате .pdf
Заказ товара
Для того, чтобы сделать заказ, вы можете:
Прислать заявку по почте ring@upel.ru
Позвонить по тел./отправить факс на +7 (499) 490-03-65
Написать в Whatsapp
Мы работаем только с юридическими лицами. Соответственно, при оплате наших товаров используется только безналичный расчет. По предоплате и с НДС. Минимальная сумма заказа составляет пять тысяч рублей. Счет действителен в течение 3 рабочих дней.
Сроки отгрузки также указываются и в коммерческом предложении, и в счете. Мы делаем все возможные скидки крупным и постоянным клиентам. Если у вас есть достаточно крупный заказ или вы готовы заказывать регулярно — вам стоит обратиться к менеджеру и обсудить свою ПЕРСОНАЛЬНУЮ скидку.
Технические характеристики
| Характеристика | Значение |
|---|---|
| Производитель | Physis |
Стандартные модели
| Характеристика | Модель | |
|---|---|---|
| TK570-080-36C | TK570-550-25C | |
| Номинальная скорость (об/мин) | 100 | 250 |
| Максимальная скорость (об/мин) | 185 | 450 |
| Номинальный ток (A) | 31.4 | 313 |
| Номинальный крутящий момент (Н·м) | 1063 | 7192 |
| Номинальная мощность (Вт) | 11.1 | 188.3 |
| Постоянная крутящего момента (Н·м/А) | 36.52 | 24.63 |
| Максимальный ток (А) | 104 | 1300 |
| Максимальный крутящий момент (Н·м) | 2827 | 22000 |
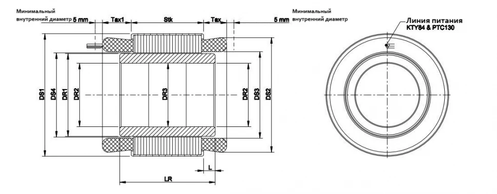
| DS1 | 571 | 571 |
| DS2 | 550 | 550 |
| DS3 | 503 | 503 |
| DS4 | 500 | 500 |
| DR1 | 498.2 | 498.6 |
| DR2 | 445 | 450 |
| DR3 | 447 | 447 |
| Stk | 84 | 554 |
| Tax1 | 23 | 38 |
| Tax | 16 | 23 |
| LR | 100 | 590 |
| L | 8 | 18 |
TK570-080-36C
| Номинальная скорость (об/мин) | 100 |
| Максимальная скорость (об/мин) | 185 |
| Номинальный ток (A) | 31.4 |
| Номинальный крутящий момент (Н·м) | 1063 |
| Номинальная мощность (Вт) | 11.1 |
| Постоянная крутящего момента (Н·м/А) | 36.52 |
| Максимальный ток (А) | 104 |
| Максимальный крутящий момент (Н·м) | 2827 |
| DS1 | 571 |
| DS2 | 550 |
| DS3 | 503 |
| DS4 | 500 |
| DR1 | 498.2 |
| DR2 | 445 |
| DR3 | 447 |
| Stk | 84 |
| Tax1 | 23 |
| Tax | 16 |
| LR | 100 |
| L | 8 |
TK570-550-25C
| Номинальная скорость (об/мин) | 250 |
| Максимальная скорость (об/мин) | 450 |
| Номинальный ток (A) | 313 |
| Номинальный крутящий момент (Н·м) | 7192 |
| Номинальная мощность (Вт) | 188.3 |
| Постоянная крутящего момента (Н·м/А) | 24.63 |
| Максимальный ток (А) | 1300 |
| Максимальный крутящий момент (Н·м) | 22000 |
| DS1 | 571 |
| DS2 | 550 |
| DS3 | 503 |
| DS4 | 500 |
| DR1 | 498.6 |
| DR2 | 450 |
| DR3 | 447 |
| Stk | 554 |
| Tax1 | 38 |
| Tax | 23 |
| LR | 590 |
| L | 18 |
Общее описание
Модель TK570 представляет собой серводвигатель с прямым приводом. Ключевые технические параметры включают номинальную мощность до 188.3 Вт, номинальную скорость до 250 об/мин и высокий номинальный крутящий момент до 7192 Н·м.
Конструктивные особенности двигателя гарантируют его стабильную и точную работу: прямое приводное исполнение, исключительно высокий максимальный крутящий момент до 22000 Н·м и расширенный диапазон рабочих токов. Унифицированные геометрические параметры (такие как DS1, DR1, Stk) способствуют упрощённой интеграции в различные системы.
Особенности серии серводвигателей с прямым приводом TK Series
- Высокая мощность ( использование высокопроизводительных магнитных материалов, высококачественной кремнистой листовой стали, передовых электромагнитных решений для достижения высокой скорости и высокого крутящего момента, а также возможности слабого магнитного управления, постоянного диапазона мощности до 10:1 )
- Высокая эффективность ( предоставляет решения, соответствующие GB30549, наивысшему уровню, и IEC60034, наивысшему уровню IE5. Простая структура: без рамной конструкции, подходит для интеграции в оборудование, высокая адаптивность, простая установка, простота обслуживания )
- Простая структура ( безрамная конструкция, подходит для интеграции в оборудование, высокая адаптивность, простота установки, простота обслуживания )
- Надежный ( в статоре используется технология вакуумной эпоксидной заливки и изоляционный материал высочайшего промышленного уровня для повышения уровня защиты и эффективности рассеивания тепла двигателя, благодаря чему двигатель становится более долговечным )
- Гибкая настройка ( полная комплектация машины и отсутствие рамы (по желанию заказчика) обеспечивает полный спектр нестандартных решений по настройке на основе платформы для различных вариантов применения, максимальный диаметр до 45 м )
Остались вопросы?
Не нашли нужную модель или нужна консультация по продукции? Наши менеджеры будут рады Вам помочь разобраться во всем. Просто заполните форму, и мы свяжемся с Вами как можно скорее.