PMG15 - Шаговые двигатели с постоянными магнитами
Техническое описание в формате .pdf
Заказ товара
Для того, чтобы сделать заказ, вы можете:
Прислать заявку по почте ring@upel.ru
Позвонить по тел./отправить факс на +7 (499) 490-03-65
Написать в Whatsapp
Мы работаем только с юридическими лицами. Соответственно, при оплате наших товаров используется только безналичный расчет. По предоплате и с НДС. Минимальная сумма заказа составляет пять тысяч рублей. Счет действителен в течение 3 рабочих дней.
Сроки отгрузки также указываются и в коммерческом предложении, и в счете. Мы делаем все возможные скидки крупным и постоянным клиентам. Если у вас есть достаточно крупный заказ или вы готовы заказывать регулярно — вам стоит обратиться к менеджеру и обсудить свою ПЕРСОНАЛЬНУЮ скидку.
Технические характеристики
| Характеристика | Значение |
|---|---|
| Производитель | Fulling Motor |
| Погрешность угла шага | ±7% |
| Повышение температуры | 40℃ |
| Колебание температуры | -10°C~+50°C |
| Изоляционное сопротивление | 100 MОм, 500 VDC |
| Класс изоляции | Класс Е |
| Диэлектрическая прочность | 650 VAC / 1s |
Стандартные модели
| Характеристика | Модель | ||
|---|---|---|---|
| PMG15102-01 | PMG1550-01 | PMG1550-03 | |
| Угол шага | 18/50 | 18/50 | 18/102.5 |
| Количество фаз | 2 | 2 | 2 |
| Напряжение (В) | 5 | 5 | 5 |
| Ток (А) | 0.5 | 0.5 | 0.5 |
| Сопротивление (Ом) | 10 | 10 | 10 |
| Индуктивность (мГн) | 2.3 | 2.8 | 2.3 |
| Момент втягивания (г·см) | 360 | 140 | 350 |
| Максимальная скорость втягивания (pps) | 1280 | 1150 | 1000 |
| Удерживающий крутящий момент (г·см) | 1350 | 2000 | 2000 |
| Соотношение | 1:50 | 1:50 | 1:102.5 |
| Масса (кг) | 0.0122 | 0.013 | 0.0122 |
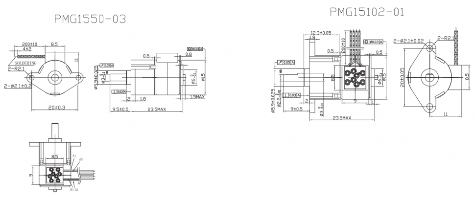
PMG15102-01
| Угол шага | 18/50 |
| Количество фаз | 2 |
| Напряжение (В) | 5 |
| Ток (А) | 0.5 |
| Сопротивление (Ом) | 10 |
| Индуктивность (мГн) | 2.3 |
| Момент втягивания (г·см) | 360 |
| Максимальная скорость втягивания (pps) | 1280 |
| Удерживающий крутящий момент (г·см) | 1350 |
| Соотношение | 1:50 |
| Масса (кг) | 0.0122 |
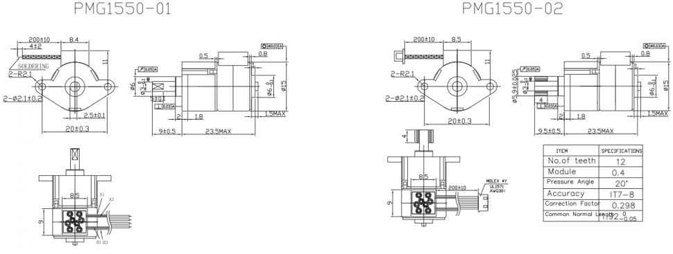
PMG1550-01
| Угол шага | 18/50 |
| Количество фаз | 2 |
| Напряжение (В) | 5 |
| Ток (А) | 0.5 |
| Сопротивление (Ом) | 10 |
| Индуктивность (мГн) | 2.8 |
| Момент втягивания (г·см) | 140 |
| Максимальная скорость втягивания (pps) | 1150 |
| Удерживающий крутящий момент (г·см) | 2000 |
| Соотношение | 1:50 |
| Масса (кг) | 0.013 |
PMG1550-03
| Угол шага | 18/102.5 |
| Количество фаз | 2 |
| Напряжение (В) | 5 |
| Ток (А) | 0.5 |
| Сопротивление (Ом) | 10 |
| Индуктивность (мГн) | 2.3 |
| Момент втягивания (г·см) | 350 |
| Максимальная скорость втягивания (pps) | 1000 |
| Удерживающий крутящий момент (г·см) | 2000 |
| Соотношение | 1:102.5 |
| Масса (кг) | 0.0122 |
Общее описание
Модель PMG15 представляет собой редукторный шаговый двигатель с постоянными магнитами. Ключевые технические параметры включают в себя стандартный угол шага 18°, преобразуемый редуктором на 1:50 или 1:102.5, работу с 2 фазами и номинальный ток 0.5 А. Удерживающий момент достигает 2000 г·см, а момент втягивания - до 360 г·см, что обеспечивает высокий крутящий момент и точное позиционирование.
Конструктивные особенности двигателя, включая использование редуктора, обеспечивают его надежную работу в системах, требующих повышенного усилия. Устройство соответствует высоким стандартам точности (точность угла шага ±7%, сопротивление ±10%) и надежности, включая класс изоляции E, диэлектрическую прочность 650 VAC и рабочий диапазон температур от -10°C до +50°C. Это позволяет использовать двигатель в ответственных промышленных и автоматизированных системах управления.
Остались вопросы?
Не нашли нужную модель или нужна консультация по продукции? Наши менеджеры будут рады Вам помочь разобраться во всем. Просто заполните форму, и мы свяжемся с Вами как можно скорее.