PM10/15/20/25 - Шаговые двигатели с постоянными магнитами
Техническое описание в формате .pdf
Заказ товара
Для того, чтобы сделать заказ, вы можете:
Прислать заявку по почте ring@upel.ru
Позвонить по тел./отправить факс на +7 (499) 490-03-65
Написать в Whatsapp
Мы работаем только с юридическими лицами. Соответственно, при оплате наших товаров используется только безналичный расчет. По предоплате и с НДС. Минимальная сумма заказа составляет пять тысяч рублей. Счет действителен в течение 3 рабочих дней.
Сроки отгрузки также указываются и в коммерческом предложении, и в счете. Мы делаем все возможные скидки крупным и постоянным клиентам. Если у вас есть достаточно крупный заказ или вы готовы заказывать регулярно — вам стоит обратиться к менеджеру и обсудить свою ПЕРСОНАЛЬНУЮ скидку.
Технические характеристики
| Характеристика | Значение |
|---|---|
| Производитель | Fulling Motor |
| Погрешность угла шага | ±8% |
| Повышение температуры | 80°C |
| Колебание температуры | -20°C~+50°C |
| Изоляционное сопротивление | 100 MОм, 500 VDC |
| Диэлектрическая прочность | 500 VAC / 1s |
| Радиальный люфт | 0.06 мм при 450 г |
| Осевой люфт | 0.08 мм при 450 г |
Стандартные модели
| Характеристика | Модель | ||||||||
|---|---|---|---|---|---|---|---|---|---|
| PM1020L03 | PM1020L06-1 | PM1512-01 | PM1512-02 | PM2018-01 | PM2018-02 | PM2516-01 | PM2515-01 | PM2515-02 | |
| Угол шага | 18 | 18 | 18 | 18 | 18 | 18 | 15 | 7.5 | 7.5 |
| Количество фаз | 2 | 2 | 2 | 2 | 4 | 2 | 4 | 2 | 4 |
| Напряжение (В) | 3.3 | 3.3 | 12 | 5 | 12 | 5 | 9 | 12 | 12 |
| Ток (А) | 0.22 | 0.22 | 0.04 | 0.5 | 0.24 | 0.5 | 0.45 | 0.24 | 0.25 |
| Сопротивление (Ом) | 15 | 15 | 300 | 10 | 50 | 10 | 20 | 50 | 50 |
| Удерживающий крутящий момент (г·см) | 16.3 | 16.3 | 40 | 27 | 80 | 60 | 140 | 170 | 160 |
| Крутящий момент фиксатора (г·см) | 10 | 10 | 10 | 6 | 25 | 20 | 75 | 45 | 35 |
| Инерция ротора (г·см²) | <1 | <1 | <1 | <1 | <1 | <1 | <1 | <1 | <1 |
| Схема электропроводки | A | А | A | C | B | A | B | A | B |
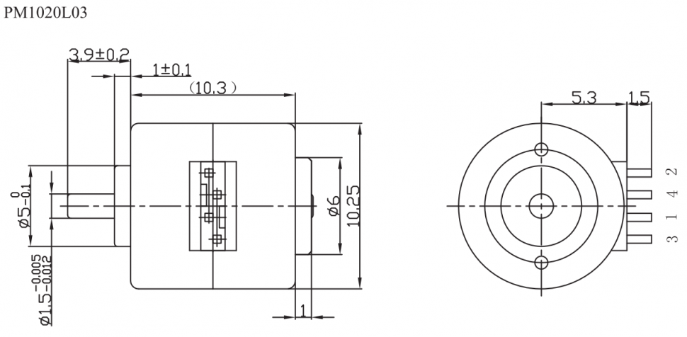
PM1020L03
| Угол шага | 18 |
| Количество фаз | 2 |
| Напряжение (В) | 3.3 |
| Ток (А) | 0.22 |
| Сопротивление (Ом) | 15 |
| Удерживающий крутящий момент (г·см) | 16.3 |
| Крутящий момент фиксатора (г·см) | 10 |
| Инерция ротора (г·см²) | <1 |
| Схема электропроводки | A |
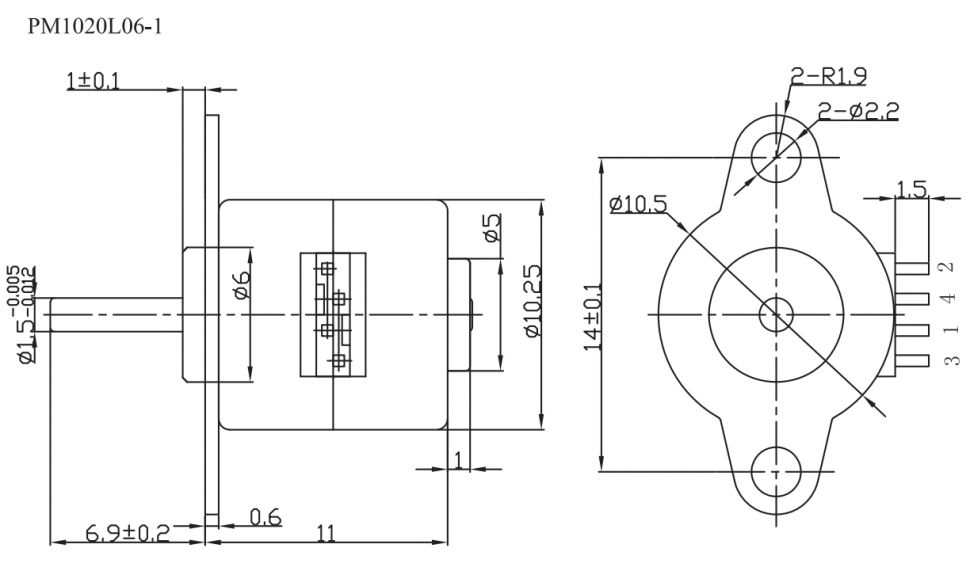
PM1020L06-1
| Угол шага | 18 |
| Количество фаз | 2 |
| Напряжение (В) | 3.3 |
| Ток (А) | 0.22 |
| Сопротивление (Ом) | 15 |
| Удерживающий крутящий момент (г·см) | 16.3 |
| Крутящий момент фиксатора (г·см) | 10 |
| Инерция ротора (г·см²) | <1 |
| Схема электропроводки | А |
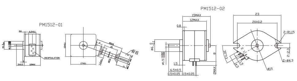
PM1512-01
| Угол шага | 18 |
| Количество фаз | 2 |
| Напряжение (В) | 12 |
| Ток (А) | 0.04 |
| Сопротивление (Ом) | 300 |
| Удерживающий крутящий момент (г·см) | 40 |
| Крутящий момент фиксатора (г·см) | 10 |
| Инерция ротора (г·см²) | <1 |
| Схема электропроводки | A |
PM1512-02
| Угол шага | 18 |
| Количество фаз | 2 |
| Напряжение (В) | 5 |
| Ток (А) | 0.5 |
| Сопротивление (Ом) | 10 |
| Удерживающий крутящий момент (г·см) | 27 |
| Крутящий момент фиксатора (г·см) | 6 |
| Инерция ротора (г·см²) | <1 |
| Схема электропроводки | C |
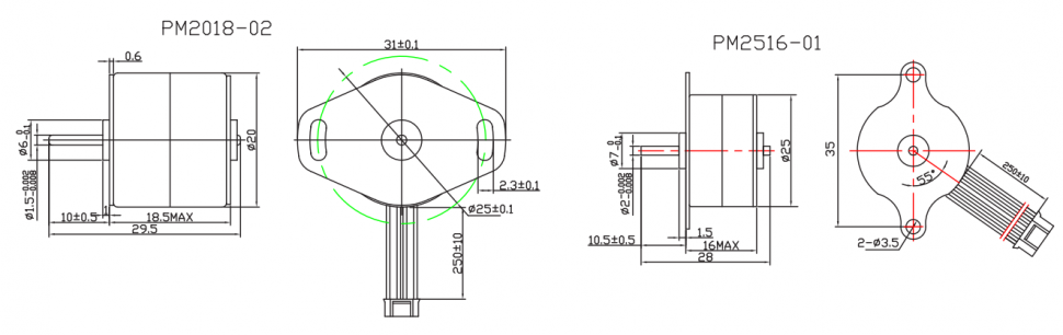
PM2018-01
| Угол шага | 18 |
| Количество фаз | 4 |
| Напряжение (В) | 12 |
| Ток (А) | 0.24 |
| Сопротивление (Ом) | 50 |
| Удерживающий крутящий момент (г·см) | 80 |
| Крутящий момент фиксатора (г·см) | 25 |
| Инерция ротора (г·см²) | <1 |
| Схема электропроводки | B |
PM2018-02
| Угол шага | 18 |
| Количество фаз | 2 |
| Напряжение (В) | 5 |
| Ток (А) | 0.5 |
| Сопротивление (Ом) | 10 |
| Удерживающий крутящий момент (г·см) | 60 |
| Крутящий момент фиксатора (г·см) | 20 |
| Инерция ротора (г·см²) | <1 |
| Схема электропроводки | A |
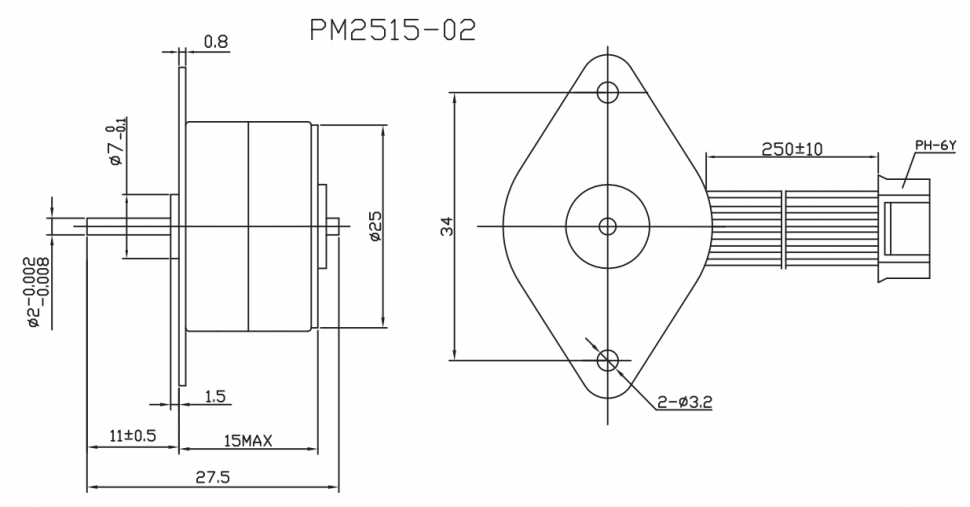
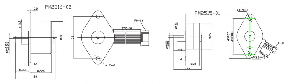
PM2516-01
| Угол шага | 15 |
| Количество фаз | 4 |
| Напряжение (В) | 9 |
| Ток (А) | 0.45 |
| Сопротивление (Ом) | 20 |
| Удерживающий крутящий момент (г·см) | 140 |
| Крутящий момент фиксатора (г·см) | 75 |
| Инерция ротора (г·см²) | <1 |
| Схема электропроводки | B |
PM2515-01
| Угол шага | 7.5 |
| Количество фаз | 2 |
| Напряжение (В) | 12 |
| Ток (А) | 0.24 |
| Сопротивление (Ом) | 50 |
| Удерживающий крутящий момент (г·см) | 170 |
| Крутящий момент фиксатора (г·см) | 45 |
| Инерция ротора (г·см²) | <1 |
| Схема электропроводки | A |
PM2515-02
| Угол шага | 7.5 |
| Количество фаз | 4 |
| Напряжение (В) | 12 |
| Ток (А) | 0.25 |
| Сопротивление (Ом) | 50 |
| Удерживающий крутящий момент (г·см) | 160 |
| Крутящий момент фиксатора (г·см) | 35 |
| Инерция ротора (г·см²) | <1 |
| Схема электропроводки | B |
Общее описание
Модель PM10/15/20/25 представляет собой шаговый двигатель с постоянными магнитами. Ключевые технические параметры включают угол шага 7.5°, 15° или 18°, работу с 2 или 4 фазами и широкий диапазон номинального тока от 0.04 А до 0.5 А. Удерживающий момент для различных моделей достигает 170 г·см, что обеспечивает стабильное позиционирование.
Конструктивные особенности двигателей обеспечивают их надежную работу в различных системах управления: стандартизированные схемы электропроводки (A, B, C), а также стабильные электрические параметры, включая точность угла шага ±8% и точность сопротивления ±10%. Широкий диапазон рабочих параметров позволяет использовать устройства в различных промышленных условиях и автоматизированных системах.
Остались вопросы?
Не нашли нужную модель или нужна консультация по продукции? Наши менеджеры будут рады Вам помочь разобраться во всем. Просто заполните форму, и мы свяжемся с Вами как можно скорее.