iSVD78C-36V-10-A14-001-EN - Модули планетарного шарнира
Техническое описание в формате .pdf
Заказ товара
Для того, чтобы сделать заказ, вы можете:
Прислать заявку по почте ring@upel.ru
Позвонить по тел./отправить факс на +7 (499) 490-03-65
Написать в Whatsapp
Мы работаем только с юридическими лицами. Соответственно, при оплате наших товаров используется только безналичный расчет. По предоплате и с НДС. Минимальная сумма заказа составляет пять тысяч рублей. Счет действителен в течение 3 рабочих дней.
Сроки отгрузки также указываются и в коммерческом предложении, и в счете. Мы делаем все возможные скидки крупным и постоянным клиентам. Если у вас есть достаточно крупный заказ или вы готовы заказывать регулярно — вам стоит обратиться к менеджеру и обсудить свою ПЕРСОНАЛЬНУЮ скидку.
Технические характеристики
| Характеристика | Значение |
|---|---|
| Производитель | Fulling Motor |
| Номинальное рабочее напряжение | 36VDC |
| Максимально допустимое напряжение | 50VDC |
| Номинальный рабочий фазный ток | 7Apk |
| Максимально допустимый фазный ток | 23Apk |
| Резервная мощность | ≤18 мА |
| Скорость передачи данных по шине CAN | 1 Мбит/с |
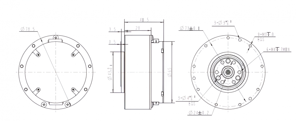
| Размеры (мм) | 58.0 |
| Температура рабочей среды | -20℃ до 50℃ |
| Максимально допустимая температура платы управления | 105℃ |
| Разрешение кодера | 14 бит |
Общее описание
iSVD78C-36V-10-A14-001-EN - модуль планетарного шарнира с номинальным напряжением питания 36 В постоянного тока (рабочий диапазон 24-50 В). Номинальный фазный ток 7 А (пик), максимальный - 23 А (пик). Номинальный крутящий момент 6 Н·м, пиковый - 17 Н·м. Скорость холостого хода 315 об/мин. Оснащен магнитным энкодером с разрешением 14 бит и интерфейсом CAN (скорость до 1 Мбит/с). Конструкция включает планетарный редуктор, встроенные датчики температуры и защиту от перегрузки. Рабочий диапазон температур окружающей среды от -20°C до +50°C. Используется в робототехнике, станках с ЧПУ, автоматизированном оборудовании и других системах, требующих точного позиционирования и высокого момента.
Стандартное состояние использования
1. Номинальное напряжение: 36 В постоянного тока
2. Диапазон рабочего напряжения: 24 - 50 В постоянного тока
3. Номинальная нагрузка (по часовой стрелке): 6 Нм
4. Направление работы: по часовой стрелке/против часовой стрелки от направления выходного вала
5. Положение использования: направление выходной оси горизонтальное или вертикальное
6. Стандартная рабочая температура: 25 ± 5 ℃ /p>
7. Диапазон рабочих температур: -20 ~ 50 ℃ /p>
8. Стандартная рабочая влажность: 65%
9. Диапазон влажности: 5 ~ 85%, без конденсации
10. Диапазон температур хранения: -30 ~ 70 ℃ /p>
11. Класс изоляции: класс B
Электрические характеристики
1. Скорость холостого хода: 315 об/мин ± 10%
2. Ток холостого хода: 0.5 А
3. Номинальная нагрузка: 6 Нм
4. Скорость холостого хода без нагрузки: 275 об/мин ± 10%
5. Номинальный ток фазы нагрузки (пик): 7 А (пик) ± 10%
6. Пиковая нагрузка: 17 Н·м
7. Максимальный ток фазы нагрузки (пик): 23 А (пик) ± 10%
8. Сопротивление изоляции/обмотка статора: постоянный ток 500 В переменного тока, 100 МОм
9. Высокое напряжение/статор и корпус: 600 В переменного тока, 1 с, 2 мА
10. Обратный потенциал двигателя: 9.6 В (ср. кв.)/тыс. об/мин ± 10%
11. Постоянная момента: 1.22 Н·м/ср. кв
12. Кривая TN (36 В)

13. Кривая TN (48 В)

Рекомендуемая марка и модель интерфейса драйвера
| Модель конца платы | Производитель бренда | Модель конца линии | Производитель бренда |
|---|---|---|---|
| XT30PB(2+2)-MGB | AMASS (Ams) | XT30(2+2)-FGB | АМАСС (АМС) |
Основные устройства и характеристики
| Номер | Элемент | Технические характеристики | Количество |
|---|---|---|---|
| 1 | Микроконтроллерный чип | GD32F303RET6 | 1 шт. |
| 2 | Чип драйвера | 6EDL7141 | 1 шт. |
| 3 | Чип магнитного энкодера | AS5047P | 1 шт. |
| 4 | Термистор | ||
| 5 | Мощность МОП | JMGG031V06A | 6 шт. |
Остались вопросы?
Не нашли нужную модель или нужна консультация по продукции? Наши менеджеры будут рады Вам помочь разобраться во всем. Просто заполните форму, и мы свяжемся с Вами как можно скорее.