FL96MSV - Серводвигатели без корпуса
Техническое описание в формате .pdf
Заказ товара
Для того, чтобы сделать заказ, вы можете:
Прислать заявку по почте ring@upel.ru
Позвонить по тел./отправить факс на +7 (499) 490-03-65
Написать в Whatsapp
Мы работаем только с юридическими лицами. Соответственно, при оплате наших товаров используется только безналичный расчет. По предоплате и с НДС. Минимальная сумма заказа составляет пять тысяч рублей. Счет действителен в течение 3 рабочих дней.
Сроки отгрузки также указываются и в коммерческом предложении, и в счете. Мы делаем все возможные скидки крупным и постоянным клиентам. Если у вас есть достаточно крупный заказ или вы готовы заказывать регулярно — вам стоит обратиться к менеджеру и обсудить свою ПЕРСОНАЛЬНУЮ скидку.
Технические характеристики
| Характеристика | Значение |
|---|---|
| Производитель | Fulling Motor |
| Диэлектрическая прочность | 600VAC / 1s |
| Изоляционное сопротивление | 100MОм, 500VDC |
| Колебание температуры | -20°C~+50°C |
| Класс изоляции | Класс Б |
Стандартные модели
| Характеристика | Модель |
|---|---|
| FL96MSV21 | |
| Количество полюсов | 10 |
| Количество фаз | 3 |
| Номинальное напряжение (VDC) | 48 |
| Номинальный крутящий момент (Н·м) | 2 |
| Номинальный ток (A) | 20 |
| Номинальная скорость (об/мин) | 3600 |
| Номинальная мощность (Вт) | 700 |
| Скорость (об/мин) | 4500 |
| Максимальный крутящий момент (Н·м) | 4 |
| Ток (А) | 45 |
| Сопротивление (Ом) | 0.08 |
| Индуктивность (мГн) | 0.4 |
| Постоянная крутящего момента (Н·м/А) | 0.12 |
| Обратная ЭДС (Vrms/KRPM) | 7.5 |
| Длина двигателя (мм) | 37 |
| Электрическая постоянная времени (мс) | 5 |
FL96MSV21
| Количество полюсов | 10 |
| Количество фаз | 3 |
| Номинальное напряжение (VDC) | 48 |
| Номинальный крутящий момент (Н·м) | 2 |
| Номинальный ток (A) | 20 |
| Номинальная скорость (об/мин) | 3600 |
| Номинальная мощность (Вт) | 700 |
| Скорость (об/мин) | 4500 |
| Максимальный крутящий момент (Н·м) | 4 |
| Ток (А) | 45 |
| Сопротивление (Ом) | 0.08 |
| Индуктивность (мГн) | 0.4 |
| Постоянная крутящего момента (Н·м/А) | 0.12 |
| Обратная ЭДС (Vrms/KRPM) | 7.5 |
| Длина двигателя (мм) | 37 |
| Электрическая постоянная времени (мс) | 5 |
Общее описание
Модель FL96MSV представляет собой бескорпусный серводвигатель. Ключевые технические параметры включают номинальную мощность 700 Вт, номинальную скорость 3600 об/мин и номинальный крутящий момент 2 Н·м. Конструктивные особенности двигателя гарантируют его стабильную и точную работу: компактное бескорпусное исполнение с длиной двигателя 37.0 мм и максимальный крутящий момент до 4 Н·м. Унифицированные геометрические параметры способствуют упрощённой интеграции в различные системы. Двигатель отличается высоким классом изоляции (Класс Б), диэлектрической прочностью 600VAC/1s, сопротивлением изоляции 100 МОм при 500VDC и рабочим диапазоном температур от -20°C до +50°C.
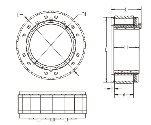
| Параметры | FL130MSV34 | Допуск |
|---|---|---|
| Наружный диаметр статора D | 96.0 мм | js9 |
| Длина статора L | 37.0 мм | ±1 |
| Внутренний диаметр ротора D1 | 38.0 мм | H8 |
| Длина ротора L1 | 21.4 мм | ±0.25 |
| Наружный диаметр поверхности заливки компаундом E | 91.0 мм | ±0.5 |
Электрическое соединение
| Цвет | Модель провода | Функция |
|---|---|---|
| Красный | AWG16 | Фаза U |
| Желтый | Фаза V | |
| Синий | Фаза W |
Остались вопросы?
Не нашли нужную модель или нужна консультация по продукции? Наши менеджеры будут рады Вам помочь разобраться во всем. Просто заполните форму, и мы свяжемся с Вами как можно скорее.