FL90BLW - Двигатели BLDC с внешним ротором
Техническое описание в формате .pdf
Заказ товара
Для того, чтобы сделать заказ, вы можете:
Прислать заявку по почте ring@upel.ru
Позвонить по тел./отправить факс на +7 (499) 490-03-65
Написать в Whatsapp
Мы работаем только с юридическими лицами. Соответственно, при оплате наших товаров используется только безналичный расчет. По предоплате и с НДС. Минимальная сумма заказа составляет пять тысяч рублей. Счет действителен в течение 3 рабочих дней.
Сроки отгрузки также указываются и в коммерческом предложении, и в счете. Мы делаем все возможные скидки крупным и постоянным клиентам. Если у вас есть достаточно крупный заказ или вы готовы заказывать регулярно — вам стоит обратиться к менеджеру и обсудить свою ПЕРСОНАЛЬНУЮ скидку.
Технические характеристики
| Характеристика | Значение |
|---|---|
| Производитель | Fulling Motor |
| Угол эффекта Холла | 120° |
| Радиальный люфт | 0.02 мм при 450 г |
| Осевой люфт | 0.08 мм при 450 г |
| Максимальное радиальное усилие (Н) | 110Н |
| Максимальное осевое усилие (Н) | 45Н |
| Диэлектрическая прочность | 600VAC / 1s |
| Изоляционное сопротивление | 100MОм, 500VDC |
| Колебание температуры | -20°C~+50°C |
| Класс изоляции | Класс Б |
Стандартные модели
| Характеристика | Модель | |
|---|---|---|
| FL90BLW27-24V-27130A | FL90BLW40-48V-16170A | |
| Количество полюсов | 22 | 22 |
| Количество фаз | 3 | 3 |
| Номинальное напряжение (VDC) | 24 | 48 |
| Номинальный крутящий момент (мН·м) | 0.457 | 0.964 |
| Постоянный крутящий момент (мН·м) | 0.548 | 1.157 |
| Номинальная скорость (об/мин) | 2700 | 1670 |
| Номинальная мощность (Вт) | 130 | 169 |
| Пиковый крутящий момент (мН·м) | 1.6 | 3 |
| Ток (А) | 23 | 13 |
| Сопротивление (Ом) | 0.21 | 0.65 |
| Индуктивность (мГн) | 0.19 | 0.9 |
| Постоянная крутящего момента (мН·м/А) | 70.2 | 241 |
| Обратная ЭДС (Vrms/KRPM) | 5.2 | 17.9 |
| Инерция ротора (г·см²) | 3000 | 5000 |
| Длина двигателя (мм) | 27.0 | 40.0 |
| Масса (кг) | 0.6 | 1 |
FL90BLW27-24V-27130A
| Количество полюсов | 22 |
| Количество фаз | 3 |
| Номинальное напряжение (VDC) | 24 |
| Номинальный крутящий момент (мН·м) | 0.457 |
| Постоянный крутящий момент (мН·м) | 0.548 |
| Номинальная скорость (об/мин) | 2700 |
| Номинальная мощность (Вт) | 130 |
| Пиковый крутящий момент (мН·м) | 1.6 |
| Ток (А) | 23 |
| Сопротивление (Ом) | 0.21 |
| Индуктивность (мГн) | 0.19 |
| Постоянная крутящего момента (мН·м/А) | 70.2 |
| Обратная ЭДС (Vrms/KRPM) | 5.2 |
| Инерция ротора (г·см²) | 3000 |
| Длина двигателя (мм) | 27.0 |
| Масса (кг) | 0.6 |
FL90BLW40-48V-16170A
| Количество полюсов | 22 |
| Количество фаз | 3 |
| Номинальное напряжение (VDC) | 48 |
| Номинальный крутящий момент (мН·м) | 0.964 |
| Постоянный крутящий момент (мН·м) | 1.157 |
| Номинальная скорость (об/мин) | 1670 |
| Номинальная мощность (Вт) | 169 |
| Пиковый крутящий момент (мН·м) | 3 |
| Ток (А) | 13 |
| Сопротивление (Ом) | 0.65 |
| Индуктивность (мГн) | 0.9 |
| Постоянная крутящего момента (мН·м/А) | 241 |
| Обратная ЭДС (Vrms/KRPM) | 17.9 |
| Инерция ротора (г·см²) | 5000 |
| Длина двигателя (мм) | 40.0 |
| Масса (кг) | 1 |
Общее описание
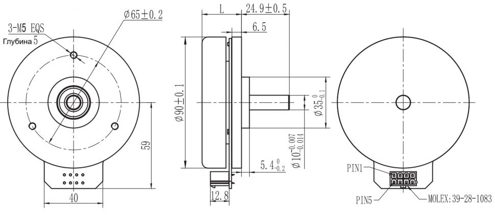
Модель FL90BLW представляет собой высокомощный бесщеточный двигатель постоянного тока (BLDC) с внешним ротором. Ключевые технические параметры включают угол коммутации по датчикам Холла 120°, минимальный радиальный люфт 0.02 мм и осевой 0.08 мм. Конструкция двигателя рассчитана на высокие радиальные нагрузки до 110 Н и осевые до 45 Н.
Конструктивной особенностью двигателя является исполнение с внешним ротором и 22 полюсами, что обеспечивает высокую удельную мощность и очень высокий крутящий момент. Система оснащена встроенными датчиками Холла для точной коммутации. Широкий диапазон рабочих температур (от -20°C до +50°C) и два варианта номинального напряжения (24 В и 48 В постоянного тока) позволяют использовать устройство в высоконагруженных промышленных системах, таких как мощные приводы, промышленные вентиляторы и тяжелые автоматизированные механизмы, где критически важны максимальная производительность, надежность и стабильная работа.
Электрическое соединение
| Модель разъема | Пин-номер | Функции |
|---|---|---|
| MOLEX:39-28-1083 | Пин 3 | Vcc |
| Пин 1 | U (Hu) | |
| Пин 2 | V (Hv) | |
| Пин 5 | W (Hw) | |
| Пин 6 | Земля | |
| Пин 7 | Фаза U | |
| Пин 8 | Фаза V | |
| Пин 4 | Фаза W |
Остались вопросы?
Не нашли нужную модель или нужна консультация по продукции? Наши менеджеры будут рады Вам помочь разобраться во всем. Просто заполните форму, и мы свяжемся с Вами как можно скорее.