FL86BLS - Стандартные двигатели BLDC
Техническое описание в формате .pdf
Заказ товара
Для того, чтобы сделать заказ, вы можете:
Прислать заявку по почте ring@upel.ru
Позвонить по тел./отправить факс на +7 (499) 490-03-65
Написать в Whatsapp
Мы работаем только с юридическими лицами. Соответственно, при оплате наших товаров используется только безналичный расчет. По предоплате и с НДС. Минимальная сумма заказа составляет пять тысяч рублей. Счет действителен в течение 3 рабочих дней.
Сроки отгрузки также указываются и в коммерческом предложении, и в счете. Мы делаем все возможные скидки крупным и постоянным клиентам. Если у вас есть достаточно крупный заказ или вы готовы заказывать регулярно — вам стоит обратиться к менеджеру и обсудить свою ПЕРСОНАЛЬНУЮ скидку.
Технические характеристики
| Характеристика | Значение |
|---|---|
| Производитель | Fulling Motor |
| Угол эффекта Холла | 120 градусов |
| Биение вала (мм) | 0.025 |
| Радиальный люфт | 0.02 мм при 450 г |
| Осевой люфт | 0.08 мм при 450 г |
| Максимальное радиальное усилие (Н) | 220Н |
| Максимальное осевое усилие (Н) | 60Н |
| Диэлектрическая прочность | 500VAC / 1s |
| Изоляционное сопротивление | 100MОм, 500VDC |
| Колебание температуры | -20°C~+50°C |
| Класс изоляции | Класс Б |
Стандартные модели
| Характеристика | Модель | ||||
|---|---|---|---|---|---|
| FL86BLS58 | FL86BLS71 | FL86BLS84 | FL86BLS98 | FL86BLS125 | |
| Количество полюсов | 8 | 8 | 8 | 8 | 8 |
| Количество фаз | 3 | 3 | 3 | 3 | 3 |
| Номинальное напряжение (VDC) | 48 | 48 | 48 | 48 | 48 |
| Номинальный крутящий момент (мН·м) | 0.35 | 0.7 | 1.05 | 1.4 | 2.1 |
| Постоянный крутящий момент (мН·м) | 0.42 | 0.84 | 1.26 | 1.68 | 2.52 |
| Номинальная скорость (об/мин) | 3000 | 3000 | 3000 | 3000 | 3000 |
| Номинальная мощность (Вт) | 110 | 220 | 330 | 440 | 660 |
| Пиковый крутящий момент (мН·м) | 1.05 | 2.1 | 3.15 | 4.2 | 6.3 |
| Ток (А) | 9.5 | 17.5 | 25 | 33.5 | 50 |
| Сопротивление (Ом) | 0.9 | 0.34 | 0.2 | 0.16 | 0.1 |
| Индуктивность (мГн) | 2.6 | 1 | 0.66 | 0.5 | 0.31 |
| Постоянная крутящего момента (мН·м/А) | 0.116 | 0.122 | 0.127 | 0.127 | 0.128 |
| Обратная ЭДС (Vrms/KRPM) | 8.6 | 9 | 9.4 | 9.4 | 9.5 |
| Инерция ротора (г·см²) | 400 | 800 | 1200 | 1600 | 2400 |
| Длина двигателя (мм) | 58.0 | 71.0 | 84.0 | 98.0 | 125.0 |
| Масса (кг) | 1.5 | 1.85 | 2.64 | 2.6 | 4.0 |
FL86BLS58
| Количество полюсов | 8 |
| Количество фаз | 3 |
| Номинальное напряжение (VDC) | 48 |
| Номинальный крутящий момент (мН·м) | 0.35 |
| Постоянный крутящий момент (мН·м) | 0.42 |
| Номинальная скорость (об/мин) | 3000 |
| Номинальная мощность (Вт) | 110 |
| Пиковый крутящий момент (мН·м) | 1.05 |
| Ток (А) | 9.5 |
| Сопротивление (Ом) | 0.9 |
| Индуктивность (мГн) | 2.6 |
| Постоянная крутящего момента (мН·м/А) | 0.116 |
| Обратная ЭДС (Vrms/KRPM) | 8.6 |
| Инерция ротора (г·см²) | 400 |
| Длина двигателя (мм) | 58.0 |
| Масса (кг) | 1.5 |
FL86BLS71
| Количество полюсов | 8 |
| Количество фаз | 3 |
| Номинальное напряжение (VDC) | 48 |
| Номинальный крутящий момент (мН·м) | 0.7 |
| Постоянный крутящий момент (мН·м) | 0.84 |
| Номинальная скорость (об/мин) | 3000 |
| Номинальная мощность (Вт) | 220 |
| Пиковый крутящий момент (мН·м) | 2.1 |
| Ток (А) | 17.5 |
| Сопротивление (Ом) | 0.34 |
| Индуктивность (мГн) | 1 |
| Постоянная крутящего момента (мН·м/А) | 0.122 |
| Обратная ЭДС (Vrms/KRPM) | 9 |
| Инерция ротора (г·см²) | 800 |
| Длина двигателя (мм) | 71.0 |
| Масса (кг) | 1.85 |
FL86BLS84
| Количество полюсов | 8 |
| Количество фаз | 3 |
| Номинальное напряжение (VDC) | 48 |
| Номинальный крутящий момент (мН·м) | 1.05 |
| Постоянный крутящий момент (мН·м) | 1.26 |
| Номинальная скорость (об/мин) | 3000 |
| Номинальная мощность (Вт) | 330 |
| Пиковый крутящий момент (мН·м) | 3.15 |
| Ток (А) | 25 |
| Сопротивление (Ом) | 0.2 |
| Индуктивность (мГн) | 0.66 |
| Постоянная крутящего момента (мН·м/А) | 0.127 |
| Обратная ЭДС (Vrms/KRPM) | 9.4 |
| Инерция ротора (г·см²) | 1200 |
| Длина двигателя (мм) | 84.0 |
| Масса (кг) | 2.64 |
FL86BLS98
| Количество полюсов | 8 |
| Количество фаз | 3 |
| Номинальное напряжение (VDC) | 48 |
| Номинальный крутящий момент (мН·м) | 1.4 |
| Постоянный крутящий момент (мН·м) | 1.68 |
| Номинальная скорость (об/мин) | 3000 |
| Номинальная мощность (Вт) | 440 |
| Пиковый крутящий момент (мН·м) | 4.2 |
| Ток (А) | 33.5 |
| Сопротивление (Ом) | 0.16 |
| Индуктивность (мГн) | 0.5 |
| Постоянная крутящего момента (мН·м/А) | 0.127 |
| Обратная ЭДС (Vrms/KRPM) | 9.4 |
| Инерция ротора (г·см²) | 1600 |
| Длина двигателя (мм) | 98.0 |
| Масса (кг) | 2.6 |
FL86BLS125
| Количество полюсов | 8 |
| Количество фаз | 3 |
| Номинальное напряжение (VDC) | 48 |
| Номинальный крутящий момент (мН·м) | 2.1 |
| Постоянный крутящий момент (мН·м) | 2.52 |
| Номинальная скорость (об/мин) | 3000 |
| Номинальная мощность (Вт) | 660 |
| Пиковый крутящий момент (мН·м) | 6.3 |
| Ток (А) | 50 |
| Сопротивление (Ом) | 0.1 |
| Индуктивность (мГн) | 0.31 |
| Постоянная крутящего момента (мН·м/А) | 0.128 |
| Обратная ЭДС (Vrms/KRPM) | 9.5 |
| Инерция ротора (г·см²) | 2400 |
| Длина двигателя (мм) | 125.0 |
| Масса (кг) | 4.0 |
Общее описание
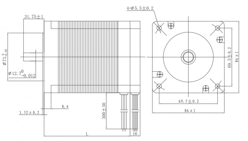
Модель FL86BLS представляет собой стандартный бесщеточный двигатель постоянного тока (BLDC). Ключевые технические параметры включают угол коммутации по датчикам Холла 120°, минимальный радиальный люфт 0.02 мм и осевой 0.08 мм. Конструкция двигателя рассчитана на высокие радиальные нагрузки до 220 Н и значительные осевые нагрузки до 60 Н.
Конструктивные особенности двигателя включают класс изоляции обмоток (Класс Б), проверку диэлектрической прочностью 600 VAC и наличие встроенных датчиков Холла для точной коммутации. Широкий диапазон рабочих температур (от -20°C до +50°C) с различными значениями крутящего момента и мощности (от 110 до 660 Вт) при сохранении номинального напряжения 48 В и скорости 3000 об/мин позволяют использовать устройство в мощных системах автоматизации, промышленной робототехнике и другом оборудовании, где требуются высокая нагрузочная способность, надежность и стабильная работа.
Электрическое соединение
| Tип | Цвет | Функции |
|---|---|---|
| UL1061 AWG28 | Красный | Vcc |
| Синий | U (Hu) | |
| Зеленый | V (Hv) | |
| Белый | W (Hw) | |
| Черный | Земля | |
| UL1430 AWG18 | Желтый | Фаза U |
| Красный | Фаза V | |
| Черный | Фаза W |
Остались вопросы?
Не нашли нужную модель или нужна консультация по продукции? Наши менеджеры будут рады Вам помочь разобраться во всем. Просто заполните форму, и мы свяжемся с Вами как можно скорее.