FL85HSV - Серводвигатели без корпуса
Техническое описание в формате .pdf
Заказ товара
Для того, чтобы сделать заказ, вы можете:
Прислать заявку по почте ring@upel.ru
Позвонить по тел./отправить факс на +7 (499) 490-03-65
Написать в Whatsapp
Мы работаем только с юридическими лицами. Соответственно, при оплате наших товаров используется только безналичный расчет. По предоплате и с НДС. Минимальная сумма заказа составляет пять тысяч рублей. Счет действителен в течение 3 рабочих дней.
Сроки отгрузки также указываются и в коммерческом предложении, и в счете. Мы делаем все возможные скидки крупным и постоянным клиентам. Если у вас есть достаточно крупный заказ или вы готовы заказывать регулярно — вам стоит обратиться к менеджеру и обсудить свою ПЕРСОНАЛЬНУЮ скидку.
Технические характеристики
| Характеристика | Значение |
|---|---|
| Производитель | Fulling Motor |
| Диэлектрическая прочность | 1000VAC / 1s |
| Сопротивление изоляции | 100MОм, 500VDC |
| Температура окружающей среды | -20°C~+50°C |
| Класс изоляции | Класс Б |
Стандартные модели
| Характеристика | Модель | |
|---|---|---|
| FL85HSV13-48V-29400-T | FL85HSV23-48V-350730-T-01 | |
| Количество полюсов | 20 | 20 |
| Количество фаз | 3 | 3 |
| Номинальное напряжение (VDC) | 48 | 48 |
| Номинальный крутящий момент (Н·м) | 1.2 | 2 |
| Номинальный ток (A) | 9 | 16.5 |
| Номинальная скорость (об/мин) | 2950 | 3500 |
| Номинальная мощность (Вт) | 370 | 732 |
| Скорость (об/мин) | 3700 | 4000 |
| Максимальный крутящий момент (Н·м) | 3.6 | 6 |
| Ток (А) | 27 | 49.5 |
| Сопротивление (Ом) | 0.21 | 0.09 |
| Индуктивность (мГн) | 0.3 | 0.12 |
| Постоянная крутящего момента (Н·м/А) | 0.143 | 0.13 |
| Обратная ЭДС (Vrms/KRPM) | 8.7 | 8.1 |
| Масса (кг) | 0.346 | 0.554 |
| Электрическая постоянная времени (мс) | 1.43 | 1.33 |
FL85HSV13-48V-29400-T
| Количество полюсов | 20 |
| Количество фаз | 3 |
| Номинальное напряжение (VDC) | 48 |
| Номинальный крутящий момент (Н·м) | 1.2 |
| Номинальный ток (A) | 9 |
| Номинальная скорость (об/мин) | 2950 |
| Номинальная мощность (Вт) | 370 |
| Скорость (об/мин) | 3700 |
| Максимальный крутящий момент (Н·м) | 3.6 |
| Ток (А) | 27 |
| Сопротивление (Ом) | 0.21 |
| Индуктивность (мГн) | 0.3 |
| Постоянная крутящего момента (Н·м/А) | 0.143 |
| Обратная ЭДС (Vrms/KRPM) | 8.7 |
| Масса (кг) | 0.346 |
| Электрическая постоянная времени (мс) | 1.43 |
FL85HSV23-48V-350730-T-01
| Количество полюсов | 20 |
| Количество фаз | 3 |
| Номинальное напряжение (VDC) | 48 |
| Номинальный крутящий момент (Н·м) | 2 |
| Номинальный ток (A) | 16.5 |
| Номинальная скорость (об/мин) | 3500 |
| Номинальная мощность (Вт) | 732 |
| Скорость (об/мин) | 4000 |
| Максимальный крутящий момент (Н·м) | 6 |
| Ток (А) | 49.5 |
| Сопротивление (Ом) | 0.09 |
| Индуктивность (мГн) | 0.12 |
| Постоянная крутящего момента (Н·м/А) | 0.13 |
| Обратная ЭДС (Vrms/KRPM) | 8.1 |
| Масса (кг) | 0.554 |
| Электрическая постоянная времени (мс) | 1.33 |
Общее описание
Модель FL85HSV представляет собой бескорпусный серводвигатель. Ключевые технические параметры включают номинальную мощность до 732 Вт, номинальную скорость до 3500 об/мин и номинальный крутящий момент до 2 Н·м.
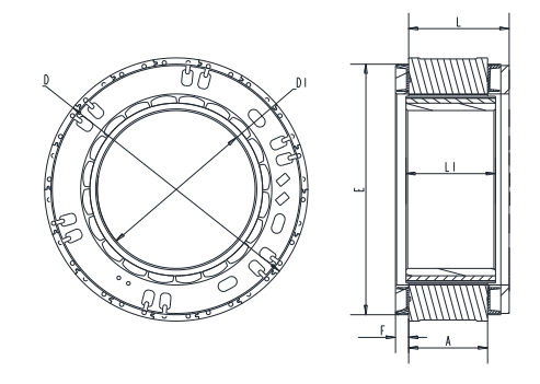
Конструктивные особенности двигателя гарантируют его стабильную и точную работу: компактное бескорпусное исполнение, максимальный крутящий момент до 6 Н·м и расширенный диапазон рабочих характеристик для двух стандартных моделей. Унифицированные геометрические параметры (такие как наружный диаметр статора D 85.0 мм, внутренний диаметр ротора D1 52.0 мм) способствуют упрощённой интеграции в различные системы. Двигатель отличается высоким классом изоляции (Класс Б), диэлектрической прочностью 1000VAC/1s, сопротивлением изоляции 100 МОм при 500VDC и рабочим диапазоном температур от -20°C до +50°C.
| Параметры | FL85HSV13 | FL85HSV23 | Допуск |
|---|---|---|---|
| Наружный диаметр статора D | 85.0 мм | 85.0 мм | ±0.043 (js9) |
| Длина статора L | 18.5 мм | 28.5 мм | ±1 |
| Внутренний диаметр ротора D1 | 52.0 мм | 52.0 мм | +0.046/0 (H8) |
| Длина ротора L1 | 15.0 мм | 25.0 мм | ±0.2 |
| Наружный диаметр поверхности заливки компаундом E | 81.0 мм | 81.0 мм | ±0.2 |
| Высота поверхности заливки компаундом F | 4.2 мм | 4.2 мм | ±0.3 |
| Высота магнитопровода статора A | 13.0 мм | 23.0 мм |
Электрическое соединение
| Цвет | Модель провода | Функция |
|---|---|---|
| Белый | UL1332 AWG26 | НТК |
| Белый | НТК | |
| Желтый | UL1332 AWG18 AWG16 | Фаза U |
| Красный | Фаза V | |
| Черный | Фаза W |
Остались вопросы?
Не нашли нужную модель или нужна консультация по продукции? Наши менеджеры будут рады Вам помочь разобраться во всем. Просто заполните форму, и мы свяжемся с Вами как можно скорее.