FL60SV - Стандартные серводвигатели
Техническое описание в формате .pdf
Заказ товара
Для того, чтобы сделать заказ, вы можете:
Прислать заявку по почте ring@upel.ru
Позвонить по тел./отправить факс на +7 (499) 490-03-65
Написать в Whatsapp
Мы работаем только с юридическими лицами. Соответственно, при оплате наших товаров используется только безналичный расчет. По предоплате и с НДС. Минимальная сумма заказа составляет пять тысяч рублей. Счет действителен в течение 3 рабочих дней.
Сроки отгрузки также указываются и в коммерческом предложении, и в счете. Мы делаем все возможные скидки крупным и постоянным клиентам. Если у вас есть достаточно крупный заказ или вы готовы заказывать регулярно — вам стоит обратиться к менеджеру и обсудить свою ПЕРСОНАЛЬНУЮ скидку.
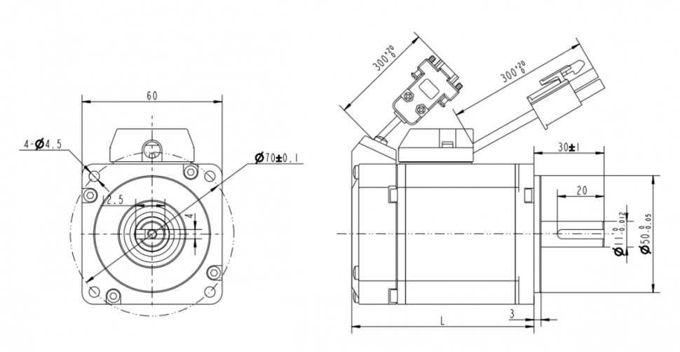
Технические характеристики
| Характеристика | Значение |
|---|---|
| Производитель | Fulling Motor |
| Тип кодера | 1. Оптический энкодер. 2. Магнитный энкодер. 3. Метод резольвера. Примечание: Доступны несколько разрешений. Доступны инкрементные и абсолютные значения. |
| Максимальное радиальное усилие (Н) | 245 |
| Максимальное осевое усилие (Н) | 98 |
| Класс изоляции | Класс Б |
| Класс IP | IP65 |
| Условия окружающей среды | Температура: -20℃~ +50℃. Относительная влажность: ≤90%RH. Среда установки: ≤1000 м (1000~4000 м, снижение номинальных характеристик), беречь от коррозии, горючих газов, капель масла, пыли. Температура окружающей среды: -20℃~ +85℃. Условия хранения: -20℃. |
Стандартные модели
| Характеристика | Модель | |||
|---|---|---|---|---|
| FL60SV20-48 | FL60SV20-220 | FL60SV40-48 | FL60SV40-220 | |
| Номинальная мощность (Вт) | 200 | 200 | 400 | 400 |
| Номинальное напряжение (VDC) | 48 | 220 | 48 | 220 |
| Номинальная скорость (об/мин) | 3000 | 3000 | 3000 | 3000 |
| Номинальный крутящий момент (мН·м) | 0.64 | 0.64 | 1.27 | 1.27 |
| Номинальный ток (A) | 6 | 1.2 | 12 | 2.4 |
| Скорость (об/мин) | 5000 | 6000 | 5000 | 6000 |
| Максимальный крутящий момент (Н·м) | 1.92 | 1.92 | 3.81 | 3.81 |
| Ток (А) | 18 | 3.6 | 36 | 7.2 |
| Сопротивление (Ом) | 0.38 | 9.35 | 0.23 | 3.46 |
| Индуктивность (мГн) | 0.68 | 17 | 0.3 | 7.14 |
| Обратная ЭДС (Vrms/KRPM) | 6.5 | 32 | 6.5 | 32 |
| Постоянный крутящий момент (мН·м) | 0.107 | 0.53 | 0.107 | 0.53 |
| Электрическая постоянная времени (мс) | 1.79 | 1.81 | 1.3 | 2.06 |
| Механическая постоянная времени (мс) | 0.85 | 21.01 | 0.52 | 12.96 |
| Инерция ротора (кг·см²) | 0.15 | 0.15 | 0.25 | 0.25 |
| Инерция ротора с тормозом (кг·см²) | 0.15 | 0.15 | 0.25 | 0.25 |
| Количество полюсов | 10 | 10 | 10 | 10 |
| Кодер | 2500 p/об. | 2500 p/об. | 2500 p/об. | 2500 p/об. |
| Длина двигателя L1(мм) | 86.5 | 79.5 | 106.0 | 99.0 |
| Длина двигателя L2(мм) | 123.0 | 116.0 | 142.5 | 135.5 |
| Масса (кг) | 0.95 | 0.9 | 1.35 | 1.3 |
| Масса с тормозом (кг) | 1.35 | 1.3 | 1.85 | 1.8 |
FL60SV20-48
| Номинальная мощность (Вт) | 200 |
| Номинальное напряжение (VDC) | 48 |
| Номинальная скорость (об/мин) | 3000 |
| Номинальный крутящий момент (мН·м) | 0.64 |
| Номинальный ток (A) | 6 |
| Скорость (об/мин) | 5000 |
| Максимальный крутящий момент (Н·м) | 1.92 |
| Ток (А) | 18 |
| Сопротивление (Ом) | 0.38 |
| Индуктивность (мГн) | 0.68 |
| Обратная ЭДС (Vrms/KRPM) | 6.5 |
| Постоянный крутящий момент (мН·м) | 0.107 |
| Электрическая постоянная времени (мс) | 1.79 |
| Механическая постоянная времени (мс) | 0.85 |
| Инерция ротора (кг·см²) | 0.15 |
| Инерция ротора с тормозом (кг·см²) | 0.15 |
| Количество полюсов | 10 |
| Кодер | 2500 p/об. |
| Длина двигателя L1(мм) | 86.5 |
| Длина двигателя L2(мм) | 123.0 |
| Масса (кг) | 0.95 |
| Масса с тормозом (кг) | 1.35 |
FL60SV20-220
| Номинальная мощность (Вт) | 200 |
| Номинальное напряжение (VDC) | 220 |
| Номинальная скорость (об/мин) | 3000 |
| Номинальный крутящий момент (мН·м) | 0.64 |
| Номинальный ток (A) | 1.2 |
| Скорость (об/мин) | 6000 |
| Максимальный крутящий момент (Н·м) | 1.92 |
| Ток (А) | 3.6 |
| Сопротивление (Ом) | 9.35 |
| Индуктивность (мГн) | 17 |
| Обратная ЭДС (Vrms/KRPM) | 32 |
| Постоянный крутящий момент (мН·м) | 0.53 |
| Электрическая постоянная времени (мс) | 1.81 |
| Механическая постоянная времени (мс) | 21.01 |
| Инерция ротора (кг·см²) | 0.15 |
| Инерция ротора с тормозом (кг·см²) | 0.15 |
| Количество полюсов | 10 |
| Кодер | 2500 p/об. |
| Длина двигателя L1(мм) | 79.5 |
| Длина двигателя L2(мм) | 116.0 |
| Масса (кг) | 0.9 |
| Масса с тормозом (кг) | 1.3 |
FL60SV40-48
| Номинальная мощность (Вт) | 400 |
| Номинальное напряжение (VDC) | 48 |
| Номинальная скорость (об/мин) | 3000 |
| Номинальный крутящий момент (мН·м) | 1.27 |
| Номинальный ток (A) | 12 |
| Скорость (об/мин) | 5000 |
| Максимальный крутящий момент (Н·м) | 3.81 |
| Ток (А) | 36 |
| Сопротивление (Ом) | 0.23 |
| Индуктивность (мГн) | 0.3 |
| Обратная ЭДС (Vrms/KRPM) | 6.5 |
| Постоянный крутящий момент (мН·м) | 0.107 |
| Электрическая постоянная времени (мс) | 1.3 |
| Механическая постоянная времени (мс) | 0.52 |
| Инерция ротора (кг·см²) | 0.25 |
| Инерция ротора с тормозом (кг·см²) | 0.25 |
| Количество полюсов | 10 |
| Кодер | 2500 p/об. |
| Длина двигателя L1(мм) | 106.0 |
| Длина двигателя L2(мм) | 142.5 |
| Масса (кг) | 1.35 |
| Масса с тормозом (кг) | 1.85 |
FL60SV40-220
| Номинальная мощность (Вт) | 400 |
| Номинальное напряжение (VDC) | 220 |
| Номинальная скорость (об/мин) | 3000 |
| Номинальный крутящий момент (мН·м) | 1.27 |
| Номинальный ток (A) | 2.4 |
| Скорость (об/мин) | 6000 |
| Максимальный крутящий момент (Н·м) | 3.81 |
| Ток (А) | 7.2 |
| Сопротивление (Ом) | 3.46 |
| Индуктивность (мГн) | 7.14 |
| Обратная ЭДС (Vrms/KRPM) | 32 |
| Постоянный крутящий момент (мН·м) | 0.53 |
| Электрическая постоянная времени (мс) | 2.06 |
| Механическая постоянная времени (мс) | 12.96 |
| Инерция ротора (кг·см²) | 0.25 |
| Инерция ротора с тормозом (кг·см²) | 0.25 |
| Количество полюсов | 10 |
| Кодер | 2500 p/об. |
| Длина двигателя L1(мм) | 99.0 |
| Длина двигателя L2(мм) | 135.5 |
| Масса (кг) | 1.3 |
| Масса с тормозом (кг) | 1.8 |
Общее описание
Модель FL60SV представляет собой стандартный серводвигатель. Ключевые технические параметры включают номинальную мощность до 400 Вт, номинальную скорость до 3000 об/мин и номинальный крутящий момент до 1.27 Н·м.
Конструктивные особенности двигателя гарантируют его стабильную и точную работу: возможность выбора типа обратной связи (оптический, магнитный энкодер или резольвер), высокую механическую нагрузочную способность (максимальная радиальная сила 245 Н, осевая - 98 Н) и расширенный диапазон рабочих характеристик для стандартных моделей. Двигатель отличается высокой степенью защиты IP65, высоким классом изоляции (Класс Б) и широким рабочим диапазоном температур от -20°C до +50°C.
Электрическое соединение
| Номер | Цвет | Свинцовый датчик | Функция | Описание |
|---|---|---|---|---|
| 1 | Желтый | Кабель AWG16 |
Фаза U | / |
| 2 | Kрасный | Фаза V | / | |
| 3 | Черный | Phase W | / |
Остались вопросы?
Не нашли нужную модель или нужна консультация по продукции? Наши менеджеры будут рады Вам помочь разобраться во всем. Просто заполните форму, и мы свяжемся с Вами как можно скорее.