FL60STH-C - Шаговые двигатели со встроенным разъемом
Техническое описание в формате .pdf
Заказ товара
Для того, чтобы сделать заказ, вы можете:
Прислать заявку по почте ring@upel.ru
Позвонить по тел./отправить факс на +7 (499) 490-03-65
Написать в Whatsapp
Мы работаем только с юридическими лицами. Соответственно, при оплате наших товаров используется только безналичный расчет. По предоплате и с НДС. Минимальная сумма заказа составляет пять тысяч рублей. Счет действителен в течение 3 рабочих дней.
Сроки отгрузки также указываются и в коммерческом предложении, и в счете. Мы делаем все возможные скидки крупным и постоянным клиентам. Если у вас есть достаточно крупный заказ или вы готовы заказывать регулярно — вам стоит обратиться к менеджеру и обсудить свою ПЕРСОНАЛЬНУЮ скидку.
Технические характеристики
| Характеристика | Значение |
|---|---|
| Производитель | Fulling Motor |
| Угол шага | 1.8° |
| Погрешность угла шага | ±5% |
| Радиальный люфт | 0.02 мм при 450 г |
| Осевой люфт | 0.08 мм при 450 г |
| Максимальное радиальное усилие (Н) | 75 |
| Максимальное осевое усилие (Н) | 15 |
| Диэлектрическая прочность | 600 VAC / 1s |
| Изоляционное сопротивление | 100 MОм, 500 VDC |
| Колебание температуры | -20°C~+50°C |
| Класс изоляции | Класс Б |
Стандартные модели
| Характеристика | Модель | |||
|---|---|---|---|---|
| FL60STH45-2804AFC | FL60STH56-2804AFC | FL60STH65-2804AFC | FL60STH86-2804AFC | |
| Ток (А) | 2.8 | 2.8 | 2.8 | 2.8 |
| Сопротивление (Ом) | 0.75 | 0.9 | 1.2 | 1.5 |
| Индуктивность (мГн) | 2 | 3.6 | 4.6 | 6.8 |
| Удерживающий крутящий момент (Н·м) | 1.1 | 1.65 | 2.1 | 3 |
| Фиксирующий крутящий момент (Н·м) | 0.05 | 0.07 | 0.09 | 0.12 |
| Количество выводных контактов | 4 | 4 | 4 | 4 |
| Инерция ротора (г·см²) | 275 | 400 | 570 | 840 |
| Масса (кг) | 0.6 | 0.77 | 1.2 | 1.4 |
| Длина (мм) | 47.0 ± 1.0 | 56.0 ± 1.0 | 67.0 ± 1.0 | 88.0 ± 1.0 |
FL60STH45-2804AFC
| Ток (А) | 2.8 |
| Сопротивление (Ом) | 0.75 |
| Индуктивность (мГн) | 2 |
| Удерживающий крутящий момент (Н·м) | 1.1 |
| Фиксирующий крутящий момент (Н·м) | 0.05 |
| Количество выводных контактов | 4 |
| Инерция ротора (г·см²) | 275 |
| Масса (кг) | 0.6 |
| Длина (мм) | 47.0 ± 1.0 |
FL60STH56-2804AFC
| Ток (А) | 2.8 |
| Сопротивление (Ом) | 0.9 |
| Индуктивность (мГн) | 3.6 |
| Удерживающий крутящий момент (Н·м) | 1.65 |
| Фиксирующий крутящий момент (Н·м) | 0.07 |
| Количество выводных контактов | 4 |
| Инерция ротора (г·см²) | 400 |
| Масса (кг) | 0.77 |
| Длина (мм) | 56.0 ± 1.0 |
FL60STH65-2804AFC
| Ток (А) | 2.8 |
| Сопротивление (Ом) | 1.2 |
| Индуктивность (мГн) | 4.6 |
| Удерживающий крутящий момент (Н·м) | 2.1 |
| Фиксирующий крутящий момент (Н·м) | 0.09 |
| Количество выводных контактов | 4 |
| Инерция ротора (г·см²) | 570 |
| Масса (кг) | 1.2 |
| Длина (мм) | 67.0 ± 1.0 |
FL60STH86-2804AFC
| Ток (А) | 2.8 |
| Сопротивление (Ом) | 1.5 |
| Индуктивность (мГн) | 6.8 |
| Удерживающий крутящий момент (Н·м) | 3 |
| Фиксирующий крутящий момент (Н·м) | 0.12 |
| Количество выводных контактов | 4 |
| Инерция ротора (г·см²) | 840 |
| Масса (кг) | 1.4 |
| Длина (мм) | 88.0 ± 1.0 |
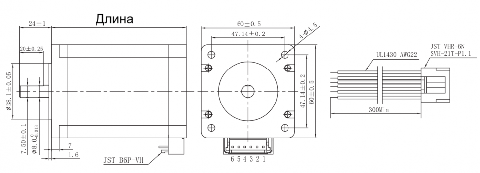
Общее описание
Модель FL60STH-C представляет собой шаговый двигатель со встроенным разъемом. Ключевые технические параметры включают стандартный угол шага 1.8° с высокой точностью ±5%, удерживающий момент до 3 Н·м и номинальный ток 2.8 А. Конструкция обеспечивает минимальный радиальный (0.02 мм) и осевой (0.08 мм) люфт при нагрузке 450 г, а также способность выдерживать радиальные нагрузки до 75 Н и осевые до 15 Н.
Конструктивные особенности двигателя, такие как встроенный разъем для удобства подключения, высокий класс изоляции (Класс Б) и проверка диэлектрической прочностью 600 VAC, обеспечивают его надежную и удобную интеграцию в различные системы управления. Широкий диапазон рабочих температур (от -20°C до +50°C) и стабильные электрические параметры позволяют использовать устройство в ответственных промышленных и автоматизированных системах, где требуются высокая точность позиционирования, надежность и упрощенный монтаж.
Остались вопросы?
Не нашли нужную модель или нужна консультация по продукции? Наши менеджеры будут рады Вам помочь разобраться во всем. Просто заполните форму, и мы свяжемся с Вами как можно скорее.