FL60HSV - Серводвигатели без корпуса
Техническое описание в формате .pdf
Заказ товара
Для того, чтобы сделать заказ, вы можете:
Прислать заявку по почте ring@upel.ru
Позвонить по тел./отправить факс на +7 (499) 490-03-65
Написать в Whatsapp
Мы работаем только с юридическими лицами. Соответственно, при оплате наших товаров используется только безналичный расчет. По предоплате и с НДС. Минимальная сумма заказа составляет пять тысяч рублей. Счет действителен в течение 3 рабочих дней.
Сроки отгрузки также указываются и в коммерческом предложении, и в счете. Мы делаем все возможные скидки крупным и постоянным клиентам. Если у вас есть достаточно крупный заказ или вы готовы заказывать регулярно — вам стоит обратиться к менеджеру и обсудить свою ПЕРСОНАЛЬНУЮ скидку.
Технические характеристики
| Характеристика | Значение |
|---|---|
| Производитель | Fulling Motor |
| Диэлектрическая прочность | 1000VAC / 1s |
| Изоляционное сопротивление | 100MОм, 500VDC |
| Колебание температуры | -20°C~+50°C |
| Класс изоляции | Класс Б |
Стандартные модели
| Характеристика | Модель |
|---|---|
| FL60HSV12-48V-40188 | |
| Количество полюсов | 20 |
| Количество фаз | 3 |
| Номинальное напряжение (VDC) | 48 |
| Номинальный крутящий момент (Н·м) | 0.45 |
| Номинальный ток (A) | 5 |
| Номинальная скорость (об/мин) | 4000 |
| Номинальная мощность (Вт) | 188 |
| Скорость (об/мин) | 5200 |
| Максимальный крутящий момент (Н·м) | 1.35 |
| Ток (А) | 15 |
| Сопротивление (Ом) | 0.58 |
| Индуктивность (мГн) | 0.47 |
| Постоянная крутящего момента (Н·м/А) | 0.102 |
| Обратная ЭДС (Vrms/KRPM) | 6.15 |
| Масса (кг) | 0.16 |
| Электрическая постоянная времени (мс) | 0.81 |
FL60HSV12-48V-40188
| Количество полюсов | 20 |
| Количество фаз | 3 |
| Номинальное напряжение (VDC) | 48 |
| Номинальный крутящий момент (Н·м) | 0.45 |
| Номинальный ток (A) | 5 |
| Номинальная скорость (об/мин) | 4000 |
| Номинальная мощность (Вт) | 188 |
| Скорость (об/мин) | 5200 |
| Максимальный крутящий момент (Н·м) | 1.35 |
| Ток (А) | 15 |
| Сопротивление (Ом) | 0.58 |
| Индуктивность (мГн) | 0.47 |
| Постоянная крутящего момента (Н·м/А) | 0.102 |
| Обратная ЭДС (Vrms/KRPM) | 6.15 |
| Масса (кг) | 0.16 |
| Электрическая постоянная времени (мс) | 0.81 |
Общее описание
Модель FL60HSV представляет собой бескорпусный серводвигатель. Ключевые технические параметры включают номинальную мощность 188 Вт, номинальную скорость 4000 об/мин и номинальный крутящий момент 0.45 Н·м. Конструктивные особенности двигателя гарантируют его стабильную и точную работу: компактное бескорпусное исполнение и максимальный крутящий момент до 1.35 Н·м. Унифицированные геометрические параметры способствуют упрощённой интеграции в различные системы. Двигатель отличается высоким классом изоляции (Класс Б), диэлектрической прочностью 1000VAC/1s, сопротивлением изоляции 100 МОм при 500VDC и рабочим диапазоном температур от -20°C до +50°C.
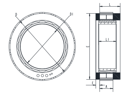
| Параметры | FL70BL19 | Допуск |
|---|---|---|
| Наружный диаметр статора D | 60.0 мм | ±0.03 (js9) |
| Длина статора L | 22.2 мм | / |
| Внутренний диаметр ротора D1 | 39.2 мм | (+0.039/0) H8 |
| Длина ротора L1 | 16.0 мм | ±0.2 |
| Наружный диаметр поверхности заливки компаундом E | 58.0 мм | / |
| Высота поверхности заливки компаундом F | 3.7 мм | ±0.5 |
| Высота магнитопровода статора A | 12.0 мм | / |
Электрическое соединение
| Цвет | Тип | Функции |
|---|---|---|
| Желтый | UL1332 AWG16 | Фаза U |
| Красный | Фаза V | |
| Черный | Фаза W |
Остались вопросы?
Не нашли нужную модель или нужна консультация по продукции? Наши менеджеры будут рады Вам помочь разобраться во всем. Просто заполните форму, и мы свяжемся с Вами как можно скорее.