FL60BLW - Двигатели BLDC с внешним ротором
Техническое описание в формате .pdf
Заказ товара
Для того, чтобы сделать заказ, вы можете:
Прислать заявку по почте ring@upel.ru
Позвонить по тел./отправить факс на +7 (499) 490-03-65
Написать в Whatsapp
Мы работаем только с юридическими лицами. Соответственно, при оплате наших товаров используется только безналичный расчет. По предоплате и с НДС. Минимальная сумма заказа составляет пять тысяч рублей. Счет действителен в течение 3 рабочих дней.
Сроки отгрузки также указываются и в коммерческом предложении, и в счете. Мы делаем все возможные скидки крупным и постоянным клиентам. Если у вас есть достаточно крупный заказ или вы готовы заказывать регулярно — вам стоит обратиться к менеджеру и обсудить свою ПЕРСОНАЛЬНУЮ скидку.
Технические характеристики
| Характеристика | Значение |
|---|---|
| Производитель | Fulling Motor |
| Угол эффекта Холла | 120° |
| Радиальный люфт | 0.02 мм при 450 г |
| Осевой люфт | 0.14 мм при 400 г |
| Максимальное радиальное усилие (Н) | 28Н |
| Максимальное осевое усилие (Н) | 10Н |
| Диэлектрическая прочность | 600VAC / 1s |
| Изоляционное сопротивление | 100MОм, 500VDC |
| Колебание температуры | -20°C~+50°C |
| Класс изоляции | Класс Б |
Стандартные модели
| Характеристика | Модель |
|---|---|
| FL60BLW38-24V-37110A-1 | |
| Количество полюсов | 14 |
| Количество фаз | 3 |
| Номинальное напряжение (VDC) | 24 |
| Номинальный крутящий момент (мН·м) | 290 |
| Постоянный крутящий момент (мН·м) | 348 |
| Номинальная скорость (об/мин) | 3700 |
| Номинальная мощность (Вт) | 110 |
| Пиковый крутящий момент (мН·м) | 870 |
| Ток (А) | 17.4 |
| Сопротивление (Ом) | 0.29 |
| Индуктивность (мГн) | 0.3 |
| Постоянная крутящего момента (мН·м/А) | 50 |
| Обратная ЭДС (Vrms/KRPM) | 3.75 |
| Инерция ротора (г·см²) | 1000 |
| Длина двигателя (мм) | 38.0 |
| Масса (кг) | 0.5 |
FL60BLW38-24V-37110A-1
| Количество полюсов | 14 |
| Количество фаз | 3 |
| Номинальное напряжение (VDC) | 24 |
| Номинальный крутящий момент (мН·м) | 290 |
| Постоянный крутящий момент (мН·м) | 348 |
| Номинальная скорость (об/мин) | 3700 |
| Номинальная мощность (Вт) | 110 |
| Пиковый крутящий момент (мН·м) | 870 |
| Ток (А) | 17.4 |
| Сопротивление (Ом) | 0.29 |
| Индуктивность (мГн) | 0.3 |
| Постоянная крутящего момента (мН·м/А) | 50 |
| Обратная ЭДС (Vrms/KRPM) | 3.75 |
| Инерция ротора (г·см²) | 1000 |
| Длина двигателя (мм) | 38.0 |
| Масса (кг) | 0.5 |
Общее описание
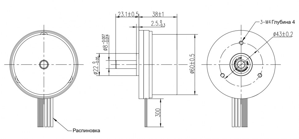
Модель FL60BLW представляет собой мощный бесщеточный двигатель постоянного тока (BLDC) с внешним ротором. Ключевые технические параметры включают угол коммутации по датчикам Холла 120°, минимальный радиальный люфт 0.02 мм и осевой 0.14 мм. Конструкция двигателя рассчитана на радиальные нагрузки до 28 Н и осевые до 10 Н.
Конструктивной особенностью двигателя является исполнение с внешним ротором и 14 полюсами, что обеспечивает высокую удельную мощность и значительный крутящий момент. Система оснащена встроенными датчиками Холла для точной коммутации. Широкий диапазон рабочих температур (от -20°C до +50°C) и номинальное напряжение 24 В постоянного тока позволяют использовать устройство в высоконагруженных системах, таких как промышленные приводы и автоматизированные механизмы, где важны высокая производительность, надежность и стабильная работа.
Электрическое соединение
| Модель разъема | Пин-номер | Функции |
|---|---|---|
| UL1332 AWG26 | Красный | Vcc |
| Синий | W (Hw) | |
| Зеленый | Y (Hу) | |
| Белый | U (Нu) | |
| Черный | Земля | |
| UL1332 AWG18 | Желтый | Фаза W |
| Красный | Фаза V | |
| Черный | Фаза U |
Остались вопросы?
Не нашли нужную модель или нужна консультация по продукции? Наши менеджеры будут рады Вам помочь разобраться во всем. Просто заполните форму, и мы свяжемся с Вами как можно скорее.