FL57STEN - Шаговые двигатели с повышенным крутящим моментом
Техническое описание в формате .pdf
Заказ товара
Для того, чтобы сделать заказ, вы можете:
Прислать заявку по почте ring@upel.ru
Позвонить по тел./отправить факс на +7 (499) 490-03-65
Написать в Whatsapp
Мы работаем только с юридическими лицами. Соответственно, при оплате наших товаров используется только безналичный расчет. По предоплате и с НДС. Минимальная сумма заказа составляет пять тысяч рублей. Счет действителен в течение 3 рабочих дней.
Сроки отгрузки также указываются и в коммерческом предложении, и в счете. Мы делаем все возможные скидки крупным и постоянным клиентам. Если у вас есть достаточно крупный заказ или вы готовы заказывать регулярно — вам стоит обратиться к менеджеру и обсудить свою ПЕРСОНАЛЬНУЮ скидку.
Технические характеристики
| Характеристика | Значение |
|---|---|
| Производитель | Fulling Motor |
| Угол шага | 1.8° |
| Погрешность угла шага | ±5% |
| Радиальный люфт | 0.02 мм при 450 г |
| Осевой люфт | 0.08 мм при 450 г |
| Максимальное радиальное усилие (Н) | 75 |
| Максимальное осевое усилие (Н) | 15 |
| Диэлектрическая прочность | 600 VAC / 1s |
| Изоляционное сопротивление | 100 MОм, 500 VDC |
| Колебание температуры | -20°C~+50°C |
| Класс изоляции | Класс Б |
Стандартные модели
| Характеристика | Модель | |
|---|---|---|
| FL57STEN56-2804A | FL57STEN78-2004A | |
| Ток (А) | 2.8 | 2 |
| Сопротивление (Ом) | 0.9 | 2.1 |
| Индуктивность (мГн) | 2.5 | 6.9 |
| Удерживающий крутящий момент (Н·м) | 1.5 | 2.8 |
| Фиксирующий крутящий момент (Н·м) | 0.06 | 0.12 |
| Количество выводных контактов | 4 | 4 |
| Инерция ротора (г·см²) | 300 | 500 |
| Масса (кг) | 0.7 | 1.1 |
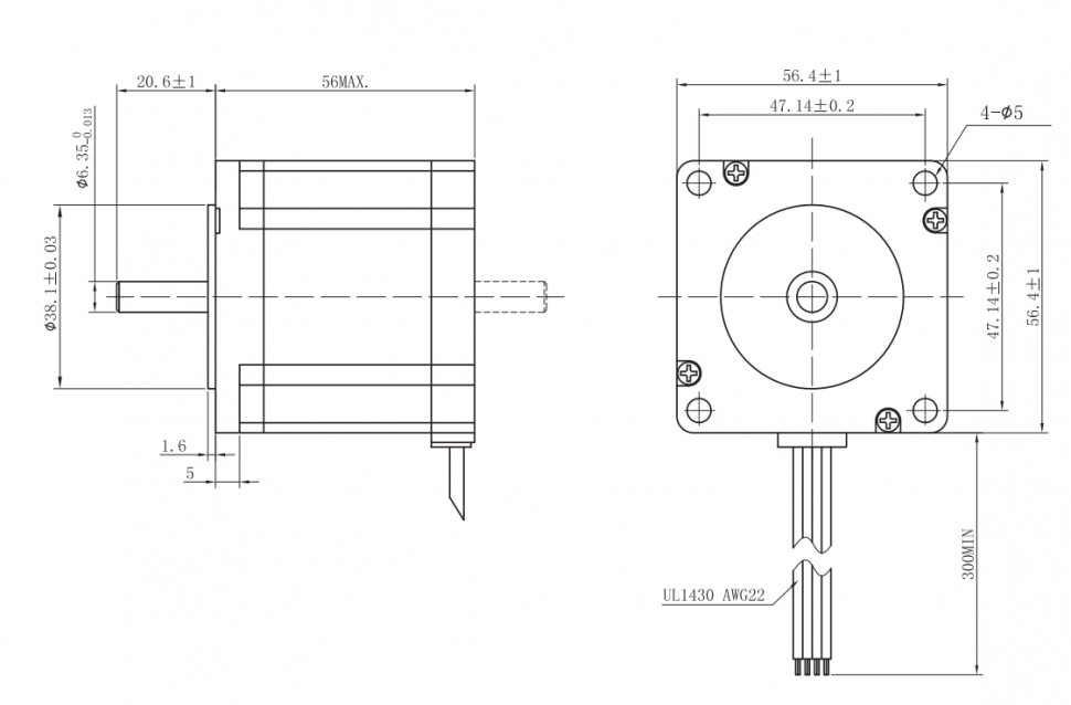
| Длина (мм) | 56.0 | 78.0 ± 1.0 |
FL57STEN56-2804A
| Ток (А) | 2.8 |
| Сопротивление (Ом) | 0.9 |
| Индуктивность (мГн) | 2.5 |
| Удерживающий крутящий момент (Н·м) | 1.5 |
| Фиксирующий крутящий момент (Н·м) | 0.06 |
| Количество выводных контактов | 4 |
| Инерция ротора (г·см²) | 300 |
| Масса (кг) | 0.7 |
| Длина (мм) | 56.0 |
FL57STEN78-2004A
| Ток (А) | 2 |
| Сопротивление (Ом) | 2.1 |
| Индуктивность (мГн) | 6.9 |
| Удерживающий крутящий момент (Н·м) | 2.8 |
| Фиксирующий крутящий момент (Н·м) | 0.12 |
| Количество выводных контактов | 4 |
| Инерция ротора (г·см²) | 500 |
| Масса (кг) | 1.1 |
| Длина (мм) | 78.0 ± 1.0 |
Общее описание
Модель FL57STEN представляет собой шаговый двигатель с повышенным крутящим моментом. Ключевые технические параметры включают стандартный угол шага 1.8° с точностью ±5%, минимальный радиальный (0.02 мм) и осевой (0.08 мм) люфт. Конструкция двигателя обеспечивает устойчивость к повышенным радиальным нагрузкам до 75 Н и осевым до 15 Н. Конструктивные особенности двигателя, такие как класс изоляции обмоток (Класс Б) и проверка диэлектрической прочностью 600 VAC, обеспечивают его надежную работу. Широкий диапазон рабочих температур (от -20°C до +50°C) и стабильные электрические параметры позволяют использовать устройство в системах автоматизации, где требуются повышенный крутящий момент, надежность и точность позиционирования.
Остались вопросы?
Не нашли нужную модель или нужна консультация по продукции? Наши менеджеры будут рады Вам помочь разобраться во всем. Просто заполните форму, и мы свяжемся с Вами как можно скорее.