FL50HSV - Серводвигатели без корпуса
Техническое описание в формате .pdf
Заказ товара
Для того, чтобы сделать заказ, вы можете:
Прислать заявку по почте ring@upel.ru
Позвонить по тел./отправить факс на +7 (499) 490-03-65
Написать в Whatsapp
Мы работаем только с юридическими лицами. Соответственно, при оплате наших товаров используется только безналичный расчет. По предоплате и с НДС. Минимальная сумма заказа составляет пять тысяч рублей. Счет действителен в течение 3 рабочих дней.
Сроки отгрузки также указываются и в коммерческом предложении, и в счете. Мы делаем все возможные скидки крупным и постоянным клиентам. Если у вас есть достаточно крупный заказ или вы готовы заказывать регулярно — вам стоит обратиться к менеджеру и обсудить свою ПЕРСОНАЛЬНУЮ скидку.
Технические характеристики
| Характеристика | Значение |
|---|---|
| Производитель | Fulling Motor |
| Угол эффекта Холла | 120 градусов |
| Диэлектрическая прочность | 1000VAC / 1s |
| Сопротивление изоляции | 100MОм, 500VDC |
| Температура окружающей среды | -20°C~+50°C |
| Класс изоляции | Класс Б |
Стандартные модели
| Характеристика | Модель | |
|---|---|---|
| FL50HSV08-48V-50170 | FL50HSV15-48V-35183 | |
| Количество полюсов | 20 | 20 |
| Количество фаз | 3 | 3 |
| Номинальное напряжение (VDC) | 48 | 48 |
| Номинальный крутящий момент (Н·м) | 0.3 | 0.5 |
| Номинальный ток (A) | 3.6 | 4.8 |
| Номинальная скорость (об/мин) | 5000 | 3500 |
| Номинальная мощность (Вт) | 157 | 183 |
| Скорость (об/мин) | 6200 | 4800 |
| Максимальный крутящий момент (Н·м) | 0.96 | 1.5 |
| Ток (А) | 11.6 | 14.5 |
| Сопротивление (Ом) | 0.93 | 0.77 |
| Индуктивность (мГн) | 0.45 | 0.38 |
| Постоянная крутящего момента (Н·м/А) | 0.089 | 0.117 |
| Обратная ЭДС (Vrms/KRPM) | 5.4 | 7.1 |
| Масса (кг) | 0.0096 | 0.147 |
| Электрическая постоянная времени (мс) | 0.48 | 0.49 |
FL50HSV08-48V-50170
| Количество полюсов | 20 |
| Количество фаз | 3 |
| Номинальное напряжение (VDC) | 48 |
| Номинальный крутящий момент (Н·м) | 0.3 |
| Номинальный ток (A) | 3.6 |
| Номинальная скорость (об/мин) | 5000 |
| Номинальная мощность (Вт) | 157 |
| Скорость (об/мин) | 6200 |
| Максимальный крутящий момент (Н·м) | 0.96 |
| Ток (А) | 11.6 |
| Сопротивление (Ом) | 0.93 |
| Индуктивность (мГн) | 0.45 |
| Постоянная крутящего момента (Н·м/А) | 0.089 |
| Обратная ЭДС (Vrms/KRPM) | 5.4 |
| Масса (кг) | 0.0096 |
| Электрическая постоянная времени (мс) | 0.48 |
FL50HSV15-48V-35183
| Количество полюсов | 20 |
| Количество фаз | 3 |
| Номинальное напряжение (VDC) | 48 |
| Номинальный крутящий момент (Н·м) | 0.5 |
| Номинальный ток (A) | 4.8 |
| Номинальная скорость (об/мин) | 3500 |
| Номинальная мощность (Вт) | 183 |
| Скорость (об/мин) | 4800 |
| Максимальный крутящий момент (Н·м) | 1.5 |
| Ток (А) | 14.5 |
| Сопротивление (Ом) | 0.77 |
| Индуктивность (мГн) | 0.38 |
| Постоянная крутящего момента (Н·м/А) | 0.117 |
| Обратная ЭДС (Vrms/KRPM) | 7.1 |
| Масса (кг) | 0.147 |
| Электрическая постоянная времени (мс) | 0.49 |
Общее описание
Модель FL50HSV представляет собой бескорпусный серводвигатель. Ключевые технические параметры включают номинальную мощность до 183 Вт, номинальную скорость до 5000 об/мин и номинальный крутящий момент до 0.5 Н·м.
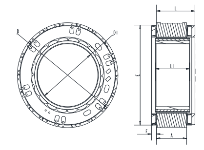
Конструктивные особенности двигателя гарантируют его стабильную и точную работу: компактное бескорпусное исполнение, максимальный крутящий момент до 1.5 Н·м и расширенный диапазон рабочих характеристик для двух стандартных моделей. Унифицированные геометрические параметры (такие как наружный диаметр статора D, внутренний диаметр ротора D1) способствуют упрощённой интеграции в различные системы. Двигатель отличается высоким классом изоляции, рабочим диапазоном температур от -20°C до +50°C и углом эффекта Холла 120 градусов.
| Параметры | FL50HSV08 | FL50HSV15 | Допуск |
|---|---|---|---|
| Наружный диаметр статора D | 50.0 мм | 50.0 мм | ±0.031 (js9) |
| Длина статора L | 20.0 мм | 26.0 мм | ±1 |
| Внутренний диаметр ротора D1 | 30.0 мм | 30.0 мм | (+0.033/0) H8 |
| Длина ротора L1 | 16.0 мм | 22.0 мм | ±0.2 |
| Наружный диаметр поверхности заливки компаундом E | 47.6 мм | 47.6 мм | ±0.2 |
| Высота поверхности заливки компаундом F | 2.5 мм | 2.5 мм | ±0.3 |
| Высота магнитопровода статора A | 8.6 мм | 15.0 мм | +0.2/-0.3 |
Электрическое соединение
| Цвет | Модель провода | Функция |
|---|---|---|
| ПИН1 | Разъем для датчика Холла не является обязательным. Тип: SM07B-GHS-TB | NTC2 |
| ПИН2 | NTC2 | |
| ПИН3 | Земля | |
| ПИН4 | Hv | |
| ПИН5 | Hu | |
| ПИН6 | Hw | |
| ПИН7 | Vcc | |
| Желтый | UL1332 AWG22 | Фаза U |
| Красный | Фаза V | |
| Черный | Фаза W |
Остались вопросы?
Не нашли нужную модель или нужна консультация по продукции? Наши менеджеры будут рады Вам помочь разобраться во всем. Просто заполните форму, и мы свяжемся с Вами как можно скорее.