FL46ST - Гибридные шаговые двигатели
Техническое описание в формате .pdf
Заказ товара
Для того, чтобы сделать заказ, вы можете:
Прислать заявку по почте ring@upel.ru
Позвонить по тел./отправить факс на +7 (499) 490-03-65
Написать в Whatsapp
Мы работаем только с юридическими лицами. Соответственно, при оплате наших товаров используется только безналичный расчет. По предоплате и с НДС. Минимальная сумма заказа составляет пять тысяч рублей. Счет действителен в течение 3 рабочих дней.
Сроки отгрузки также указываются и в коммерческом предложении, и в счете. Мы делаем все возможные скидки крупным и постоянным клиентам. Если у вас есть достаточно крупный заказ или вы готовы заказывать регулярно — вам стоит обратиться к менеджеру и обсудить свою ПЕРСОНАЛЬНУЮ скидку.
Технические характеристики
| Характеристика | Значение |
|---|---|
| Производитель | Fulling Motor |
| Угол шага | 1.8° |
| Погрешность угла шага | ±5% |
| Радиальный люфт | 0.02 мм при 450 г |
| Осевой люфт | 0.08 мм при 450 г |
| Максимальное радиальное усилие (Н) | 10 |
| Максимальное осевое усилие (Н) | 2 |
| Диэлектрическая прочность | 600 VAC / 1s |
| Изоляционное сопротивление | 100 MОм, 500 VDC |
| Колебание температуры | -20°C~+50°C |
| Класс изоляции | Класс Б |
Стандартные модели
| Характеристика | Модель |
|---|---|
| FL46ST16-1004A-01 | |
| Ток (А) | 1 |
| Сопротивление (Ом) | 3.2 |
| Индуктивность (мГн) | 2.5 |
| Удерживающий крутящий момент (Н·м) | 0.08 |
| Фиксирующий крутящий момент (Н·м) | 0.006 |
| Количество выводных контактов | 4 |
| Инерция ротора (г·см²) | 11 |
| Масса (кг) | 0.1 |
| Длина (мм) | 15.3 |
FL46ST16-1004A-01
| Ток (А) | 1 |
| Сопротивление (Ом) | 3.2 |
| Индуктивность (мГн) | 2.5 |
| Удерживающий крутящий момент (Н·м) | 0.08 |
| Фиксирующий крутящий момент (Н·м) | 0.006 |
| Количество выводных контактов | 4 |
| Инерция ротора (г·см²) | 11 |
| Масса (кг) | 0.1 |
| Длина (мм) | 15.3 |
Общее описание
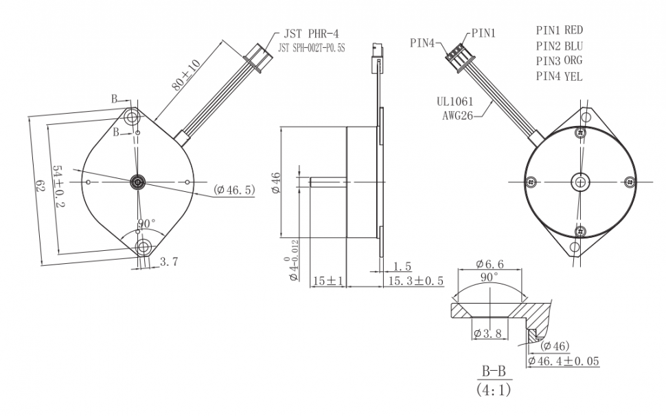
Модель FL46ST представляет собой компактный гибридный шаговый двигатель. Ключевые технические параметры включают угол шага 1.8° с точностью ±5%, работу с номинальным током 1 А и удерживающий момент 0.08 Н·м. Конструктивные особенности двигателя обеспечивают его надежную и высокоточную работу: минимальные радиальный и осевой люфты, диэлектрическая прочность 600 VAC и защитная изоляция класса B. Широкий диапазон рабочих температур от -20°C до +50°C в сочетании с малой массой 0.1 кг и небольшой длиной 15.3 мм позволяет использовать устройство в малогабаритных приборах, портативном оборудовании и других системах с ограниченным пространством.
Остались вопросы?
Не нашли нужную модель или нужна консультация по продукции? Наши менеджеры будут рады Вам помочь разобраться во всем. Просто заполните форму, и мы свяжемся с Вами как можно скорее.