FL45BLW - Двигатели BLDC с внешним ротором
Техническое описание в формате .pdf
Заказ товара
Для того, чтобы сделать заказ, вы можете:
Прислать заявку по почте ring@upel.ru
Позвонить по тел./отправить факс на +7 (499) 490-03-65
Написать в Whatsapp
Мы работаем только с юридическими лицами. Соответственно, при оплате наших товаров используется только безналичный расчет. По предоплате и с НДС. Минимальная сумма заказа составляет пять тысяч рублей. Счет действителен в течение 3 рабочих дней.
Сроки отгрузки также указываются и в коммерческом предложении, и в счете. Мы делаем все возможные скидки крупным и постоянным клиентам. Если у вас есть достаточно крупный заказ или вы готовы заказывать регулярно — вам стоит обратиться к менеджеру и обсудить свою ПЕРСОНАЛЬНУЮ скидку.
Технические характеристики
| Характеристика | Значение |
|---|---|
| Производитель | Fulling Motor |
| Угол эффекта Холла | 120° |
| Радиальный люфт | 0.02 мм при 450 г |
| Осевой люфт | 0.14 мм при 450 г |
| Максимальное радиальное усилие (Н) | 20Н |
| Максимальное осевое усилие (Н) | 10Н |
| Диэлектрическая прочность | 600VAC / 1s |
| Изоляционное сопротивление | 100MОм, 500VDC |
| Колебание температуры | -20°C~+50°C |
| Класс изоляции | Класс Б |
Стандартные модели
| Характеристика | Модель | ||
|---|---|---|---|
| FL45BLW18-24V-7130A | FL45BLW21-24V-6750A | FL45BLW27-24V-6170A | |
| Количество полюсов | 16 | 16 | 16 |
| Количество фаз | 3 | 3 | 3 |
| Номинальное напряжение (VDC) | 24 | 24 | 24 |
| Номинальный крутящий момент (мН·м) | 50 | 84 | 130 |
| Постоянный крутящий момент (мН·м) | 60 | 100 | 156 |
| Номинальная скорость (об/мин) | 5000 | 5260 | 4840 |
| Номинальная мощность (Вт) | 30 | 50 | 70 |
| Пиковый крутящий момент (мН·м) | 150 | 250 | 390 |
| Ток (А) | 4.3 | 7.4 | 11 |
| Сопротивление (Ом) | 1.42 | 0.72 | 0.56 |
| Индуктивность (мГн) | 0.59 | 0.33 | 0.27 |
| Постоянная крутящего момента (мН·м/А) | 35.2 | 34.4 | 37.1 |
| Обратная ЭДС (Vrms/KRPM) | 2.61 | 2.55 | 2.75 |
| Инерция ротора (г·см²) | 100 | 135 | 180 |
| Длина двигателя (мм) | 18.0 | 21.6 | 27.0 |
| Масса (кг) | 0.08 | 0.12 | 0.15 |
FL45BLW18-24V-7130A
| Количество полюсов | 16 |
| Количество фаз | 3 |
| Номинальное напряжение (VDC) | 24 |
| Номинальный крутящий момент (мН·м) | 50 |
| Постоянный крутящий момент (мН·м) | 60 |
| Номинальная скорость (об/мин) | 5000 |
| Номинальная мощность (Вт) | 30 |
| Пиковый крутящий момент (мН·м) | 150 |
| Ток (А) | 4.3 |
| Сопротивление (Ом) | 1.42 |
| Индуктивность (мГн) | 0.59 |
| Постоянная крутящего момента (мН·м/А) | 35.2 |
| Обратная ЭДС (Vrms/KRPM) | 2.61 |
| Инерция ротора (г·см²) | 100 |
| Длина двигателя (мм) | 18.0 |
| Масса (кг) | 0.08 |
FL45BLW21-24V-6750A
| Количество полюсов | 16 |
| Количество фаз | 3 |
| Номинальное напряжение (VDC) | 24 |
| Номинальный крутящий момент (мН·м) | 84 |
| Постоянный крутящий момент (мН·м) | 100 |
| Номинальная скорость (об/мин) | 5260 |
| Номинальная мощность (Вт) | 50 |
| Пиковый крутящий момент (мН·м) | 250 |
| Ток (А) | 7.4 |
| Сопротивление (Ом) | 0.72 |
| Индуктивность (мГн) | 0.33 |
| Постоянная крутящего момента (мН·м/А) | 34.4 |
| Обратная ЭДС (Vrms/KRPM) | 2.55 |
| Инерция ротора (г·см²) | 135 |
| Длина двигателя (мм) | 21.6 |
| Масса (кг) | 0.12 |
FL45BLW27-24V-6170A
| Количество полюсов | 16 |
| Количество фаз | 3 |
| Номинальное напряжение (VDC) | 24 |
| Номинальный крутящий момент (мН·м) | 130 |
| Постоянный крутящий момент (мН·м) | 156 |
| Номинальная скорость (об/мин) | 4840 |
| Номинальная мощность (Вт) | 70 |
| Пиковый крутящий момент (мН·м) | 390 |
| Ток (А) | 11 |
| Сопротивление (Ом) | 0.56 |
| Индуктивность (мГн) | 0.27 |
| Постоянная крутящего момента (мН·м/А) | 37.1 |
| Обратная ЭДС (Vrms/KRPM) | 2.75 |
| Инерция ротора (г·см²) | 180 |
| Длина двигателя (мм) | 27.0 |
| Масса (кг) | 0.15 |
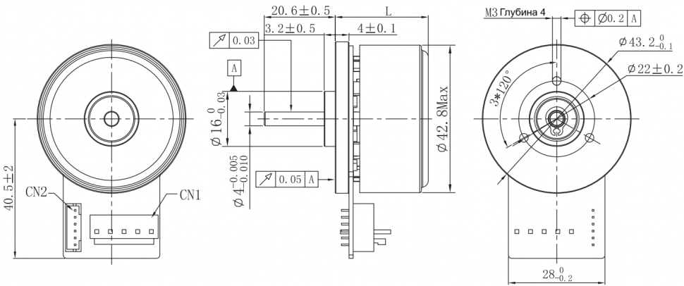
Общее описание
Модель FL45BLW представляет собой бесщеточный двигатель постоянного тока (BLDC) с внешним ротором. Ключевые технические параметры включают угол коммутации по датчикам Холла 120°, минимальный радиальный люфт 0.02 мм и осевой 0.14 мм. Конструкция двигателя рассчитана на повышенные радиальные нагрузки до 20 Н и осевые до 10 Н.
Конструктивной особенностью двигателя является исполнение с внешним ротором и 16 полюсами, что обеспечивает высокую удельную мощность, плавность хода и увеличенный крутящий момент. Система оснащена встроенными датчиками Холла для точной коммутации. Широкий диапазон рабочих температур (от -20°C до +50°C) и номинальное напряжение 24 В постоянного тока позволяют использовать устройство в мощных системах, таких как высокоскоростные приводы и автоматизированные механизмы, где важны высокая производительность, надежность и стабильная работа.
Электрическое соединение
| Модель разъема | Пин-номер | Функции |
|---|---|---|
| JST B6B-PH-KS | Пин 2 | Vcc |
| Пин 3 | W (Hw) | |
| Пин 4 | Y (Hу) | |
| Пин 5 | U (Нu) | |
| Пин 1/ Пин 6 | Земля | |
| JST B5P-VH | Пин 2 | Фаза W |
| Пин 3 | Фаза V | |
| Пин 4 | Фаза U | |
| Пин 1/ Пин 5 | Земля |
Остались вопросы?
Не нашли нужную модель или нужна консультация по продукции? Наши менеджеры будут рады Вам помочь разобраться во всем. Просто заполните форму, и мы свяжемся с Вами как можно скорее.