FL42SC - Шаговые двигатели с замкнутым контуром
Техническое описание в формате .pdf
Заказ товара
Для того, чтобы сделать заказ, вы можете:
Прислать заявку по почте ring@upel.ru
Позвонить по тел./отправить факс на +7 (499) 490-03-65
Написать в Whatsapp
Мы работаем только с юридическими лицами. Соответственно, при оплате наших товаров используется только безналичный расчет. По предоплате и с НДС. Минимальная сумма заказа составляет пять тысяч рублей. Счет действителен в течение 3 рабочих дней.
Сроки отгрузки также указываются и в коммерческом предложении, и в счете. Мы делаем все возможные скидки крупным и постоянным клиентам. Если у вас есть достаточно крупный заказ или вы готовы заказывать регулярно — вам стоит обратиться к менеджеру и обсудить свою ПЕРСОНАЛЬНУЮ скидку.
Технические характеристики
| Характеристика | Значение |
|---|---|
| Производитель | Fulling Motor |
| Тип кодера | 1. Оптический энкодер. 2. Магнитный энкодер. 3. Метод резольвера. Примечание: Доступны несколько разрешений. Доступны инкрементные и абсолютные значения. |
| Максимальное радиальное усилие (Н) | 28 |
| Максимальное осевое усилие (Н) | 10 |
| Класс изоляции | Класс Б |
| Класс IP | IP30 |
| Условия окружающей среды | Температура: -20℃~ +40℃; Относительная влажность: ≤90%RH; Среда установки: ≤1000 м (1000~4000 м, снижение номинальных характеристик); беречь от коррозии, горючих газов, капель масла, пыли; Температура окружающей среды: -20℃~ +60℃ |
Стандартные модели
| Характеристика | Модель | ||
|---|---|---|---|
| FL42SC03 | FL42SC06 | FL42SC08 | |
| Ток (А) | 2.3 | 2.3 | 2.3 |
| Удерживающий крутящий момент (Н·м) | 0.3 | 0.6 | 0.8 |
| Скорость (об/мин) | 1800 | 1800 | 1800 |
| Кодер | 1000 куб.см. Инкрементальный оптический энкодер 1000 имп/об. | 1000 куб.см. Инкрементальный оптический энкодер 1000 имп/об. | 1000 куб.см. Инкрементальный оптический энкодер 1000 имп/об. |
| Инерция ротора (г·см²) | 54 | 92 | 102 |
| Длина двигателя (мм) | 61.0 | 76.0 | 82.0 |
| Масса (кг) | 0.3 | 0.5 | 0.55 |
FL42SC03
| Ток (А) | 2.3 |
| Удерживающий крутящий момент (Н·м) | 0.3 |
| Скорость (об/мин) | 1800 |
| Кодер | 1000 куб.см. Инкрементальный оптический энкодер 1000 имп/об. |
| Инерция ротора (г·см²) | 54 |
| Длина двигателя (мм) | 61.0 |
| Масса (кг) | 0.3 |
FL42SC06
| Ток (А) | 2.3 |
| Удерживающий крутящий момент (Н·м) | 0.6 |
| Скорость (об/мин) | 1800 |
| Кодер | 1000 куб.см. Инкрементальный оптический энкодер 1000 имп/об. |
| Инерция ротора (г·см²) | 92 |
| Длина двигателя (мм) | 76.0 |
| Масса (кг) | 0.5 |
FL42SC08
| Ток (А) | 2.3 |
| Удерживающий крутящий момент (Н·м) | 0.8 |
| Скорость (об/мин) | 1800 |
| Кодер | 1000 куб.см. Инкрементальный оптический энкодер 1000 имп/об. |
| Инерция ротора (г·см²) | 102 |
| Длина двигателя (мм) | 82.0 |
| Масса (кг) | 0.55 |
Общее описание
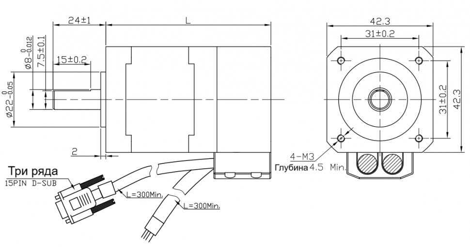
Модель FL42SC представляет собой шаговый двигатель с замкнутым контуром. Ключевая особенность системы - наличие энкодера (доступны оптический, магнитный типы или резольвер с различными разрешениями), что обеспечивает обратную связь по положению и повышает точность. Конструкция двигателя рассчитана на радиальные нагрузки до 28 Н и осевые до 10 Н.
Конструктивные особенности двигателя включают класс изоляции обмоток (Класс Б) и степень защиты корпуса IP30. Устройство предназначено для работы в условиях умеренной окружающей среды: температура от -20℃ до +40℃, влажность до 90% и высота установки до 1000 м. Компактная серия двигателей с энкодером предназначена для применения в системах автоматизации, где требуются повышенная точность позиционирования, контроль скорости и момента в режиме реального времени.
Электрическое соединение
| Номер | Цвет | Свинцовый датчик | Функция | Описание |
|---|---|---|---|---|
| 3 | Красный/Белый | Кабель Три ряда 15-контактный D-SUB |
Земля | Мощность сигнала отрицательная |
| 2 | Красный | VCC:+5 В постоянного тока | Мощность сигнала положительная | |
| 13 | Синий | EA- | Двухканальный дифференциальный сигнал (может быть предоставлен трехканальный дифференциальный сигнал). | |
| 1 | Синий/Черный | ЕА+ | ||
| 12 | Черный | EB- | ||
| 11 | Черный/Белый | EB+ | ||
| 1 | Черный
|
Фаза А | ||
| 2 | Зеленый | Фаза C | ||
| 3 | Красный | Фаза B | ||
| 4 | Синий | Фаза D |
Остались вопросы?
Не нашли нужную модель или нужна консультация по продукции? Наши менеджеры будут рады Вам помочь разобраться во всем. Просто заполните форму, и мы свяжемся с Вами как можно скорее.