FL42CBL-IE - Двигатели BLDC со встроенным драйвером
Техническое описание в формате .pdf
Заказ товара
Для того, чтобы сделать заказ, вы можете:
Прислать заявку по почте ring@upel.ru
Позвонить по тел./отправить факс на +7 (499) 490-03-65
Написать в Whatsapp
Мы работаем только с юридическими лицами. Соответственно, при оплате наших товаров используется только безналичный расчет. По предоплате и с НДС. Минимальная сумма заказа составляет пять тысяч рублей. Счет действителен в течение 3 рабочих дней.
Сроки отгрузки также указываются и в коммерческом предложении, и в счете. Мы делаем все возможные скидки крупным и постоянным клиентам. Если у вас есть достаточно крупный заказ или вы готовы заказывать регулярно — вам стоит обратиться к менеджеру и обсудить свою ПЕРСОНАЛЬНУЮ скидку.
Технические характеристики
| Характеристика | Значение |
|---|---|
| Производитель | Fulling Motor |
| Тип обмотки | соединение звездой |
| Угол эффекта Холла | 120 градусов |
| Радиальный люфт | 0.02 мм при 450 г |
| Осевой люфт | 0.08 мм при 450 г |
| Максимальное радиальное усилие (Н) | 15 |
| Максимальное осевое усилие (Н) | 10 |
| Диэлектрическая прочность | 600VAC / 1s |
| Изоляционное сопротивление | 100MОм, 500VDC |
| Колебание температуры | -20°C~+50°C |
| Класс изоляции | Класс Б |
Стандартные модели
| Характеристика | Модель | |
|---|---|---|
| FL42CBL60-24V-5943-IE | FL42CBL66-24V-3031A-IE | |
| Количество полюсов | 4 | 4 |
| Количество фаз | 3 | 3 |
| Номинальный крутящий момент (мН·м) | 68 | 100 |
| Постоянный крутящий момент (мН·м) | 81.6 | 120 |
| Номинальная скорость (об/мин) | 5900 | 3000 |
| Номинальная мощность (Вт) | 43 | 31 |
| Пиковый крутящий момент (мН·м) | 92 | 200 |
| Ток (А) | 3 | 3 |
| Сопротивление (Ом) | 0.82 | 2.5 |
| Индуктивность (мГн) | 1.2 | 3.3 |
| Постоянная крутящего момента (мН·м/А) | 33.75 | 65 |
| Обратная ЭДС (Vrms/KRPM) | 2.5 | 4.82 |
| Инерция ротора (г·см²) | 44 | 55 |
| Длина двигателя (мм) | 60.0 | 66.0 |
| Масса (кг) | 0.35 | 0.44 |
FL42CBL60-24V-5943-IE
| Количество полюсов | 4 |
| Количество фаз | 3 |
| Номинальный крутящий момент (мН·м) | 68 |
| Постоянный крутящий момент (мН·м) | 81.6 |
| Номинальная скорость (об/мин) | 5900 |
| Номинальная мощность (Вт) | 43 |
| Пиковый крутящий момент (мН·м) | 92 |
| Ток (А) | 3 |
| Сопротивление (Ом) | 0.82 |
| Индуктивность (мГн) | 1.2 |
| Постоянная крутящего момента (мН·м/А) | 33.75 |
| Обратная ЭДС (Vrms/KRPM) | 2.5 |
| Инерция ротора (г·см²) | 44 |
| Длина двигателя (мм) | 60.0 |
| Масса (кг) | 0.35 |
FL42CBL66-24V-3031A-IE
| Количество полюсов | 4 |
| Количество фаз | 3 |
| Номинальный крутящий момент (мН·м) | 100 |
| Постоянный крутящий момент (мН·м) | 120 |
| Номинальная скорость (об/мин) | 3000 |
| Номинальная мощность (Вт) | 31 |
| Пиковый крутящий момент (мН·м) | 200 |
| Ток (А) | 3 |
| Сопротивление (Ом) | 2.5 |
| Индуктивность (мГн) | 3.3 |
| Постоянная крутящего момента (мН·м/А) | 65 |
| Обратная ЭДС (Vrms/KRPM) | 4.82 |
| Инерция ротора (г·см²) | 55 |
| Длина двигателя (мм) | 66.0 |
| Масса (кг) | 0.44 |
Общее описание
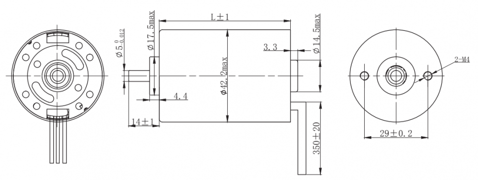
Модель FL42CBL-IE представляет собой бесщеточный двигатель постоянного тока (BLDC) со встроенным драйвером. Ключевые технические параметры включают угол коммутации по датчикам Холла 120°, минимальный радиальный люфт 0.02 мм и осевой 0.08 мм. Конструкция двигателя рассчитана на радиальные нагрузки до 15 Н и осевые до 10 Н.
Конструктивной особенностью системы является полная интеграция двигателя и электроники управления в единый корпус диаметром 42.0 мм. Решение включает в себя датчики Холла, схему коммутации и универсальные интерфейсы для управления направлением вращения, скоростью (аналоговый сигнал), торможением и обратной связью по скорости через тахогенератор. Устройство предназначено для применения в системах автоматизации, где требуются простота подключения, компактность и возможность прямого управления от низковольтных источников питания.
Электрическое соединение
| Тип | Цвет | Функции |
|---|---|---|
| UL1332 AWG22 | Красный | Vcc |
| Черный | Земля | |
| UL1430 AWG26 | Зеленый | Направление вращения: CW/CCW |
| Белый | Регулятор скорости | |
| Синий | Тормоз | |
| Желтый | Выход тахогенератора |
Остались вопросы?
Не нашли нужную модель или нужна консультация по продукции? Наши менеджеры будут рады Вам помочь разобраться во всем. Просто заполните форму, и мы свяжемся с Вами как можно скорее.