FL42BLB - Стандартные двигатели BLDC
Техническое описание в формате .pdf
Заказ товара
Для того, чтобы сделать заказ, вы можете:
Прислать заявку по почте ring@upel.ru
Позвонить по тел./отправить факс на +7 (499) 490-03-65
Написать в Whatsapp
Мы работаем только с юридическими лицами. Соответственно, при оплате наших товаров используется только безналичный расчет. По предоплате и с НДС. Минимальная сумма заказа составляет пять тысяч рублей. Счет действителен в течение 3 рабочих дней.
Сроки отгрузки также указываются и в коммерческом предложении, и в счете. Мы делаем все возможные скидки крупным и постоянным клиентам. Если у вас есть достаточно крупный заказ или вы готовы заказывать регулярно — вам стоит обратиться к менеджеру и обсудить свою ПЕРСОНАЛЬНУЮ скидку.
Технические характеристики
| Характеристика | Значение |
|---|---|
| Производитель | Fulling Motor |
| Угол эффекта Холла | 120 градусов |
| Радиальный люфт | 0.02 мм при 450 г |
| Осевой люфт | 0.08 мм при 450 г |
| Максимальное радиальное усилие (Н) | 28 |
| Максимальное осевое усилие (Н) | 10 |
| Диэлектрическая прочность | 600VAC / 1s |
| Изоляционное сопротивление | 100MОм, 500VDC |
| Колебание температуры | -20°C~+50°C |
| Класс изоляции | Класс Б |
Стандартные модели
| Характеристика | Модель | |||
|---|---|---|---|---|
| FL42BLB01 | FL42BLB02 | FL42BLB03 | FL42BLB04 | |
| Количество полюсов | 6 | 6 | 6 | 6 |
| Количество фаз | 3 | 3 | 3 | 3 |
| Номинальное напряжение (VDC) | 24 | 24 | 24 | 24 |
| Номинальный крутящий момент (мН·м) | 64 | 170 | 300 | 440 |
| Постоянный крутящий момент (мН·м) | 74 | 200 | 350 | 490 |
| Номинальная скорость (об/мин) | 3000 | 3000 | 3000 | 3000 |
| Номинальная мощность (Вт) | 20 | 53.5 | 94 | 138 |
| Пиковый крутящий момент (мН·м) | 192 | 510 | 900 | 1320 |
| Ток (А) | 3.5 | 8.5 | 14.5 | 21 |
| Сопротивление (Ом) | 4 | 1.05 | 0.54 | 0.4 |
| Индуктивность (мГн) | 2.1 | 0.75 | 0.46 | 0.3 |
| Постоянная крутящего момента (мН·м/А) | 0.057 | 0.06 | 0.062 | 0.0624 |
| Обратная ЭДС (Vrms/KRPM) | 4.2 | 4.5 | 4.57 | 4.6 |
| Инерция ротора (г·см²) | 80 | 100 | 120 | 140 |
| Длина двигателя (мм) | 40.3 | 60.3 | 80.3 | 100.3 |
| Масса (кг) | 0.4 | 0.6 | 0.8 | 1 |
FL42BLB01
| Количество полюсов | 6 |
| Количество фаз | 3 |
| Номинальное напряжение (VDC) | 24 |
| Номинальный крутящий момент (мН·м) | 64 |
| Постоянный крутящий момент (мН·м) | 74 |
| Номинальная скорость (об/мин) | 3000 |
| Номинальная мощность (Вт) | 20 |
| Пиковый крутящий момент (мН·м) | 192 |
| Ток (А) | 3.5 |
| Сопротивление (Ом) | 4 |
| Индуктивность (мГн) | 2.1 |
| Постоянная крутящего момента (мН·м/А) | 0.057 |
| Обратная ЭДС (Vrms/KRPM) | 4.2 |
| Инерция ротора (г·см²) | 80 |
| Длина двигателя (мм) | 40.3 |
| Масса (кг) | 0.4 |
FL42BLB02
| Количество полюсов | 6 |
| Количество фаз | 3 |
| Номинальное напряжение (VDC) | 24 |
| Номинальный крутящий момент (мН·м) | 170 |
| Постоянный крутящий момент (мН·м) | 200 |
| Номинальная скорость (об/мин) | 3000 |
| Номинальная мощность (Вт) | 53.5 |
| Пиковый крутящий момент (мН·м) | 510 |
| Ток (А) | 8.5 |
| Сопротивление (Ом) | 1.05 |
| Индуктивность (мГн) | 0.75 |
| Постоянная крутящего момента (мН·м/А) | 0.06 |
| Обратная ЭДС (Vrms/KRPM) | 4.5 |
| Инерция ротора (г·см²) | 100 |
| Длина двигателя (мм) | 60.3 |
| Масса (кг) | 0.6 |
FL42BLB03
| Количество полюсов | 6 |
| Количество фаз | 3 |
| Номинальное напряжение (VDC) | 24 |
| Номинальный крутящий момент (мН·м) | 300 |
| Постоянный крутящий момент (мН·м) | 350 |
| Номинальная скорость (об/мин) | 3000 |
| Номинальная мощность (Вт) | 94 |
| Пиковый крутящий момент (мН·м) | 900 |
| Ток (А) | 14.5 |
| Сопротивление (Ом) | 0.54 |
| Индуктивность (мГн) | 0.46 |
| Постоянная крутящего момента (мН·м/А) | 0.062 |
| Обратная ЭДС (Vrms/KRPM) | 4.57 |
| Инерция ротора (г·см²) | 120 |
| Длина двигателя (мм) | 80.3 |
| Масса (кг) | 0.8 |
FL42BLB04
| Количество полюсов | 6 |
| Количество фаз | 3 |
| Номинальное напряжение (VDC) | 24 |
| Номинальный крутящий момент (мН·м) | 440 |
| Постоянный крутящий момент (мН·м) | 490 |
| Номинальная скорость (об/мин) | 3000 |
| Номинальная мощность (Вт) | 138 |
| Пиковый крутящий момент (мН·м) | 1320 |
| Ток (А) | 21 |
| Сопротивление (Ом) | 0.4 |
| Индуктивность (мГн) | 0.3 |
| Постоянная крутящего момента (мН·м/А) | 0.0624 |
| Обратная ЭДС (Vrms/KRPM) | 4.6 |
| Инерция ротора (г·см²) | 140 |
| Длина двигателя (мм) | 100.3 |
| Масса (кг) | 1 |
Общее описание
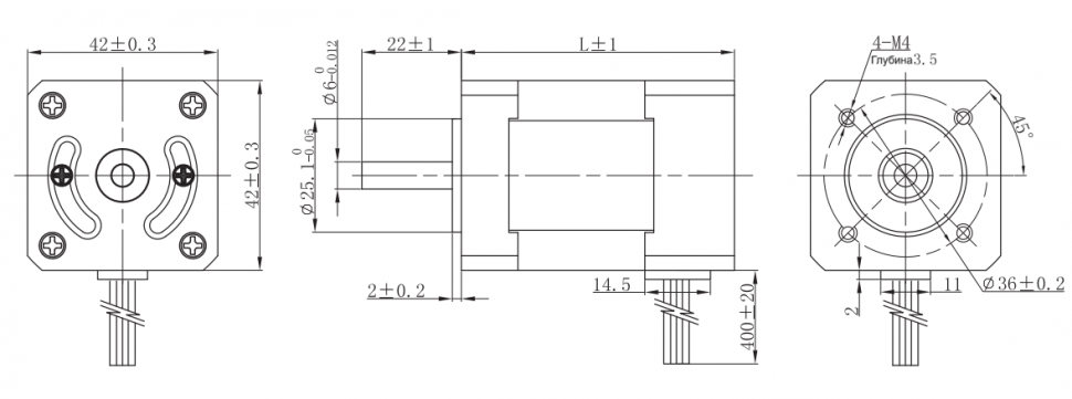
Модель FL42BLB представляет собой стандартный бесщеточный двигатель постоянного тока (BLDC). Ключевые технические параметры включают угол коммутации по датчикам Холла 120°, минимальный радиальный люфт 0.02 мм и осевой 0.08 мм. Конструкция двигателя рассчитана на радиальные нагрузки до 28 Н и осевые до 10 Н.
Конструктивные особенности двигателя включают класс изоляции обмоток (Класс Б), проверку диэлектрической прочностью 600 VAC и наличие встроенных датчиков Холла для точной коммутации. Широкий диапазон рабочих температур (от -20°C до +50°C) с последовательно возрастающим крутящим моментом и мощностью позволяют использовать устройство в системах автоматизации, робототехнике и другом оборудовании, где требуются вариативность силовых характеристик, надежность и стабильная работа.
Электрическое соединение
| Tип | Цвет | Функции |
|---|---|---|
| UL1430 AWG26 | Красный | Vcc |
| Синий | U (Xu) | |
| Зеленый | V (Hv) | |
| Белый | W (Xw) | |
| Черный | Земля | |
| UL1430 AWG20 | Желтый | Фаза U |
| Красный | Фаза V | |
| Черный | Фаза W |
Остались вопросы?
Не нашли нужную модель или нужна консультация по продукции? Наши менеджеры будут рады Вам помочь разобраться во всем. Просто заполните форму, и мы свяжемся с Вами как можно скорее.