FL40BL - Стандартные двигатели BLDC
Техническое описание в формате .pdf
Заказ товара
Для того, чтобы сделать заказ, вы можете:
Прислать заявку по почте ring@upel.ru
Позвонить по тел./отправить факс на +7 (499) 490-03-65
Написать в Whatsapp
Мы работаем только с юридическими лицами. Соответственно, при оплате наших товаров используется только безналичный расчет. По предоплате и с НДС. Минимальная сумма заказа составляет пять тысяч рублей. Счет действителен в течение 3 рабочих дней.
Сроки отгрузки также указываются и в коммерческом предложении, и в счете. Мы делаем все возможные скидки крупным и постоянным клиентам. Если у вас есть достаточно крупный заказ или вы готовы заказывать регулярно — вам стоит обратиться к менеджеру и обсудить свою ПЕРСОНАЛЬНУЮ скидку.
Технические характеристики
| Характеристика | Значение |
|---|---|
| Производитель | Fulling Motor |
| Угол эффекта Холла | 120 градусов |
| Радиальный люфт | предварительно загруженный |
| Осевой люфт | 0.15 мм при 9 Н |
| Максимальное радиальное усилие (Н) | 15 |
| Максимальное осевое усилие (Н) | 5 |
| Диэлектрическая прочность | 500VAC / 1s |
| Изоляционное сопротивление | 100MОм, 500VDC |
| Колебание температуры | -20°C~+50°C |
| Класс изоляции | Класс Ф |
Стандартные модели
| Характеристика | Модель | |||
|---|---|---|---|---|
| FL40BL26-12V-9644B | FL40BL26-24V-10357B | FL40BL36-18V-8260B | FL40BL36-36V-8776B | |
| Количество полюсов | 14 | 14 | 14 | 14 |
| Количество фаз | 3 | 3 | 3 | 3 |
| Номинальное напряжение (VDC) | 12 | 24 | 18 | 36 |
| Номинальный крутящий момент (мН·м) | 43.3 | 52.8 | 68.7 | 83.4 |
| Постоянный крутящий момент (мН·м) | 52 | 63 | 82 | 100 |
| Номинальная скорость (об/мин) | 9660 | 10300 | 8230 | 8740 |
| Номинальная мощность (Вт) | 44 | 57 | 60 | 76 |
| Пиковый крутящий момент (мН·м) | 120 | 158 | 206 | 250 |
| Ток (А) | 13.4 | 9.35 | 12.3 | 7.5 |
| Сопротивление (Ом) | 0.227 | 0.501 | 0.34 | 0.84 |
| Индуктивность (мГн) | 0.109 | 0.39 | 0.18 | 0.64 |
| Постоянная крутящего момента (мН·м/А) | 8.95 | 16.9 | 16.7 | 33.5 |
| Обратная ЭДС (Vrms/KRPM) | 0.66 | 1.25 | 1.23 | 2.48 |
| Инерция ротора (г·см²) | 10.5 | 10.5 | 24.2 | 24.2 |
| Длина двигателя (мм) | 26.0 | 26.0 | 36.0 | 36.0 |
| Масса (кг) | 0.17 | 0.17 | 0.24 | 0.24 |
FL40BL26-12V-9644B
| Количество полюсов | 14 |
| Количество фаз | 3 |
| Номинальное напряжение (VDC) | 12 |
| Номинальный крутящий момент (мН·м) | 43.3 |
| Постоянный крутящий момент (мН·м) | 52 |
| Номинальная скорость (об/мин) | 9660 |
| Номинальная мощность (Вт) | 44 |
| Пиковый крутящий момент (мН·м) | 120 |
| Ток (А) | 13.4 |
| Сопротивление (Ом) | 0.227 |
| Индуктивность (мГн) | 0.109 |
| Постоянная крутящего момента (мН·м/А) | 8.95 |
| Обратная ЭДС (Vrms/KRPM) | 0.66 |
| Инерция ротора (г·см²) | 10.5 |
| Длина двигателя (мм) | 26.0 |
| Масса (кг) | 0.17 |
FL40BL26-24V-10357B
| Количество полюсов | 14 |
| Количество фаз | 3 |
| Номинальное напряжение (VDC) | 24 |
| Номинальный крутящий момент (мН·м) | 52.8 |
| Постоянный крутящий момент (мН·м) | 63 |
| Номинальная скорость (об/мин) | 10300 |
| Номинальная мощность (Вт) | 57 |
| Пиковый крутящий момент (мН·м) | 158 |
| Ток (А) | 9.35 |
| Сопротивление (Ом) | 0.501 |
| Индуктивность (мГн) | 0.39 |
| Постоянная крутящего момента (мН·м/А) | 16.9 |
| Обратная ЭДС (Vrms/KRPM) | 1.25 |
| Инерция ротора (г·см²) | 10.5 |
| Длина двигателя (мм) | 26.0 |
| Масса (кг) | 0.17 |
FL40BL36-18V-8260B
| Количество полюсов | 14 |
| Количество фаз | 3 |
| Номинальное напряжение (VDC) | 18 |
| Номинальный крутящий момент (мН·м) | 68.7 |
| Постоянный крутящий момент (мН·м) | 82 |
| Номинальная скорость (об/мин) | 8230 |
| Номинальная мощность (Вт) | 60 |
| Пиковый крутящий момент (мН·м) | 206 |
| Ток (А) | 12.3 |
| Сопротивление (Ом) | 0.34 |
| Индуктивность (мГн) | 0.18 |
| Постоянная крутящего момента (мН·м/А) | 16.7 |
| Обратная ЭДС (Vrms/KRPM) | 1.23 |
| Инерция ротора (г·см²) | 24.2 |
| Длина двигателя (мм) | 36.0 |
| Масса (кг) | 0.24 |
FL40BL36-36V-8776B
| Количество полюсов | 14 |
| Количество фаз | 3 |
| Номинальное напряжение (VDC) | 36 |
| Номинальный крутящий момент (мН·м) | 83.4 |
| Постоянный крутящий момент (мН·м) | 100 |
| Номинальная скорость (об/мин) | 8740 |
| Номинальная мощность (Вт) | 76 |
| Пиковый крутящий момент (мН·м) | 250 |
| Ток (А) | 7.5 |
| Сопротивление (Ом) | 0.84 |
| Индуктивность (мГн) | 0.64 |
| Постоянная крутящего момента (мН·м/А) | 33.5 |
| Обратная ЭДС (Vrms/KRPM) | 2.48 |
| Инерция ротора (г·см²) | 24.2 |
| Длина двигателя (мм) | 36.0 |
| Масса (кг) | 0.24 |
Общее описание
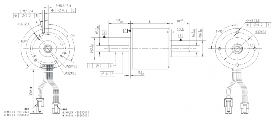
Модель FL40BL представляет собой стандартный бесщеточный двигатель постоянного тока (BLDC). Ключевые технические параметры включают угол коммутации по датчикам Холла 120°, предварительно нагруженные подшипники для минимального радиального люфта и осевой люфт 0.15 мм. Конструкция двигателя рассчитана на радиальные нагрузки до 15 Н и осевые до 5 Н.
Конструктивные особенности двигателя включают повышенный класс изоляции обмоток (Класс Ф), проверку диэлектрической прочностью 500 VAC и наличие встроенных датчиков Холла для точной коммутации. Широкий диапазон рабочих температур (от -20°C до +50°C) и несколько вариантов номинального напряжения (12В, 24В, 18В, 36В) позволяют использовать устройство в высокоскоростных системах, таких как приводы инструментов и специализированные механизмы, где важны высокая частота вращения, надежность и термическая стойкость.
Электрическое соединение
| Hомер контакта | Тип | Цвет | Функции |
|---|---|---|---|
| 5 | UL1332 AWG26
MOLEX 430250600 |
Зеленый | Vcc |
| 1 | Желтый | U (Hu) | |
| 2 | Коричневый | V (HV) | |
| 3 | Серый | W (Hw) | |
| 4 | Синий | Земля | |
| 1 | UL1332 AWG20
MOLEX 39012040 |
Красный | Фаза U |
| 2 | Черный | Фаза V | |
| 3 | Белый | Фаза W |
Остались вопросы?
Не нашли нужную модель или нужна консультация по продукции? Наши менеджеры будут рады Вам помочь разобраться во всем. Просто заполните форму, и мы свяжемся с Вами как можно скорее.