FL40BL-Enhanced - Стандартные двигатели BLDC
Техническое описание в формате .pdf
Заказ товара
Для того, чтобы сделать заказ, вы можете:
Прислать заявку по почте ring@upel.ru
Позвонить по тел./отправить факс на +7 (499) 490-03-65
Написать в Whatsapp
Мы работаем только с юридическими лицами. Соответственно, при оплате наших товаров используется только безналичный расчет. По предоплате и с НДС. Минимальная сумма заказа составляет пять тысяч рублей. Счет действителен в течение 3 рабочих дней.
Сроки отгрузки также указываются и в коммерческом предложении, и в счете. Мы делаем все возможные скидки крупным и постоянным клиентам. Если у вас есть достаточно крупный заказ или вы готовы заказывать регулярно — вам стоит обратиться к менеджеру и обсудить свою ПЕРСОНАЛЬНУЮ скидку.
Технические характеристики
| Характеристика | Значение |
|---|---|
| Производитель | Fulling Motor |
| Угол эффекта Холла | 120 градусов |
| Радиальный люфт | предварительно загруженный |
| Осевой люфт | 0.15 мм при 9 Н |
| Максимальное радиальное усилие (Н) | 15 |
| Максимальное осевое усилие (Н) | 5 |
| Диэлектрическая прочность | 500VAC / 1s |
| Изоляционное сопротивление | 100MОм, 500VDC |
| Колебание температуры | -20°C~+50°C |
| Класс изоляции | Класс Ф |
Стандартные модели
| Характеристика | Модель | |||
|---|---|---|---|---|
| FL40BL36-36V-6487B | FL40BL36-48V-4165B | FL40BL56-36V-3986B | FL40BL56-48V-43102B | |
| Количество полюсов | 14 | 14 | 14 | 14 |
| Количество фаз | 3 | 3 | 3 | 3 |
| Номинальное напряжение (VDC) | 36 | 48 | 36 | 48 |
| Номинальный крутящий момент (мН·м) | 129 | 151 | 207 | 222 |
| Постоянный крутящий момент (мН·м) | 181 | 181 | 248 | 266 |
| Номинальная скорость (об/мин) | 6450 | 4100 | 3950 | 4390 |
| Номинальная мощность (Вт) | 87 | 65 | 86 | 102 |
| Пиковый крутящий момент (мН·м) | 387 | 453 | 621 | 666 |
| Ток (А) | 8.4 | 4.95 | 8.3 | 7.3 |
| Сопротивление (Ом) | 0.59 | 2.28 | 0.85 | 1.01 |
| Индуктивность (мГн) | 0.51 | 2.05 | 0.68 | 1 |
| Постоянная крутящего момента (мН·м/А) | 46.1 | 91.8 | 75.2 | 91 |
| Обратная ЭДС (Vrms/KRPM) | 3.42 | 6.8 | 5.57 | 6.73 |
| Инерция ротора (г·см²) | 23 | 23 | 44 | 44 |
| Длина двигателя (мм) | 36.0 | 36.0 | 56.0 | 56.0 |
| Масса (кг) | 250 | 250 | 390 | 390 |
FL40BL36-36V-6487B
| Количество полюсов | 14 |
| Количество фаз | 3 |
| Номинальное напряжение (VDC) | 36 |
| Номинальный крутящий момент (мН·м) | 129 |
| Постоянный крутящий момент (мН·м) | 181 |
| Номинальная скорость (об/мин) | 6450 |
| Номинальная мощность (Вт) | 87 |
| Пиковый крутящий момент (мН·м) | 387 |
| Ток (А) | 8.4 |
| Сопротивление (Ом) | 0.59 |
| Индуктивность (мГн) | 0.51 |
| Постоянная крутящего момента (мН·м/А) | 46.1 |
| Обратная ЭДС (Vrms/KRPM) | 3.42 |
| Инерция ротора (г·см²) | 23 |
| Длина двигателя (мм) | 36.0 |
| Масса (кг) | 250 |
FL40BL36-48V-4165B
| Количество полюсов | 14 |
| Количество фаз | 3 |
| Номинальное напряжение (VDC) | 48 |
| Номинальный крутящий момент (мН·м) | 151 |
| Постоянный крутящий момент (мН·м) | 181 |
| Номинальная скорость (об/мин) | 4100 |
| Номинальная мощность (Вт) | 65 |
| Пиковый крутящий момент (мН·м) | 453 |
| Ток (А) | 4.95 |
| Сопротивление (Ом) | 2.28 |
| Индуктивность (мГн) | 2.05 |
| Постоянная крутящего момента (мН·м/А) | 91.8 |
| Обратная ЭДС (Vrms/KRPM) | 6.8 |
| Инерция ротора (г·см²) | 23 |
| Длина двигателя (мм) | 36.0 |
| Масса (кг) | 250 |
FL40BL56-36V-3986B
| Количество полюсов | 14 |
| Количество фаз | 3 |
| Номинальное напряжение (VDC) | 36 |
| Номинальный крутящий момент (мН·м) | 207 |
| Постоянный крутящий момент (мН·м) | 248 |
| Номинальная скорость (об/мин) | 3950 |
| Номинальная мощность (Вт) | 86 |
| Пиковый крутящий момент (мН·м) | 621 |
| Ток (А) | 8.3 |
| Сопротивление (Ом) | 0.85 |
| Индуктивность (мГн) | 0.68 |
| Постоянная крутящего момента (мН·м/А) | 75.2 |
| Обратная ЭДС (Vrms/KRPM) | 5.57 |
| Инерция ротора (г·см²) | 44 |
| Длина двигателя (мм) | 56.0 |
| Масса (кг) | 390 |
FL40BL56-48V-43102B
| Количество полюсов | 14 |
| Количество фаз | 3 |
| Номинальное напряжение (VDC) | 48 |
| Номинальный крутящий момент (мН·м) | 222 |
| Постоянный крутящий момент (мН·м) | 266 |
| Номинальная скорость (об/мин) | 4390 |
| Номинальная мощность (Вт) | 102 |
| Пиковый крутящий момент (мН·м) | 666 |
| Ток (А) | 7.3 |
| Сопротивление (Ом) | 1.01 |
| Индуктивность (мГн) | 1 |
| Постоянная крутящего момента (мН·м/А) | 91 |
| Обратная ЭДС (Vrms/KRPM) | 6.73 |
| Инерция ротора (г·см²) | 44 |
| Длина двигателя (мм) | 56.0 |
| Масса (кг) | 390 |
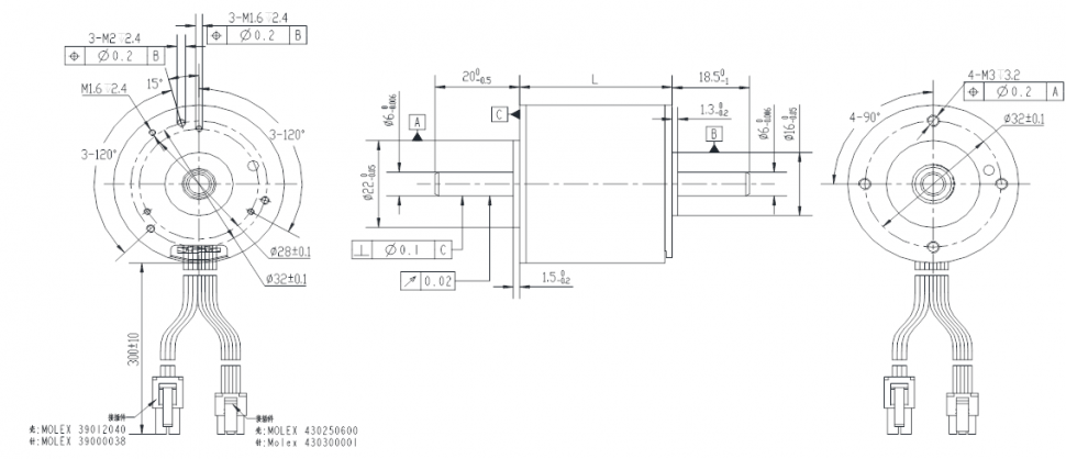
Общее описание
Модель FL40BL-Enhanced представляет собой стандартный бесщеточный двигатель постоянного тока (BLDC). Ключевые технические параметры включают угол коммутации по датчикам Холла 120°, предварительно нагруженные подшипники для минимального радиального люфта и осевой люфт 0.15 мм. Конструкция двигателя рассчитана на радиальные нагрузки до 15 Н и осевые до 5 Н.
Конструктивные особенности двигателя включают повышенный класс изоляции обмоток (Класс Ф), проверку диэлектрической прочностью 500 VAC и наличие встроенных датчиков Холла для точной коммутации. Широкий диапазон рабочих температур (от -20°C до +50°C) и несколько вариантов номинального напряжения (36В, 48В) с различными значениями крутящего момента и скорости позволяют использовать устройство в высокоскоростных и высокомоментных системах, таких как приводы инструментов и специализированные механизмы, где важны производительность, надежность и термическая стойкость.
Электрическое соединение
| Hомер контакта | Тип | Цвет | Функции |
|---|---|---|---|
| 5 | UL1332 AWG26 MOLEX 430250600 |
Зеленый | Vcc |
| 1 | Желтый | U (Hu) | |
| 2 | Коричневый | V (Hv) | |
| 3 | Серый | W (Hw) | |
| 4 | Синий | Земля | |
| 1 | UL1332 AWG20 MOLEX 39012040 |
Красный | Фаза U |
| 2 | Черный | Фаза V | |
| 3 | Белый | Фаза W |
Остались вопросы?
Не нашли нужную модель или нужна консультация по продукции? Наши менеджеры будут рады Вам помочь разобраться во всем. Просто заполните форму, и мы свяжемся с Вами как можно скорее.