FL35ST - Гибридные шаговые двигатели
Техническое описание в формате .pdf
Заказ товара
Для того, чтобы сделать заказ, вы можете:
Прислать заявку по почте ring@upel.ru
Позвонить по тел./отправить факс на +7 (499) 490-03-65
Написать в Whatsapp
Мы работаем только с юридическими лицами. Соответственно, при оплате наших товаров используется только безналичный расчет. По предоплате и с НДС. Минимальная сумма заказа составляет пять тысяч рублей. Счет действителен в течение 3 рабочих дней.
Сроки отгрузки также указываются и в коммерческом предложении, и в счете. Мы делаем все возможные скидки крупным и постоянным клиентам. Если у вас есть достаточно крупный заказ или вы готовы заказывать регулярно — вам стоит обратиться к менеджеру и обсудить свою ПЕРСОНАЛЬНУЮ скидку.
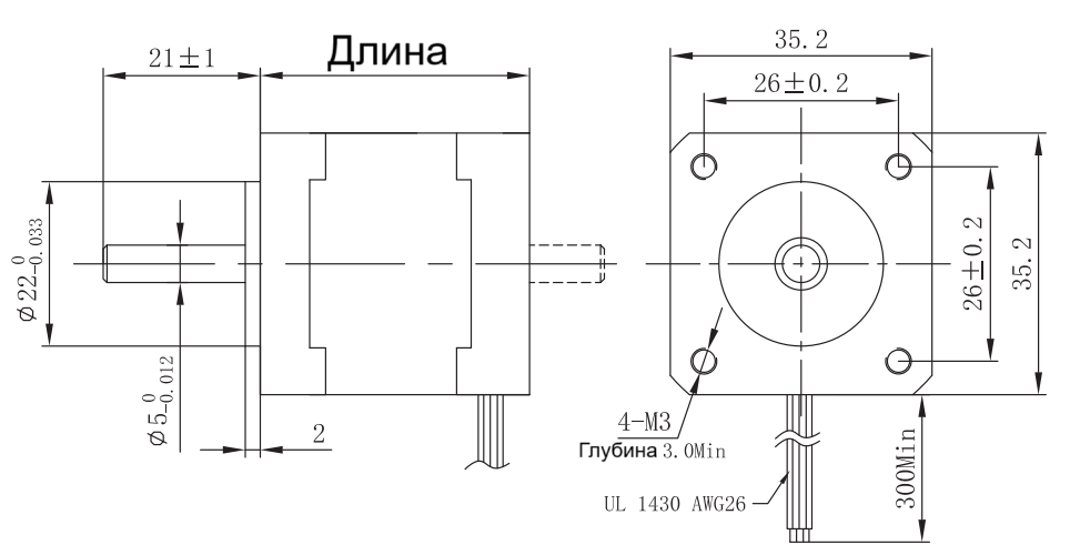
Технические характеристики
| Характеристика | Значение |
|---|---|
| Производитель | Fulling Motor |
| Угол шага | 1.8° |
| Погрешность угла шага | ±5% |
| Радиальный люфт | 0.02 мм при 450 г |
| Осевой люфт | 0.08 мм при 450 г |
| Максимальное радиальное усилие (Н) | 28 |
| Максимальное осевое усилие (Н) | 10 |
| Диэлектрическая прочность | 600 VAC / 1s |
| Изоляционное сопротивление | 100 MОм, 500 VDC |
| Колебание температуры | -20°C~+50°C |
| Класс изоляции | Класс Б |
Стандартные модели
| Характеристика | Модель | ||
|---|---|---|---|
| FL35ST26-0284A | FL35ST28-0504A | FL35ST36-1004A | |
| Ток (А) | 0.28 | 0.5 | 1 |
| Сопротивление (Ом) | 26 | 20 | 2.7 |
| Индуктивность (мГн) | 27 | 14 | 4.3 |
| Удерживающий крутящий момент (Н·м) | 0.07 | 0.1 | 0.14 |
| Фиксирующий крутящий момент (Н·м) | 0.006 | 0.008 | 0.01 |
| Количество выводных контактов | 4 | 4 | 4 |
| Инерция ротора (г·см²) | 10 | 11 | 14 |
| Масса (кг) | 0.13 | 0.14 | 0.18 |
| Длина (мм) | 26.0 ± 1.0 | 28.0 ± 1.0 | 36.0 ± 1.0 |
| Номинальная мощность (Вт) | 7.4 | 10 | 2.7 |
FL35ST26-0284A
| Ток (А) | 0.28 |
| Сопротивление (Ом) | 26 |
| Индуктивность (мГн) | 27 |
| Удерживающий крутящий момент (Н·м) | 0.07 |
| Фиксирующий крутящий момент (Н·м) | 0.006 |
| Количество выводных контактов | 4 |
| Инерция ротора (г·см²) | 10 |
| Масса (кг) | 0.13 |
| Длина (мм) | 26.0 ± 1.0 |
| Номинальная мощность (Вт) | 7.4 |
FL35ST28-0504A
| Ток (А) | 0.5 |
| Сопротивление (Ом) | 20 |
| Индуктивность (мГн) | 14 |
| Удерживающий крутящий момент (Н·м) | 0.1 |
| Фиксирующий крутящий момент (Н·м) | 0.008 |
| Количество выводных контактов | 4 |
| Инерция ротора (г·см²) | 11 |
| Масса (кг) | 0.14 |
| Длина (мм) | 28.0 ± 1.0 |
| Номинальная мощность (Вт) | 10 |
FL35ST36-1004A
| Ток (А) | 1 |
| Сопротивление (Ом) | 2.7 |
| Индуктивность (мГн) | 4.3 |
| Удерживающий крутящий момент (Н·м) | 0.14 |
| Фиксирующий крутящий момент (Н·м) | 0.01 |
| Количество выводных контактов | 4 |
| Инерция ротора (г·см²) | 14 |
| Масса (кг) | 0.18 |
| Длина (мм) | 36.0 ± 1.0 |
| Номинальная мощность (Вт) | 2.7 |
Общее описание
Модель FL35ST представляет собой компактный гибридный шаговый двигатель. Ключевые технические параметры включают угол шага 1.8° с высокой точностью ±5%, работу с номинальным током до 1 А и удерживающий момент до 0.14 Н·м. Конструктивные особенности двигателя обеспечивают его надежную и высокоточную работу: минимальные радиальный и осевой люфты, диэлектрическая прочность 600 VAC и защитная изоляция класса B. Широкий диапазон рабочих температур от -20°C до +50°C и несколько вариантов длины корпуса с различными электрическими параметрами позволяют подобрать оптимальную модель для использования в офисной технике, малогабаритной автоматике и других точных системах позиционирования.
Остались вопросы?
Не нашли нужную модель или нужна консультация по продукции? Наши менеджеры будут рады Вам помочь разобраться во всем. Просто заполните форму, и мы свяжемся с Вами как можно скорее.