FL32BLWA - Двигатели BLDC с внешним ротором
Техническое описание в формате .pdf
Заказ товара
Для того, чтобы сделать заказ, вы можете:
Прислать заявку по почте ring@upel.ru
Позвонить по тел./отправить факс на +7 (499) 490-03-65
Написать в Whatsapp
Мы работаем только с юридическими лицами. Соответственно, при оплате наших товаров используется только безналичный расчет. По предоплате и с НДС. Минимальная сумма заказа составляет пять тысяч рублей. Счет действителен в течение 3 рабочих дней.
Сроки отгрузки также указываются и в коммерческом предложении, и в счете. Мы делаем все возможные скидки крупным и постоянным клиентам. Если у вас есть достаточно крупный заказ или вы готовы заказывать регулярно — вам стоит обратиться к менеджеру и обсудить свою ПЕРСОНАЛЬНУЮ скидку.
Технические характеристики
| Характеристика | Значение |
|---|---|
| Производитель | Fulling Motor |
| Угол эффекта Холла | 120° |
| Радиальный люфт | 0.02 мм при 450 г |
| Осевой люфт | 0.08 мм при 450 г |
| Максимальное радиальное усилие (Н) | 14Н |
| Максимальное осевое усилие (Н) | 4.8Н |
| Диэлектрическая прочность | 600VAC / 1s |
| Изоляционное сопротивление | 100MОм, 500VDC |
| Колебание температуры | -20°C~+50°C |
| Класс изоляции | Класс Б |
Стандартные модели
| Характеристика | Модель | |||
|---|---|---|---|---|
| FL32BLW18-9V-3706A | FL32BLW18-12V-4607A | FL32BLW18-24V-4507A | FL32BLW18-48V-4808A | |
| Количество полюсов | 8 | 8 | 8 | 8 |
| Количество фаз | 3 | 3 | 3 | 3 |
| Номинальное напряжение (VDC) | 9 | 12 | 24 | 48 |
| Номинальный крутящий момент (мН·м) | 29.5 | 25.1 | 25.5 | 24.7 |
| Постоянный крутящий момент (мН·м) | 35.4 | 30.1 | 30.6 | 29.6 |
| Номинальная скорость (об/мин) | 2100 | 2800 | 2760 | 2950 |
| Номинальная мощность (Вт) | 6 | 7 | 7 | 8 |
| Пиковый крутящий момент (мН·м) | 73.8 | 75.3 | 76.5 | 74.1 |
| Ток (А) | 3.4 | 3.2 | 1.7 | 0.97 |
| Сопротивление (Ом) | 2.87 | 3.43 | 13.7 | 53 |
| Индуктивность (мГн) | 1.61 | 1.87 | 7.73 | 27.8 |
| Постоянная крутящего момента (мН·м/А) | 23 | 24.8 | 51 | 96.1 |
| Обратная ЭДС (Vrms/KRPM) | 1.7 | 1.83 | 3.77 | 7.1 |
| Инерция ротора (г·см²) | 35 | 35 | 35 | 35 |
| Длина двигателя (мм) | 18.0 | 18.0 | 18.0 | 18.0 |
| Масса (кг) | 0.005 | 0.005 | 0.005 | 0.005 |
FL32BLW18-9V-3706A
| Количество полюсов | 8 |
| Количество фаз | 3 |
| Номинальное напряжение (VDC) | 9 |
| Номинальный крутящий момент (мН·м) | 29.5 |
| Постоянный крутящий момент (мН·м) | 35.4 |
| Номинальная скорость (об/мин) | 2100 |
| Номинальная мощность (Вт) | 6 |
| Пиковый крутящий момент (мН·м) | 73.8 |
| Ток (А) | 3.4 |
| Сопротивление (Ом) | 2.87 |
| Индуктивность (мГн) | 1.61 |
| Постоянная крутящего момента (мН·м/А) | 23 |
| Обратная ЭДС (Vrms/KRPM) | 1.7 |
| Инерция ротора (г·см²) | 35 |
| Длина двигателя (мм) | 18.0 |
| Масса (кг) | 0.005 |
FL32BLW18-12V-4607A
| Количество полюсов | 8 |
| Количество фаз | 3 |
| Номинальное напряжение (VDC) | 12 |
| Номинальный крутящий момент (мН·м) | 25.1 |
| Постоянный крутящий момент (мН·м) | 30.1 |
| Номинальная скорость (об/мин) | 2800 |
| Номинальная мощность (Вт) | 7 |
| Пиковый крутящий момент (мН·м) | 75.3 |
| Ток (А) | 3.2 |
| Сопротивление (Ом) | 3.43 |
| Индуктивность (мГн) | 1.87 |
| Постоянная крутящего момента (мН·м/А) | 24.8 |
| Обратная ЭДС (Vrms/KRPM) | 1.83 |
| Инерция ротора (г·см²) | 35 |
| Длина двигателя (мм) | 18.0 |
| Масса (кг) | 0.005 |
FL32BLW18-24V-4507A
| Количество полюсов | 8 |
| Количество фаз | 3 |
| Номинальное напряжение (VDC) | 24 |
| Номинальный крутящий момент (мН·м) | 25.5 |
| Постоянный крутящий момент (мН·м) | 30.6 |
| Номинальная скорость (об/мин) | 2760 |
| Номинальная мощность (Вт) | 7 |
| Пиковый крутящий момент (мН·м) | 76.5 |
| Ток (А) | 1.7 |
| Сопротивление (Ом) | 13.7 |
| Индуктивность (мГн) | 7.73 |
| Постоянная крутящего момента (мН·м/А) | 51 |
| Обратная ЭДС (Vrms/KRPM) | 3.77 |
| Инерция ротора (г·см²) | 35 |
| Длина двигателя (мм) | 18.0 |
| Масса (кг) | 0.005 |
FL32BLW18-48V-4808A
| Количество полюсов | 8 |
| Количество фаз | 3 |
| Номинальное напряжение (VDC) | 48 |
| Номинальный крутящий момент (мН·м) | 24.7 |
| Постоянный крутящий момент (мН·м) | 29.6 |
| Номинальная скорость (об/мин) | 2950 |
| Номинальная мощность (Вт) | 8 |
| Пиковый крутящий момент (мН·м) | 74.1 |
| Ток (А) | 0.97 |
| Сопротивление (Ом) | 53 |
| Индуктивность (мГн) | 27.8 |
| Постоянная крутящего момента (мН·м/А) | 96.1 |
| Обратная ЭДС (Vrms/KRPM) | 7.1 |
| Инерция ротора (г·см²) | 35 |
| Длина двигателя (мм) | 18.0 |
| Масса (кг) | 0.005 |
Общее описание
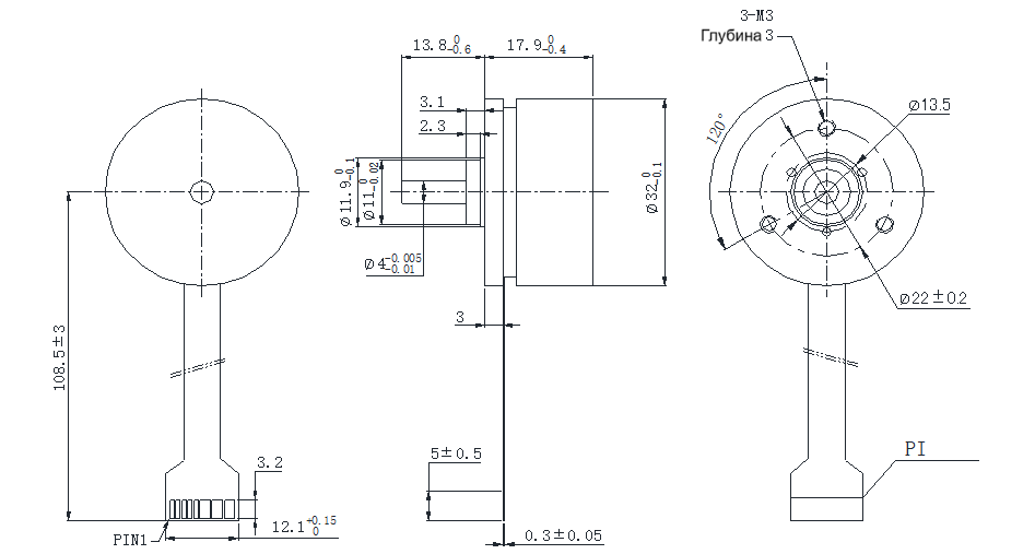
Модель FL32BLWA представляет собой бесщеточный двигатель постоянного тока (BLDC) с внешним ротором. Ключевые технические параметры включают угол коммутации по датчикам Холла 120°, минимальный радиальный (0.02 мм) и осевой (0.08 мм) люфт. Конструкция двигателя рассчитана на повышенные радиальные нагрузки до 14 Н и осевые до 4.8 Н.
Конструктивной особенностью двигателя является исполнение с внешним ротором, что обеспечивает компактность, высокую удельную мощность и увеличенный момент инерции. Система оснащена встроенными датчиками Холла для точной коммутации. Широкий диапазон рабочих температур (от -20°C до +50°C) и широкий выбор номинального напряжения (от 9 В до 48 В постоянного тока) позволяют использовать устройство в различных системах средней мощности, таких как приводы вентиляторов, насосов и автоматизированных механизмов, где важны надежность, широкий диапазон скоростей и стабильная работа.
Электрическое соединение
| Номер контакта | Тип | Функции |
|---|---|---|
| 1 | ФПК | Vcc |
| 2 | W (Hw) | |
| 3 | Y (Hу) | |
| 4 | U (Нu) | |
| 5 | Земля | |
| 6 | Фаза W | |
| 7 | Фаза V | |
| 8 | Фаза U |
Остались вопросы?
Не нашли нужную модель или нужна консультация по продукции? Наши менеджеры будут рады Вам помочь разобраться во всем. Просто заполните форму, и мы свяжемся с Вами как можно скорее.