FL28CBLA-28JN30K - Двигатели BLDC с редуктором
Техническое описание в формате .pdf
Заказ товара
Для того, чтобы сделать заказ, вы можете:
Прислать заявку по почте ring@upel.ru
Позвонить по тел./отправить факс на +7 (499) 490-03-65
Написать в Whatsapp
Мы работаем только с юридическими лицами. Соответственно, при оплате наших товаров используется только безналичный расчет. По предоплате и с НДС. Минимальная сумма заказа составляет пять тысяч рублей. Счет действителен в течение 3 рабочих дней.
Сроки отгрузки также указываются и в коммерческом предложении, и в счете. Мы делаем все возможные скидки крупным и постоянным клиентам. Если у вас есть достаточно крупный заказ или вы готовы заказывать регулярно — вам стоит обратиться к менеджеру и обсудить свою ПЕРСОНАЛЬНУЮ скидку.
Технические характеристики
| Характеристика | Значение |
|---|---|
| Производитель | Fulling Motor |
Общее описание
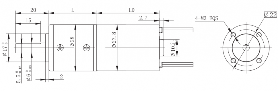
Модель FL28CBLA-28JN30K представляет собой компактный бесщеточный двигатель постоянного тока (BLDC) со встроенным планетарным редуктором с металлическим зубчатым венцом. Ключевые технические параметры включают внешний диаметр 28 мм и допустимый диапазон нагрузки от 0.3 до 3 Н·м. Конструкция редуктора обеспечивает широкий спектр передаточных чисел (от 3.7:1 до 254:1) и включает до 4 ступеней для точной настройки выходной скорости и крутящего момента.
Конструктивные особенности мотор-редуктора включают компактную интеграцию двигателя и многоступенчатого редуктора в миниатюрный корпус. Система оснащена встроенными датчиками Холла для прецизионной коммутации и управления. Устройство предназначено для применения в высокоточных малогабаритных системах, таких как медицинская техника, лабораторные приборы и оптические устройства, где критически важны малые габариты, высокая надежность и точное позиционирование.
Планетарный двигатель с BLDC-двигателем
Материал зубчатого венца: металл
| Модель | Диапазон |
|---|---|
| FL28CBLA/28JN30K | Φ28-дюймовый двигатель, ось давления: 0.3 Нм ~ 3 Нм Планетарный редуктор с внешним диаметром 28.0 мм, допустимый диапазон нагрузки: 0.3 - 3 Н·м |
Схема подключения
| U | V | W | Vcc | Ha | Hb | Hc | Земля |
|---|---|---|---|---|---|---|---|
| Зеленый | Красный | Черный | Желтый | Синий | Оранжевый | Коричневый | Белый |
| UL1061 AWG26 | UL1061 AWG28 | ||||||
Технические характеристики бесщеточного двигателя
| Тип | Кол-во полюсов | Кол-во фаз | Ном. напряжение (В) | Скорость ХХ (об/мин) | Ном. скорость (об/мин) | Ном. момент (мН·м) | Ном. мощность (Вт) | Пик. момент (мН·м) | Пик. ток (А) | Сопр. (Ом) | Индукт. (мГн) |
|---|---|---|---|---|---|---|---|---|---|---|---|
| FL28CBLA38-2454
|
8 | 3 | 24 | 5400 | 4000 | 28 | 12 | 84 | 2 | 5.7 | 2.48 |
| FL28CBLA48-2456 | 8 | 3 | 24 | 6300 | 4500 | 50 | 24 | 150 | 4.5 | 2.5 | 1.2 |
Технические характеристики бесщеточного мотор-редуктора
Двигатель FL28CBLA38-2454 (LD=38.0 мм)
| Коэффициент уменьшения | 3.7 | 5.2 | 14 | 19 | 27 | 35 | 51 | 71 | 100 | 139 | 181 | 218 | 254 | |
|---|---|---|---|---|---|---|---|---|---|---|---|---|---|---|
| Количество зубчатых передач | 1 | 1 | 2 | 2 | 2 | 2 | 3 | 3 | 3 | 3 | 4 | 4 | 4 | |
| Длина (L) | мм | 29.0 | 29.0 | 36.1 | 36.1 | 36.1 | 36.1 | 43.0 | 43.0 | 43.0 | 43.0 | 49.9 | 49.9 | 49.9 |
| Скорость холостого хода | об/мин | 1456 | 1042 | 386 | 284 | 200 | 154 | 106 | 76 | 54 | 39 | 30 | 25 | 21 |
| Номинальная скорость | об/мин | 1078 | 772 | 286 | 211 | 148 | 114 | 78 | 56 | 40 | 29 | 22 | 18 | 16 |
| Номинальный крутящий момент | Нм | 0.093 | 0.13 | 0.32 | 0.43 | 0.61 | 0.79 | 1 | 1.5 | 2 | 2.8 | 3 | 3 | 3 |
| Макс. допустимая нагрузка за короткое время | Нм | 1 | 1 | 3.5 | 3.5 | 3.5 | 3.5 | 7.5 | 7.5 | 7.5 | 7.5 | 9 | 9 | 9 |
Двигатель FL28CBLA48-2456 (LD=48.0 мм)
| Коэффициент уменьшения | 3.7 | 5.2 | 14 | 19 | 27 | 35 | 51 | 71 | 100 | 139 | 181 | |
|---|---|---|---|---|---|---|---|---|---|---|---|---|
| Количество зубчатых передач | 1 | 1 | 2 | 2 | 2 | 2 | 3 | 3 | 3 | 3 | 4 | |
| Длина (L) | мм | 29.0 | 29.0 | 36.1 | 36.1 | 36.1 | 36.1 | 43.0 | 43.0 | 43.0 | 43.0 | 49.9 |
| Скорость холостого хода | об/мин | 1700 | 1216 | 450 | 332 | 233 | 180 | 124 | 89 | 63 | 45 | 35 |
| Номинальная скорость | об/мин | 1213 | 869 | 321 | 237 | 167 | 129 | 88 | 63 | 45 | 32 | 25 |
| Номинальный крутящий момент | Нм | 0.17 | 0.23 | 0.57 | 0.77 | 1.1 | 1.4 | 1.9 | 2.6 | 3 | 3 | 3 |
| Макс. допустимая нагрузка за короткое время | Нм | 1 | 1 | 3.5 | 3.5 | 3.5 | 3.5 | 7.5 | 7.5 | 7.5 | 7.5 | 9 |
Остались вопросы?
Не нашли нужную модель или нужна консультация по продукции? Наши менеджеры будут рады Вам помочь разобраться во всем. Просто заполните форму, и мы свяжемся с Вами как можно скорее.