FL28BL - Стандартные двигатели BLDC
Техническое описание в формате .pdf
Заказ товара
Для того, чтобы сделать заказ, вы можете:
Прислать заявку по почте ring@upel.ru
Позвонить по тел./отправить факс на +7 (499) 490-03-65
Написать в Whatsapp
Мы работаем только с юридическими лицами. Соответственно, при оплате наших товаров используется только безналичный расчет. По предоплате и с НДС. Минимальная сумма заказа составляет пять тысяч рублей. Счет действителен в течение 3 рабочих дней.
Сроки отгрузки также указываются и в коммерческом предложении, и в счете. Мы делаем все возможные скидки крупным и постоянным клиентам. Если у вас есть достаточно крупный заказ или вы готовы заказывать регулярно — вам стоит обратиться к менеджеру и обсудить свою ПЕРСОНАЛЬНУЮ скидку.
Технические характеристики
| Характеристика | Значение |
|---|---|
| Производитель | Fulling Motor |
| Угол эффекта Холла | 120 градусов |
| Биение вала (мм) | 0.025 |
| Радиальный люфт | 0.02 мм при 450 г |
| Осевой люфт | 0.08 мм при 450 г |
| Максимальное радиальное усилие (Н) | 15 |
| Максимальное осевое усилие (Н) | 10 |
| Диэлектрическая прочность | 500VAC / 1s |
| Изоляционное сопротивление | 100MОм, 500VDC |
| Колебание температуры | -20°C~+50°C |
| Класс изоляции | Класс Б |
Стандартные модели
| Характеристика | Модель | ||
|---|---|---|---|
| FL28BL26 | FL28BL38 | FL28BL77 | |
| Количество полюсов | 4 | 4 | 4 |
| Количество фаз | 3 | 3 | 3 |
| Номинальное напряжение (VDC) | 15 | 24 | 24 |
| Номинальный крутящий момент (мН·м) | 7 | 14.12 | 50 |
| Постоянный крутящий момент (мН·м) | 8.4 | 17 | 60 |
| Номинальная скорость (об/мин) | 8000 | 10000 | 3700 |
| Номинальная мощность (Вт) | 6 | 14.78 | 16 |
| Пиковый крутящий момент (мН·м) | 21 | 42.4 | 150 |
| Ток (А) | 2.5 | 2.8 | 3 |
| Сопротивление (Ом) | 8 | 4.63 | 4.67 |
| Индуктивность (мГн) | 2 | 3 | 3.5 |
| Постоянная крутящего момента (мН·м/А) | 14.3 | 16.9 | 37.4 |
| Обратная ЭДС (Vrms/KRPM) | 1.06 | 1.25 | 2.77 |
| Инерция ротора (г·см²) | 1.23 | 2.12 | 5.98 |
| Длина двигателя (мм) | 26.0 | 38.0 | 77.0 |
| Масса (кг) | 0.06 | 0.082 | 0.28 |
FL28BL26
| Количество полюсов | 4 |
| Количество фаз | 3 |
| Номинальное напряжение (VDC) | 15 |
| Номинальный крутящий момент (мН·м) | 7 |
| Постоянный крутящий момент (мН·м) | 8.4 |
| Номинальная скорость (об/мин) | 8000 |
| Номинальная мощность (Вт) | 6 |
| Пиковый крутящий момент (мН·м) | 21 |
| Ток (А) | 2.5 |
| Сопротивление (Ом) | 8 |
| Индуктивность (мГн) | 2 |
| Постоянная крутящего момента (мН·м/А) | 14.3 |
| Обратная ЭДС (Vrms/KRPM) | 1.06 |
| Инерция ротора (г·см²) | 1.23 |
| Длина двигателя (мм) | 26.0 |
| Масса (кг) | 0.06 |
FL28BL38
| Количество полюсов | 4 |
| Количество фаз | 3 |
| Номинальное напряжение (VDC) | 24 |
| Номинальный крутящий момент (мН·м) | 14.12 |
| Постоянный крутящий момент (мН·м) | 17 |
| Номинальная скорость (об/мин) | 10000 |
| Номинальная мощность (Вт) | 14.78 |
| Пиковый крутящий момент (мН·м) | 42.4 |
| Ток (А) | 2.8 |
| Сопротивление (Ом) | 4.63 |
| Индуктивность (мГн) | 3 |
| Постоянная крутящего момента (мН·м/А) | 16.9 |
| Обратная ЭДС (Vrms/KRPM) | 1.25 |
| Инерция ротора (г·см²) | 2.12 |
| Длина двигателя (мм) | 38.0 |
| Масса (кг) | 0.082 |
FL28BL77
| Количество полюсов | 4 |
| Количество фаз | 3 |
| Номинальное напряжение (VDC) | 24 |
| Номинальный крутящий момент (мН·м) | 50 |
| Постоянный крутящий момент (мН·м) | 60 |
| Номинальная скорость (об/мин) | 3700 |
| Номинальная мощность (Вт) | 16 |
| Пиковый крутящий момент (мН·м) | 150 |
| Ток (А) | 3 |
| Сопротивление (Ом) | 4.67 |
| Индуктивность (мГн) | 3.5 |
| Постоянная крутящего момента (мН·м/А) | 37.4 |
| Обратная ЭДС (Vrms/KRPM) | 2.77 |
| Инерция ротора (г·см²) | 5.98 |
| Длина двигателя (мм) | 77.0 |
| Масса (кг) | 0.28 |
Общее описание
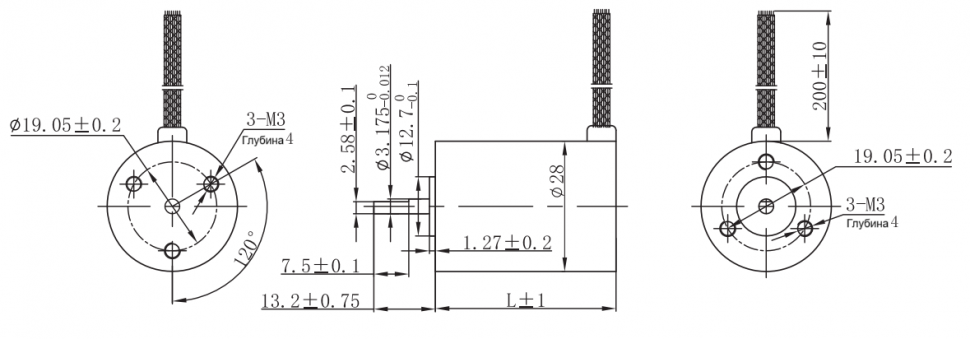
Модель FL28BL представляет собой стандартный бесщеточный двигатель постоянного тока (BLDC). Ключевые технические параметры включают угол коммутации по датчикам Холла 120°, минимальный радиальный люфт 0.02 мм и осевой 0.08 мм. Конструкция двигателя рассчитана на радиальные нагрузки до 10 Н и осевые до 2 Н.
Конструктивные особенности двигателя включают класс изоляции обмоток (Класс Б), проверку диэлектрической прочностью 600 VAC и наличие встроенных датчиков Холла для точной коммутации. Широкий диапазон рабочих температур (от -20°C до +50°C) и вариации по напряжению, моменту и скорости в серии моделей позволяют использовать устройство в различных системах средней мощности, таких как приводы вентиляторов, насосы, офисная техника и автоматизированные механизмы, где важны надежность, стабильная работа и компактность.
Электрическое соединение
| Тип | Цвет | Функции |
|---|---|---|
| UL1007 AWG26 | Желтый | Vcc |
| Cиний | U (Hu) | |
| Оранжевый | V (Hv) | |
| Коричневый | W (Hw) | |
| Белый | Земля | |
| UL1007 AWG26 | Зеленый | Фаза U |
| Красный | Фаза V | |
| Черный | Фаза W |
Остались вопросы?
Не нашли нужную модель или нужна консультация по продукции? Наши менеджеры будут рады Вам помочь разобраться во всем. Просто заполните форму, и мы свяжемся с Вами как можно скорее.