FL25SV - Стандартные серводвигатели
Техническое описание в формате .pdf
Заказ товара
Для того, чтобы сделать заказ, вы можете:
Прислать заявку по почте ring@upel.ru
Позвонить по тел./отправить факс на +7 (499) 490-03-65
Написать в Whatsapp
Мы работаем только с юридическими лицами. Соответственно, при оплате наших товаров используется только безналичный расчет. По предоплате и с НДС. Минимальная сумма заказа составляет пять тысяч рублей. Счет действителен в течение 3 рабочих дней.
Сроки отгрузки также указываются и в коммерческом предложении, и в счете. Мы делаем все возможные скидки крупным и постоянным клиентам. Если у вас есть достаточно крупный заказ или вы готовы заказывать регулярно — вам стоит обратиться к менеджеру и обсудить свою ПЕРСОНАЛЬНУЮ скидку.
Технические характеристики
| Характеристика | Значение |
|---|---|
| Производитель | Fulling Motor |
| Тип кодера | 1. Оптический энкодер. 2. Магнитный энкодер. 3. Метод резольвера. Примечание: Доступны несколько разрешений. Доступны инкрементные и абсолютные значения. |
| Максимальное радиальное усилие (Н) | 6 |
| Максимальное осевое усилие (Н) | 5 |
| Класс изоляции | Класс Ф |
| Класс IP | IP65 |
| Условия окружающей среды | Температура: -20℃~ +50℃. Относительная влажность: ≤90%RH. Среда установки: ≤1000 м (1000~4000 м, снижение номинальных характеристик), беречь от коррозии, горючих газов, капель масла, пыли. Температура окружающей среды: -20℃~ +85℃. Условия хранения: -20℃. |
Стандартные модели
| Характеристика | Модель |
|---|---|
| FL25SV03 | |
| Номинальная мощность (Вт) | 30 |
| Номинальное напряжение (VDC) | 24 |
| Номинальная скорость (об/мин) | 3000 |
| Номинальный крутящий момент (мН·м) | 0.095 |
| Номинальный ток (A) | 2 |
| Скорость (об/мин) | 4800 |
| Максимальный крутящий момент (Н·м) | 0.285 |
| Ток (А) | 6 |
| Сопротивление (Ом) | 2.3 |
| Индуктивность (мГн) | 0.7 |
| Обратная ЭДС (Vrms/KRPM) | 3.42 |
| Постоянный крутящий момент (мН·м) | 0.057 |
| Электрическая постоянная времени (мс) | 0.8 |
| Механическая постоянная времени (мс) | 1.34 |
| Инерция ротора (кг·см²) | 0.0077 |
| Количество полюсов | 8 |
| Кодер | 17-битный одиночный абсолютный энкодер |
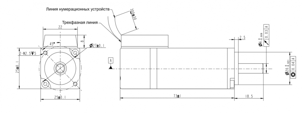
| Длина двигателя L1(мм) | 73.0 |
| Масса (кг) | 0.2 |
FL25SV03
| Номинальная мощность (Вт) | 30 |
| Номинальное напряжение (VDC) | 24 |
| Номинальная скорость (об/мин) | 3000 |
| Номинальный крутящий момент (мН·м) | 0.095 |
| Номинальный ток (A) | 2 |
| Скорость (об/мин) | 4800 |
| Максимальный крутящий момент (Н·м) | 0.285 |
| Ток (А) | 6 |
| Сопротивление (Ом) | 2.3 |
| Индуктивность (мГн) | 0.7 |
| Обратная ЭДС (Vrms/KRPM) | 3.42 |
| Постоянный крутящий момент (мН·м) | 0.057 |
| Электрическая постоянная времени (мс) | 0.8 |
| Механическая постоянная времени (мс) | 1.34 |
| Инерция ротора (кг·см²) | 0.0077 |
| Количество полюсов | 8 |
| Кодер | 17-битный одиночный абсолютный энкодер |
| Длина двигателя L1(мм) | 73.0 |
| Масса (кг) | 0.2 |
Общее описание
Модель FL25SV представляет собой стандартный серводвигатель. Ключевые технические параметры включают номинальную мощность 30 Вт, номинальную скорость 3000 об/мин и номинальный крутящий момент 0.095 Н·м. Конструктивные особенности двигателя гарантируют его стабильную и точную работу: возможность выбора типа обратной связи (оптический, магнитный энкодер или резольвер) и интегрированный 17-битный абсолютный энкодер. Двигатель отличается высокой степенью защиты IP65, высоким классом изоляции (Класс Ф) и широким рабочим диапазоном температур от -20°C до +50°C.
Кривая производительности

Электрическое соединение
| Номер | Цвет | Свинцовый датчик | Функция | Описание |
|---|---|---|---|---|
| 1 | Желтый | Кабель
4*0.5мм²+2*0.35мм² |
Фаза U | / |
| 2 | Kрасный | Фаза V | / | |
| 3 | Черный | Phase W | / |
Остались вопросы?
Не нашли нужную модель или нужна консультация по продукции? Наши менеджеры будут рады Вам помочь разобраться во всем. Просто заполните форму, и мы свяжемся с Вами как можно скорее.