FL20STC - Шаговые двигатели с полым валом
Техническое описание в формате .pdf
Заказ товара
Для того, чтобы сделать заказ, вы можете:
Прислать заявку по почте ring@upel.ru
Позвонить по тел./отправить факс на +7 (499) 490-03-65
Написать в Whatsapp
Мы работаем только с юридическими лицами. Соответственно, при оплате наших товаров используется только безналичный расчет. По предоплате и с НДС. Минимальная сумма заказа составляет пять тысяч рублей. Счет действителен в течение 3 рабочих дней.
Сроки отгрузки также указываются и в коммерческом предложении, и в счете. Мы делаем все возможные скидки крупным и постоянным клиентам. Если у вас есть достаточно крупный заказ или вы готовы заказывать регулярно — вам стоит обратиться к менеджеру и обсудить свою ПЕРСОНАЛЬНУЮ скидку.
Технические характеристики
| Характеристика | Значение |
|---|---|
| Производитель | Fulling Motor |
| Угол шага | 1.8° |
| Погрешность угла шага | ±5% |
| Радиальный люфт | 0.02 мм при 450 г |
| Осевой люфт | 0.08 мм при 450 г |
| Максимальное радиальное усилие (Н) | 10 |
| Максимальное осевое усилие (Н) | 4 |
| Диэлектрическая прочность | 600 VAC / 1s |
| Изоляционное сопротивление | 100 MОм, 500 VDC |
| Колебание температуры | -20°C~+50°C |
| Класс изоляции | Класс Б |
Стандартные модели
| Характеристика | Модель | |
|---|---|---|
| FL20STC33-0604AC-H | FL20STC40-0604AC-H | |
| Ток (А) | 0.6 | 0.6 |
| Сопротивление (Ом) | 6.4 | 7.2 |
| Индуктивность (мГн) | 2.6 | 3.15 |
| Удерживающий крутящий момент (Н·м) | 0.022 | 0.036 |
| Фиксирующий крутящий момент (Н·м) | 0.002 | 0.002 |
| Количество выводных контактов | 4 | 4 |
| Инерция ротора (г·см²) | 2 | 2.9 |
| Масса (кг) | 0.06 | 0.08 |
| Длина (мм) | 33.0 | 40.0 |
FL20STC33-0604AC-H
| Ток (А) | 0.6 |
| Сопротивление (Ом) | 6.4 |
| Индуктивность (мГн) | 2.6 |
| Удерживающий крутящий момент (Н·м) | 0.022 |
| Фиксирующий крутящий момент (Н·м) | 0.002 |
| Количество выводных контактов | 4 |
| Инерция ротора (г·см²) | 2 |
| Масса (кг) | 0.06 |
| Длина (мм) | 33.0 |
FL20STC40-0604AC-H
| Ток (А) | 0.6 |
| Сопротивление (Ом) | 7.2 |
| Индуктивность (мГн) | 3.15 |
| Удерживающий крутящий момент (Н·м) | 0.036 |
| Фиксирующий крутящий момент (Н·м) | 0.002 |
| Количество выводных контактов | 4 |
| Инерция ротора (г·см²) | 2.9 |
| Масса (кг) | 0.08 |
| Длина (мм) | 40.0 |
Общее описание
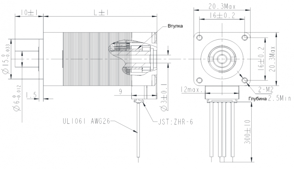
Модель FL20STC представляет собой шаговый двигатель с полым валом. Ключевые технические параметры включают стандартный угол шага 1.8° с высокой точностью ±5%, удерживающий момент до 0.036 Н·м и ток до 0.6 А. Конструкция полого вала обеспечивает минимальный радиальный люфт (0.02 мм) и осевой люфт (0.08 мм) при нагрузке 450 г, а также способность выдерживать радиальные нагрузки до 10 Н и осевые до 4 Н.
Конструктивные особенности двигателя, такие как полый вал, высокий класс изоляции (Класс Б) и проверка диэлектрической прочностью 600 VAC, обеспечивают его надежную работу в компактных и прецизионных системах управления. Широкий диапазон рабочих температур (от -20°C до +50°C) и стабильные электрические параметры позволяют использовать устройство в различных промышленных и автоматизированных системах, где требуются точное позиционирование и возможность прокладки валов или кабелей через центр двигателя.
Остались вопросы?
Не нашли нужную модель или нужна консультация по продукции? Наши менеджеры будут рады Вам помочь разобраться во всем. Просто заполните форму, и мы свяжемся с Вами как можно скорее.