FL20BLW - Двигатели BLDC с внешним ротором
Техническое описание в формате .pdf
Заказ товара
Для того, чтобы сделать заказ, вы можете:
Прислать заявку по почте ring@upel.ru
Позвонить по тел./отправить факс на +7 (499) 490-03-65
Написать в Whatsapp
Мы работаем только с юридическими лицами. Соответственно, при оплате наших товаров используется только безналичный расчет. По предоплате и с НДС. Минимальная сумма заказа составляет пять тысяч рублей. Счет действителен в течение 3 рабочих дней.
Сроки отгрузки также указываются и в коммерческом предложении, и в счете. Мы делаем все возможные скидки крупным и постоянным клиентам. Если у вас есть достаточно крупный заказ или вы готовы заказывать регулярно — вам стоит обратиться к менеджеру и обсудить свою ПЕРСОНАЛЬНУЮ скидку.
Технические характеристики
| Характеристика | Значение |
|---|---|
| Производитель | Fulling Motor |
| Угол эффекта Холла | 120° |
| Радиальный люфт | 0.02 мм при 450 г |
| Осевой люфт | 0.08 мм при 450 г |
| Максимальное радиальное усилие (Н) | 5.3Н |
| Максимальное осевое усилие (Н) | 1.8Н |
| Диэлектрическая прочность | 360VAC / 1s |
| Изоляционное сопротивление | 100MОм, 500VDC |
| Колебание температуры | -20°C~+50°C |
| Класс изоляции | Класс Б |
Стандартные модели
| Характеристика | Модель | |
|---|---|---|
| FL20BLW14-12V-5105A | FL20BLW14-24V-5205A | |
| Количество полюсов | 8 | 8 |
| Количество фаз | 3 | 3 |
| Номинальное напряжение (VDC) | 12 | 24 |
| Номинальный крутящий момент (мН·м) | 7.59 | 7.74 |
| Постоянный крутящий момент (мН·м) | 9.1 | 9.2 |
| Номинальная скорость (об/мин) | 5170 | 5220 |
| Номинальная мощность (Вт) | 5 | 5 |
| Пиковый крутящий момент (мН·м) | 19 | 20 |
| Ток (А) | 1.62 | 0.85 |
| Сопротивление (Ом) | 7.2 | 26.1 |
| Индуктивность (мГн) | 0.62 | 2.6 |
| Постоянная крутящего момента (мН·м/А) | 12 | 24 |
| Обратная ЭДС (Vrms/KRPM) | 0.89 | 1.78 |
| Инерция ротора (г·см²) | 5.1 | 5.1 |
| Длина двигателя (мм) | 14.0 | 14.0 |
| Масса (кг) | 0.0023 | 0.0023 |
FL20BLW14-12V-5105A
| Количество полюсов | 8 |
| Количество фаз | 3 |
| Номинальное напряжение (VDC) | 12 |
| Номинальный крутящий момент (мН·м) | 7.59 |
| Постоянный крутящий момент (мН·м) | 9.1 |
| Номинальная скорость (об/мин) | 5170 |
| Номинальная мощность (Вт) | 5 |
| Пиковый крутящий момент (мН·м) | 19 |
| Ток (А) | 1.62 |
| Сопротивление (Ом) | 7.2 |
| Индуктивность (мГн) | 0.62 |
| Постоянная крутящего момента (мН·м/А) | 12 |
| Обратная ЭДС (Vrms/KRPM) | 0.89 |
| Инерция ротора (г·см²) | 5.1 |
| Длина двигателя (мм) | 14.0 |
| Масса (кг) | 0.0023 |
FL20BLW14-24V-5205A
| Количество полюсов | 8 |
| Количество фаз | 3 |
| Номинальное напряжение (VDC) | 24 |
| Номинальный крутящий момент (мН·м) | 7.74 |
| Постоянный крутящий момент (мН·м) | 9.2 |
| Номинальная скорость (об/мин) | 5220 |
| Номинальная мощность (Вт) | 5 |
| Пиковый крутящий момент (мН·м) | 20 |
| Ток (А) | 0.85 |
| Сопротивление (Ом) | 26.1 |
| Индуктивность (мГн) | 2.6 |
| Постоянная крутящего момента (мН·м/А) | 24 |
| Обратная ЭДС (Vrms/KRPM) | 1.78 |
| Инерция ротора (г·см²) | 5.1 |
| Длина двигателя (мм) | 14.0 |
| Масса (кг) | 0.0023 |
Общее описание
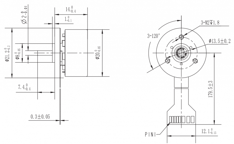
Модель FL20BLW представляет собой компактный бесщеточный двигатель постоянного тока (BLDC) с внешним ротором. Ключевые технические параметры включают угол коммутации по датчикам Холла 120°, минимальный радиальный (0.02 мм) и осевой (0.08 мм) люфт. Конструкция двигателя рассчитана на радиальные нагрузки до 5.3 Н и осевые до 1.8 Н.
Конструктивной особенностью двигателя является исполнение с внешним ротором, что обеспечивает компактность и высокую удельную мощность. Система оснащена встроенными датчиками Холла для точной коммутации. Широкий диапазон рабочих температур (от -20°C до +50°C) и вариации номинального напряжения (12 В и 24 В) позволяют использовать устройство в различных малогабаритных системах, таких как насосы и маломощные приводы, где важны высокая скорость, надежность и плавность работы.
Электрическое соединение
| Номер контакта | Тип | Функции |
|---|---|---|
| 1 | ФПК | Vcc |
| 2 | W (Hw) | |
| 3 | Y (Hу) | |
| 4 | U (Нu) | |
| 5 | Земля | |
| 6 | Фаза W | |
| 7 | Фаза V | |
| 8 | Фаза U |
Остались вопросы?
Не нашли нужную модель или нужна консультация по продукции? Наши менеджеры будут рады Вам помочь разобраться во всем. Просто заполните форму, и мы свяжемся с Вами как можно скорее.